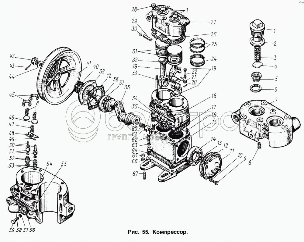
Каталог запасных частей к технике: ЗИЛ-131. Компрессор

zoom-in zoom-out enlarge shrink circle-right circle-left file-text2 info cart arraw right arraw left zoom out zoom in arraw maximize arraw minimize
1
1
2
3
4
5
6
7
8
9
10
11
12
12
13
14
15
16
17
18
19
19
20
21
22
23
24
25
26
27
28
29
30
31
32
33
34
35
36
37
38
39
40
41
42
43
44
45
46
47
48
49
50
51
52
53
54
55
56
57
58
59
60
61
62
63
64
65
66
67
130-3509169-А2
Палец поршневой со стопорами (комплект)
В узле: 1
130-3509167
Комплект поршневых колец на один компрессор номинального размера
В узле: 1
130-3509167-Р1
Комплект поршневых колец увеличенных по диаметру на 0,4 мм
В узле: 1
130-3509167-Р2
Комплект поршневых колец увеличенных по диаметру на 0,8 мм
В узле: 1
130-3509107
Вал коленчатый с комплектом шатунных вкладышей
В узле: 1
1
120-3509044
Пробка нагнетательного клапана
В узле: 2
2
120-3509045
Прокладка пробки
В узле: 2
3
120-3509048
Пружина нагнетательного клапана
В узле: 2
4
130-3509050
Клапан нагнетательный
В узле: 2
5
130-3509051-А
Седло нагнетательного клапана
В узле: 2
6
130-3509055
Прокладка седла нагнетательного клапана
В узле: 2
7
130-3509040
Головка компрессора
В узле: 1
8
130-3509328
Пружина впускного клапана
В узле: 2
9
201458-П8
Болт
В узле: 8
10
252135-П2
Шайба пружинная
В узле: 8
11
130-3509090-Б
Крышка картера компрессора задняя
В узле: 1
12
120-3509063
Прокладка передней и задней крышек картера компрессора
В узле: 2
13
133-3509098-02
Крышка картера компрессора нижняя в сборе
В узле: 1
14
120-3509113
Подшипник компрессора 207К5
В узле: 2
15
130-3509018-Б
Картер компрессора в сборе
В узле: 1
16
304020-П
Шпилька
В узле: 6
17
130-3509038
Прокладка блока цилиндров компрессора
В узле: 1
18
130-3509028
Блок цилиндров компрессора в сборе
В узле: 1
19
130-3509180-А
Шатун компрессора с крышкой в сборе
В узле: 2
20
258013-П
Шплинт
В узле: 4
21
303032-П
Гайка
В узле: 4
22
120-3509200
Болт крышки шатуна
В узле: 4
23
130-3509092
Вкладыш шатуна компрессора
В узле: 4
23
130-3509092-Р1
Вкладыш шатуна уменьшенный по диаметру на 0,3 мм
В узле: 1
23
130-3509092-Р2
Вкладыш шатуна уменьшенный по диаметру на 0,6 мм
В узле: 1
24
130-3509166-Р2
Кольцо маслосъемное увеличенное на 0,8 мм по диаметру
В узле: 1
24
130-3509166-Р1
Кольцо поршня маслосъемное увеличенное на 0,4 мм по диаметру
В узле: 1
24
130-3509166
Кольцо поршня маслосъемное
В узле: 2
25
130-3509164-Р2
Кольцо поршня компрессионное увеличенное на 0,8 мм по диаметру
В узле: 1
25
130-3509164-Р1
Кольцо поршня компрессионное увеличенное на 0,4 мм по диаметру
В узле: 1
25
130-3509164
Кольцо поршня компрессионное
В узле: 4
26
130-3509043-А
Прокладка головки блока цилиндров компрессора 0,8 мм
В узле: 1
27
130-3509039
Головка компрессора в сборе
В узле: 1
28
250511-П8
Гайка
В узле: 8
29
130-3509170
Палец поршневой
В узле: 2
30
130-3509172
Кольцо пальца стопорное
В узле: 4
31
130-3509160-А2-Р1
Поршень увеличенный на 0,4 мм по диаметру
В узле: 1
31
130-3509160-А2-Р2
Поршень увеличенный по диаметру на 0,8 мм
В узле: 1
31
130-3509160-А2
Поршень компрессора
В узле: 2
32
130-3509194
Втулка верхней головки шатуна компрессора
В узле: 2
33
308612-П8
Шпилька
В узле: 8
34
303112-П8
Гайка
В узле: 6
35
252136-П2
Шайба пружинная
В узле: 6
36
130-3509110-А
Вал коленчатый
В узле: 1
37
120-3509113
Подшипник компрессора 207К5
В узле: 2
38
418251-П
Шпонка сегментная
В узле: 1
39
130-3509060-А
Крышка передняя
В узле: 1
40
120-3509070-А2
Манжета передней крышки картера в сборе
В узле: 1
41
120-3509130
Шкив компрессора
В узле: 1
42
250978-П8
Гайка
В узле: 1
43
258040-П8
Шплинт
В узле: 1
44
252016-П8
Шайба
В узле: 1
45
130-3509363
Направляющая впускного клапана
В узле: 2
46
130-3509056
Клапан впускной
В узле: 2
47
130-3509342
Пружина коромысла впускных клапанов
В узле: 1
48
130-3509355
Направляющая пружины
В узле: 1
49
130-3509337-Б2
Коромысло впускных клапанов
В узле: 1
50
130-3509344-Б
Шток впускного клапана
В узле: 2
51
130-3509099-Б
Гнездо штока впускного клапана
В узле: 2
52
130-3509065-В2
Плунжер впускного клапана
В узле: 2
53
130-3509067-А
Кольцо уплотнительное плунжера впускного клапана
В узле: 2
54
130-3509069
Седло впускного клапана
В узле: 2
55
130-3509068-Б
Втулка плунжера компрессора
В узле: 2
56
130-3509240
Прокладка патрубка подвода воздуха
В узле: 1
57
252135-П2
Шайба пружинная
В узле: 2
58
130-3509275-Б
Патрубок компрессора впускной
В узле: 1
59
201456-П8
Болт
В узле: 2
60
120-3509093
Пружина уплотнителя задней крышки
В узле: 1
61
120-3509094
Уплотнитель задней крышки компрессора
В узле: 1
62
201499-П8
Болт
В узле: 3
63
252136-П2
Шайба пружинная
В узле: 4
64
130-3509103-Б
Прокладка нижней крышки картера компрессора
В узле: 1
65
250515-П8
Гайка
В узле: 3
66
252007-П8
Шайба регулировочная
В узле: 3
67
308614-П8
Шпилька
В узле: 3
Содержащиеся в справочниках-каталогах запасные части и детали не предлагаются к продаже, а носят исключительно информационный характер

Ваша заявка была отправлена. В ближайшее время наши специалисты с Вами свяжутся по указанному Вами телефону.

Представьтесь
Поле обязательно для заполнения
Ваш телефон
Введите правильный номер телефона
E-mail
Введите правильный e-mail
Тема
Тема
применяемость финансирование доставка цена, наличие другое сервис и гарантия
Время для звонка
08:00
08:00 09:00 10:00 11:00 12:00 13:00 14:00 15:00 16:00 17:00 18:00 19:00
19:00
08:00 09:00 10:00 11:00 12:00 13:00 14:00 15:00 16:00 17:00 18:00 19:00

Мы постараемся перезвонить в указанное время

Если вы не хотите ждать, то звоните нашим вежливым консультантам:

8 800 100-2-700
Подтвердите, что вы не робот
Подтвердите, что вы не робот
Спасибо!

Ваше сообщение успешно отправлено!

ЗакрытьПовторить попытку