Каталог запасных частей к технике: ЗИЛ-131. Установка компрессора и регулятора давления

zoom-in zoom-out enlarge shrink circle-right circle-left file-text2 info cart arraw right arraw left zoom out zoom in arraw maximize arraw minimize
1
2
3
4
5
6
7
8
8
8
9
10
11
11
12
13
14
15
16
17
18
19
20
21
22
23
24
25
26
27
28
29
30
31
32
33
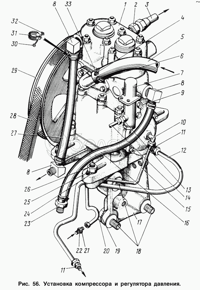
130-3509250
Ремень привода компрессора
В узле: 1
1
130-3509015-Б
Компрессор пневмотормозов в сборе
В узле: 1
2
421152-П8
Штуцер
В узле: 1
3
130-3506450
Трубка от компрессора к первому воздушному баллону в сборе
В узле: 1
4
288009-П8
Хомут крепления шланга
В узле: 2
5
131-3509276-А
Шланг подвода воздуха к компрессору
В узле: 1
6
251084-П8
Гайка
В узле: 2
7
130Т-3512010
Регулятор давления типа АР12 в сборе
В узле: 1
8
115-1011103
Угольник
В узле: 3
9
201458-П8
Болт
В узле: 2
10
300301-П
Угольник ввертной
В узле: 1
11
421152-П8
Штуцер
В узле: 2
12
133-3509270
Трубка отвода масла от компрессора в сборе
В узле: 1
13
421149-П8
Штуцер ввертной
В узле: 1
14
131-3506225
Трубка вторая от тормозного крана к регулятору давления в сборе
В узле: 1
15
133-3509260
Трубка подвода масла к компрессору
В узле: 1
16
130-3509293-Г
Шланг
В узле: 1
17
133-3509125
Кронштейн крепления компрессора
В узле: 1
18
308614-П8
Шпилька
В узле: 3
19
252137-П2
Шайба пружинная
В узле: 3
20
250515-П8
Гайка
В узле: 3
21
300318-П8
Штуцер
В узле: 1
22
305554-П
Шайба уплотнительная
В узле: 1
23
140-8104076
Штуцер
В узле: 1
24
252007-П2
Шайба
В узле: 3
25
250515-П8
Гайка
В узле: 3
26
201544-П8
Болт
В узле: 3
27
130-3509290-В
Шланг отвода воды от компрессора
В узле: 1
28
375-3509250
Ремень привода компрессора
В узле: 1
29
120-3509130
Шкив компрессора
В узле: 1
30
220084-П8
Винт
В узле: 4
31
288004-П8
Хомут крепления шлангов
В узле: 4
32
251084-П8
Гайка
В узле: 4
33
220086-П8
Винт
В узле: 2
Содержащиеся в справочниках-каталогах запасные части и детали не предлагаются к продаже, а носят исключительно информационный характер

Ваша заявка была отправлена. В ближайшее время наши специалисты с Вами свяжутся по указанному Вами телефону.

Представьтесь
Поле обязательно для заполнения
Ваш телефон
Введите правильный номер телефона
E-mail
Введите правильный e-mail
Тема
Тема
применяемость финансирование доставка цена, наличие другое сервис и гарантия
Время для звонка
08:00
08:00 09:00 10:00 11:00 12:00 13:00 14:00 15:00 16:00 17:00 18:00 19:00
19:00
08:00 09:00 10:00 11:00 12:00 13:00 14:00 15:00 16:00 17:00 18:00 19:00

Мы постараемся перезвонить в указанное время

Если вы не хотите ждать, то звоните нашим вежливым консультантам:

8 800 100-2-700
Подтвердите, что вы не робот
Подтвердите, что вы не робот
Спасибо!

Ваше сообщение успешно отправлено!

ЗакрытьПовторить попытку