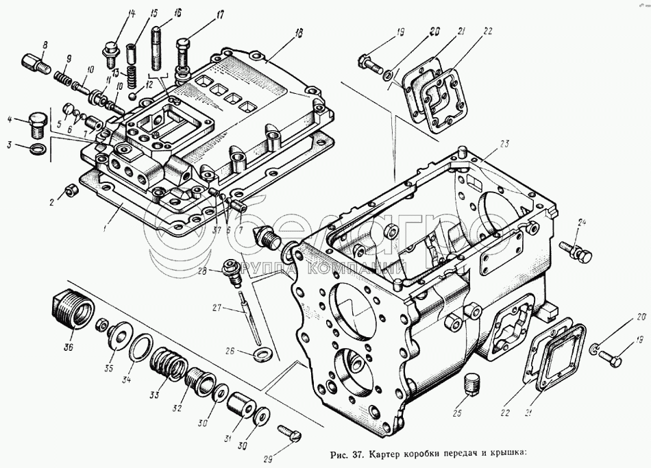
Каталог запасных частей к технике: ЗИЛ-133ГЯ. Картер коробки передач и крышка

zoom-in zoom-out enlarge shrink circle-right circle-left file-text2 info cart arraw right arraw left zoom out zoom in arraw maximize arraw minimize
1
2
3
4
5
6
6
7
7
8
9
10
10
11
12
13
14
15
16
17
18
19
19
20
20
21
22
22
23
24
25
26
27
28
29
30
30
31
31
32
33
34
35
36
37
1/02984/60
Прокладка
В узле: 6
1/13070/21
Болт
В узле: 3
14.1702182
Штифт установочный верхней крышки коробки передач в сборе
В узле: 2
14.1702184
Штифт установочный
В узле: 2
1/26386/01
Шайба плоская
В узле: 12
14.1702170
Стакан коробки передач в сборе
В узле: 1
14.1702173
Сетка
В узле: 1
14.1701306
Пробка сливная с магнитом в сборе
В узле: 1
870884-П29
Пробка КГ 1/8"
В узле: 1
141.1702005
Механизм переключения передач с опорой рычага в сборе
В узле: 1
1/21647/21
Гайка
В узле: 4
1/55400/23
Болт-заглушка резьбовых отверстий
В узле: 6
14.1702010
Механизм переключения передач в сборе
В узле: 1
1/58962/11
Гайка
В узле: 1
14.1701010
Картер коробки передач в сборе
В узле: 1
14.1702172
Колпак корпуса сапуна
В узле: 1
14.1702186
Кольцо запорное штифта
В узле: 2
14.1702171
Корпус сапуна
В узле: 1
14.1702013
Крышка коробки передач верхняя в сборе
В узле: 1
14.1701308
Магнит с основанием в сборе
В узле: 1
1
14.1702014
Прокладка верхней крышки
В узле: 1
2
1/43289/40
Заглушка чашечная
В узле: 3
3
1/02570/60
Прокладка 16х22х1,5
В узле: 1
4
1/03007/71
Пробка с наружной резьбой верхней крышки
В узле: 1
5
1/43285/40
Заглушка чашечная
В узле: 1
6
14.1702083
Шарик 9,525 мм замка штоков
В узле: 4
7
14.1702090
Втулка шарика замка штоков
В узле: 2
8
14.1702132
Стакан пружины предохранителя включения 1-й передачи и заднего хода
В узле: 1
9
14.1702127
Пружина предохранителя включения 1-й передачи и заднего хода
В узле: 1
10
14.1702129
Предохранитель включения 1-й передачи и заднего хода
В узле: 2
11
14.1702022
Втулка предохранителя включения 1-й передачи и заднего хода
В узле: 1
12
14.1702100
Шарик 12,7 мм
В узле: 3
13
14.1702106
Пружина стопорная шарика
В узле: 3
14
870024-П29
Болт
В узле: 1
15
14.1702088
Стакан стопорного шарика
В узле: 3
16
1/35464/21
Шпилька крепления опоры
В узле: 4
17
1/12880/21
Болт
В узле: 8
18
14.1702015
Крышка коробки передач верхняя
В узле: 1
19
1/59703/21
Болт крышки люка
В узле: 12
20
1/05168/73
Шайба пружинная
В узле: 12
21
14.1701020
Крышка люка коробки отбора мощности
В узле: 2
22
14.1701021
Прокладка крышки люка
В узле: 2
23
14.1701015
Картер коробки передач
В узле: 1
24
14.1701350
Рым-болт
В узле: 2
25
262513-П2
Пробка сливная
В узле: 1
26
870632-П
Шайба уплотнительная пробки указателя уровня масла
В узле: 1
27
14.1701444
Стержень указателя уровня масла
В узле: 1
28
14.1701442
Пробка резьбовая указателя уровня масла
В узле: 1
29
1/03776/03
Винт крепления магнита
В узле: 1
30
870637-П2
Шайба магнита
В узле: 2
31
14.1701310
Магнит
В узле: 1
32
14.1701313
Кожух магнита
В узле: 1
33
14.170.1314
Кольцо пружинное магнита
В узле: 7
34
14.1701315
Кольцо запорное магнита
В узле: 1
35
14.1701312
Основание магнита
В узле: 1
36
14.1701316
Пробка КГ 1/4"
В узле: 1
37
870760-П2
Штифт замка штоков
В узле: 1
Содержащиеся в справочниках-каталогах запасные части и детали не предлагаются к продаже, а носят исключительно информационный характер

Ваша заявка была отправлена. В ближайшее время наши специалисты с Вами свяжутся по указанному Вами телефону.

Представьтесь
Поле обязательно для заполнения
Ваш телефон
Введите правильный номер телефона
E-mail
Введите правильный e-mail
Тема
Тема
применяемость финансирование доставка цена, наличие другое сервис и гарантия
Время для звонка
08:00
08:00 09:00 10:00 11:00 12:00 13:00 14:00 15:00 16:00 17:00 18:00 19:00
19:00
08:00 09:00 10:00 11:00 12:00 13:00 14:00 15:00 16:00 17:00 18:00 19:00

Мы постараемся перезвонить в указанное время

Если вы не хотите ждать, то звоните нашим вежливым консультантам:

8 800 100-2-700
Подтвердите, что вы не робот
Подтвердите, что вы не робот
Спасибо!

Ваше сообщение успешно отправлено!

ЗакрытьПовторить попытку