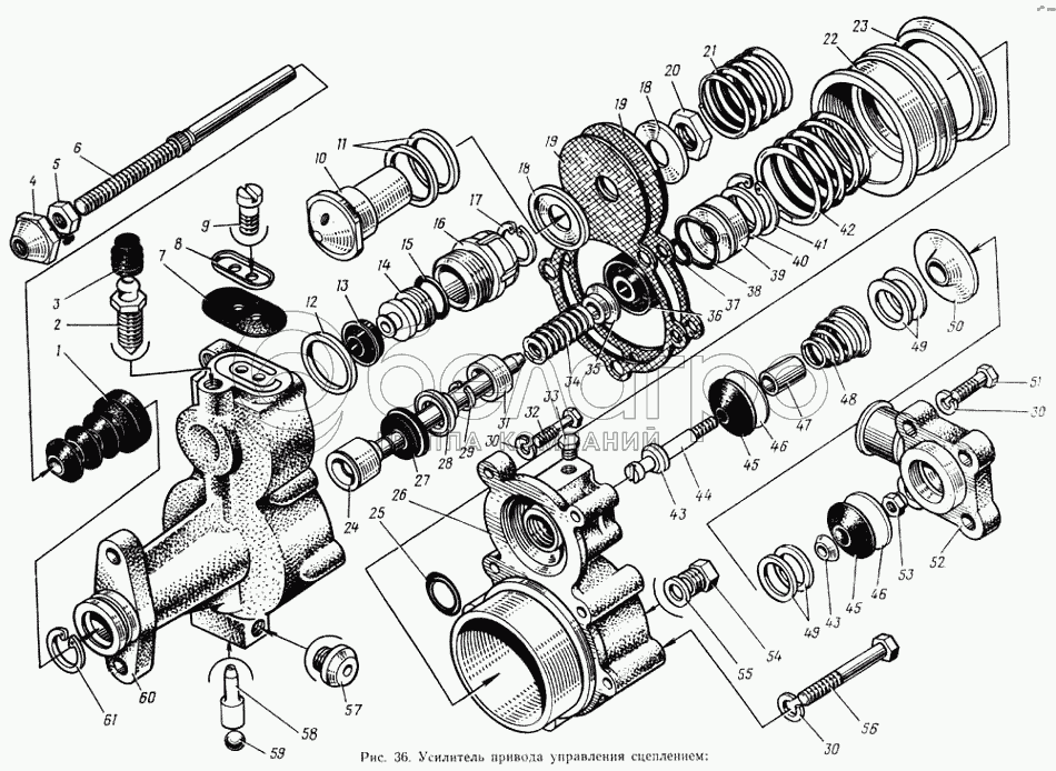
Каталог запасных частей к технике: ЗИЛ-133ГЯ. Усилитель привода управления сцеплением

zoom-in zoom-out enlarge shrink circle-right circle-left file-text2 info cart arraw right arraw left zoom out zoom in arraw maximize arraw minimize
1
2
3
4
5
6
7
8
9
10
11
12
13
14
15
16
17
18
18
19
19
20
21
22
23
24
25
26
27
28
29
30
30
30
31
32
33
34
35
36
37
38
39
40
41
42
43
43
44
45
45
46
46
47
48
49
49
50
51
52
53
54
55
56
57
58
59
60
61
133ВЯ-1609570
Диафрагма редуктора в сборе
В узле: 1
5320-1609525
Втулка заднего корпуса пневмогидравлического усилителя
В узле: 1
133ВЯ-1609556
Уплотнение поршня выключения сцепления в сборе
В узле: 1
133ВЯ-1609599
Пята опорная пневматического поршня
В узле: 1
133ВЯ-1609534
Поршень следящий редуктора с корпусом в сборе
В узле: 1
5320-1609536
Поршень следящий редуктора пневмогидравлического усилителя в сборе
В узле: 1
133ВЯ-1609552
Поршень усилителя выключения сцепления в сборе
В узле: 1
133ВЯ-1609516
Корпус пневмогидравлического усилителя задний в сборе
В узле: 1
133ВЯ-1609578
Клапан редуктора усилителя в сборе
В узле: 1
133ВЯ-1609592
Поршень пневматический в сборе
В узле: 1
1
5320-1609569
Чехол защитный заднего корпуса
В узле: 1
2
133ВЯ-1609021
Клапан перепускной заднего корпуса
В узле: 1
3
5320-3401377
Колпачок перепускного клапана ПГУ
В узле: 1
4
133ВЯ-1609568
Гайка сферическая толкателя поршня
В узле: 1
5
250515-П8
Гайка
В узле: 1
6
5320-1609567
Толкатель поршня выключения сцепления
В узле: 1
7
130-3514175
Уплотнитель перепускного отверстия
В узле: 1
8
130-3514176
Крышка выпускного отверстия
В узле: 1
9
220077-П8
Винт
В узле: 1
10
133ВЯ-1609574
Седло диафрагмы редуктора
В узле: 1
11
5320-1609576
Прокладка седла диафрагмы
В узле: 2
12
864226-П
Кольцо уплотнительное корпуса следящего поршня редуктора
В узле: 1
13
5320-1609539
Манжета следящего поршня редуктора
В узле: 1
14
5320-1609537
Поршень следящий редуктора
В узле: 1
15
864225-П
Кольцо уплотнительное следящего поршня редуктора
В узле: 1
16
133ВЯ-1609543
Корпус следящего поршня редуктора
В узле: 1
17
307970-П
Кольцо стопорное
В узле: 1
18
130-3514091
Шайба диафрагмы редуктора
В узле: 2
19
5320-1609571
Диафрагма редуктора ПГУ
В узле: 2
20
130-3514219
Гайка диафрагмы
В узле: 1
21
5320-1609573
Пружина диафрагмы редуктора
В узле: 1
22
5320-1609593
Поршень пневматический
В узле: 1
23
5320-1609597
Манжета пневматического поршня ПГУ
В узле: 1
24
133ВЯ-1609553
Поршень выключения сцепления
В узле: 1
25
864236-П
Кольцо уплотнительное седла диафрагмы
В узле: 1
26
133ВЯ-1609515
Корпус пневмогидравлический усилителя передний
В узле: 1
27
864173-П
Манжета поршня выключения сцепления в сборе
В узле: 1
28
133ВЯ-1609555
Втулка распорная манжеты поршня выключения сцепления
В узле: 1
29
862814-П2
Кольцо упорное поршня выключения сцепления
В узле: 1
30
252135-П2
Шайба пружинная
В узле: 4
30
252135-П2
Шайба пружинная
В узле: 7
31
5320-1609561
Втулка упорная пружины уплотнения поршня выключения сцепления
В узле: 1
32
201462-П8
Болт
В узле: 2
33
262541-П8
Пробка коническая
В узле: 1
34
5320-1609565
Пружина распорная
В узле: 1
35
5320-1609563
Втулка распорная уплотнения поршня выключения сцепления
В узле: 1
36
864146-П
Манжета уплотнения поршня в сборе
В узле: 1
37
864235-П
Кольцо уплотнительное поршня
В узле: 1
38
864224-П
Кольцо уплотнительное корпуса
В узле: 1
39
133ВЯ-1609559
Корпус уплотнения поршня выключения сцепления
В узле: 1
40
862528-П29
Шайба корпуса уплотнения поршня
В узле: 1
41
862813-П2
Кольцо упорное уплотнения поршня
В узле: 1
42
5320-1609601
Пружина пневматического поршня
В узле: 1
43
130-3514285
Шайба клапана малая
В узле: 2
44
130-3513240-В
Стержень клапана редуктора
В узле: 1
45
130-3514211
Конус клапана редуктора
В узле: 1
46
130-3514213
Шайба клапана большая
В узле: 2
47
130-3514243
Трубка стержня клапана редуктора
В узле: 1
48
127-3514238
Пружина клапана
В узле: 1
49
127-3514237-А
Прокладка регулировочная седла клапана
В узле: 4
50
133ВЯ-1609587
Седло клапана редуктора
В узле: 1
51
201458-П8
Болт
В узле: 4
52
5320-1609611
Крышка подвода воздуха
В узле: 1
53
250462-П8
Гайка
В узле: 1
54
483023-П29
Пробка
В узле: 1
55
305877-П
Шайба
В узле: 1
56
200273-П8
Болт
В узле: 5
57
300165-П
Седло
В узле: 1
58
133ВЯ-1609521
Жиклер пневмогидравлического усилителя
В узле: 1
59
306266-П
Шарик 7,144 - 4+/-14
В узле: 1
60
133ВЯ-1609517
Корпус пневмогидравлического усилителя задний
В узле: 1
61
307970-П
Кольцо стопорное
В узле: 1
Содержащиеся в справочниках-каталогах запасные части и детали не предлагаются к продаже, а носят исключительно информационный характер

Ваша заявка была отправлена. В ближайшее время наши специалисты с Вами свяжутся по указанному Вами телефону.

Представьтесь
Поле обязательно для заполнения
Ваш телефон
Введите правильный номер телефона
E-mail
Введите правильный e-mail
Тема
Тема
применяемость финансирование доставка цена, наличие другое сервис и гарантия
Время для звонка
08:00
08:00 09:00 10:00 11:00 12:00 13:00 14:00 15:00 16:00 17:00 18:00 19:00
19:00
08:00 09:00 10:00 11:00 12:00 13:00 14:00 15:00 16:00 17:00 18:00 19:00

Мы постараемся перезвонить в указанное время

Если вы не хотите ждать, то звоните нашим вежливым консультантам:

8 800 100-2-700
Подтвердите, что вы не робот
Подтвердите, что вы не робот
Спасибо!

Ваше сообщение успешно отправлено!

ЗакрытьПовторить попытку