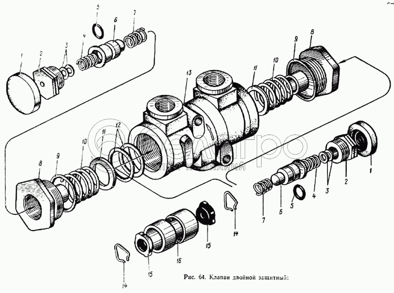
Каталог запасных частей к технике: ЗИЛ-133ГЯ. Клапан двойной защитный

zoom-in zoom-out enlarge shrink circle-right circle-left file-text2 info cart arraw right arraw left zoom out zoom in arraw maximize arraw minimize
1
1
2
2
3
3
3
4
4
5
5
6
6
7
7
8
8
9
9
10
10
11
11
12
13
14
14
15
15
16
100-3515124
Корпус клапана
В узле: 2
1
100-3515145
Колпачок защитный
В узле: 2
2
100-3515143
Пробка клапана
В узле: 2
3
100-3515141
Шайба регулировочная толщиной 0,5 мм
В узле: ---
3
100-3515139
Шайба регулировочная толщиной 1 мм
В узле: ---
4
100-3515138
Пружина
В узле: 2
5
100-3515135
О-образное кольцо
В узле: 2
6
100-3515136
Поршень малый
В узле: 2
7
100-3515125
Пружина
В узле: 2
8
100-3515132
Крышка клапана
В узле: 2
9
100-3515130
Кольцо
В узле: 2
10
100-3515128
Пружина
В узле: 2
11
100-3515127
Шайба
В узле: 2
12
100-3515121
Кольцо корпуса
В узле: 2
13
100-3515120
Корпус защитного двойного клапана
В узле: 1
14
100-3515126
Кольцо упорное
В узле: 2
15
100-3515123
Клапан поршня в сборе
В узле: 2
16
100-3515122
Поршень большой корпуса защитного двойного клапана
В узле: 1
Содержащиеся в справочниках-каталогах запасные части и детали не предлагаются к продаже, а носят исключительно информационный характер

Ваша заявка была отправлена. В ближайшее время наши специалисты с Вами свяжутся по указанному Вами телефону.

Представьтесь
Поле обязательно для заполнения
Ваш телефон
Введите правильный номер телефона
E-mail
Введите правильный e-mail
Тема
Тема
применяемость финансирование доставка цена, наличие другое сервис и гарантия
Время для звонка
08:00
08:00 09:00 10:00 11:00 12:00 13:00 14:00 15:00 16:00 17:00 18:00 19:00
19:00
08:00 09:00 10:00 11:00 12:00 13:00 14:00 15:00 16:00 17:00 18:00 19:00

Мы постараемся перезвонить в указанное время

Если вы не хотите ждать, то звоните нашим вежливым консультантам:

8 800 100-2-700
Подтвердите, что вы не робот
Подтвердите, что вы не робот
Спасибо!

Ваше сообщение успешно отправлено!

ЗакрытьПовторить попытку