Каталог запасных частей к технике: ЗИЛ-133ГЯ. Клапан одинарный защитный

zoom-in zoom-out enlarge shrink circle-right circle-left file-text2 info cart arraw right arraw left zoom out zoom in arraw maximize arraw minimize
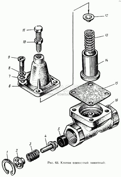
1
2
3
4
5
6
7
8
9
10
11
12
13
14
15
16
1
307758-П2
Кольцо упорное
В узле: 1
2
100-3515026
Втулка пружины
В узле: 1
3
100-3515025
Пружина
В узле: 1
4
100-3515022
Корпус клапана
В узле: 1
5
100-3515023
Кольцо клапана
В узле: 1
6
100-3515040
Крышка клапана
В узле: 1
7
100-3515049
Пластина
В узле: 1
8
305887-П2
Шайба пружинная
В узле: 4
9
302209-П29
Винт
В узле: 4
10
250510-П29
Гайка
В узле: 1
11
302204-П29
Винт крышки
В узле: 1
12
100-3515034
Тарелка пружины
В узле: 1
13
100-3515032
Пружина
В узле: 1
14
100-3515030
Поршень
В узле: 1
15
100-3515028-10
Мембрана
В узле: 1
16
100-3515020
Корпус одинарного клапана
В узле: 1
Содержащиеся в справочниках-каталогах запасные части и детали не предлагаются к продаже, а носят исключительно информационный характер

Ваша заявка была отправлена. В ближайшее время наши специалисты с Вами свяжутся по указанному Вами телефону.

Представьтесь
Поле обязательно для заполнения
Ваш телефон
Введите правильный номер телефона
E-mail
Введите правильный e-mail
Тема
Тема
применяемость финансирование доставка цена, наличие другое сервис и гарантия
Время для звонка
08:00
08:00 09:00 10:00 11:00 12:00 13:00 14:00 15:00 16:00 17:00 18:00 19:00
19:00
08:00 09:00 10:00 11:00 12:00 13:00 14:00 15:00 16:00 17:00 18:00 19:00

Мы постараемся перезвонить в указанное время

Если вы не хотите ждать, то звоните нашим вежливым консультантам:

8 800 100-2-700
Подтвердите, что вы не робот
Подтвердите, что вы не робот
Спасибо!

Ваше сообщение успешно отправлено!

ЗакрытьПовторить попытку