Каталог запасных частей к технике: ЗИЛ-133ГЯ. Механизм переключения передач

zoom-in zoom-out enlarge shrink circle-right circle-left file-text2 info cart arraw right arraw left zoom out zoom in arraw maximize arraw minimize
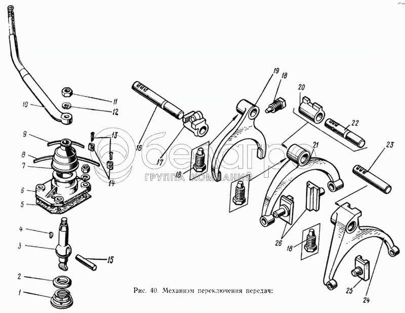
1
2
3
4
5
6
7
8
9
10
11
12
13
14
15
16
17
18
18
18
19
20
21
22
23
24
25
26
4 598 711 339
Шплинт-проволока установочного винта вилки
В узле: 2
1/13070/21
Болт
В узле: 1
1/03389/25*1
Штифт цилиндрический опоры
В узле: 2
4 598 711 335
Шплинт-проволока установочного винта вилки
В узле: 2
258252-П29
Шплинт-проволока
В узле: 1
1/26386/01
Шайба плоская
В узле: 2
1/02924/90
Хомут крепления защитного колпака
В узле: 1
1/02906/90
Хомут крепления защитного колпака
В узле: 1
141.1702114
Наконечник рычага с опорой в сборе
В узле: 1
14.1702031
Вилка переключения 4-й и 5-й передач с сухарем в сборе
В узле: 1
14.1702026
Вилка переключения 2-й и 3-й передач с сухарями в сборе
В узле: 1
870024-П29
Болт
В узле: 1
1
141.1702130
Пружина наконечника рычага
В узле: 1
2
141.1702131
Шайба пружины рычага
В узле: 1
3
141.1702119
Наконечник рычага переключения передач
В узле: 1
4
870806-П2
Шпонка сегментная
В узле: 1
5
14.1702122
Прокладка фланца верхней крышки
В узле: 1
6
141.1702121
Опора рычага
В узле: 1
7
141.1702133
Колпак защитный опоры
В узле: 1
8
1/02897/01
Лента хомута
В узле: 1
9
1/02883/01
Лента хомута
В узле: 1
10
15.1702118
Рычаг переключения передач
В узле: 1
11
1/40547/12
Гайка
В узле: 1
12
1/05171/77
Шайба пружинная
В узле: 1
13
1/02929/11
Шплинт хомута
В узле: 2
14
1/02898/01
Пряжка хомута
В узле: 2
15
870756-П2
Штифт
В узле: 1
16
14.1702060
Шток вилки переключения 1-й передачи и заднего хода
В узле: 1
17
14.1702053
Головка штока вилки переключения 1-й передачи и заднего хода
В узле: 1
18
14.1702025
Винт установочный
В узле: 5
19
14.1702024
Вилка переключения 1-й передачи и заднего хода
В узле: 1
20
14.1702028
Головка штока вилки переключения 2-й и 3-й передач
В узле: 1
21
14.1702027
Вилка переключения 2-й и 3-й передач
В узле: 1
22
14.1702064
Шток вилки переключения 2-й и 3-й передач
В узле: 1
23
14.1702074
Шток вилки переключения 4-й и 5-й передач
В узле: 1
24
14.1702033
Вилка переключения 4-й и 5-й передач
В узле: 1
25
14.1702035
Сухарь вилки переключения 4-й и 5-й передач
В узле: 2
26
14.1702029
Сухарь вилки переключения 2-й и 3-й передач
В узле: 2
Содержащиеся в справочниках-каталогах запасные части и детали не предлагаются к продаже, а носят исключительно информационный характер

Ваша заявка была отправлена. В ближайшее время наши специалисты с Вами свяжутся по указанному Вами телефону.

Представьтесь
Поле обязательно для заполнения
Ваш телефон
Введите правильный номер телефона
E-mail
Введите правильный e-mail
Тема
Тема
применяемость финансирование доставка цена, наличие другое сервис и гарантия
Время для звонка
08:00
08:00 09:00 10:00 11:00 12:00 13:00 14:00 15:00 16:00 17:00 18:00 19:00
19:00
08:00 09:00 10:00 11:00 12:00 13:00 14:00 15:00 16:00 17:00 18:00 19:00

Мы постараемся перезвонить в указанное время

Если вы не хотите ждать, то звоните нашим вежливым консультантам:

8 800 100-2-700
Подтвердите, что вы не робот
Подтвердите, что вы не робот
Спасибо!

Ваше сообщение успешно отправлено!

ЗакрытьПовторить попытку