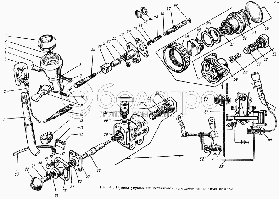
Каталог запасных частей к технике: ЗИЛ-133ГЯ. Привод управления механизмом переключения делителя передач

zoom-in zoom-out enlarge shrink circle-right circle-left file-text2 info cart arraw right arraw left zoom out zoom in arraw maximize arraw minimize
1
2
2
3
4
5
6
7
8
9
10
11
12
13
13
14
15
16
17
18
19
20
21
22
23
24
24
25
26
27
28
29
30
31
32
33
34
35
36
37
38
39
40
41
42
43
44
45
46
46
47
48
49
50
51
52
53
54
55
56
57
58
59
60
61
62
63
64
15.1772160-10
Трос крана с золотником в сборе
В узле: 1
1/60444/21
Болт
В узле: 4
870771-П15
Штифт
В узле: 1
258252-П29
Шплинт-проволока
В узле: 1
1/05196/01
Шайба плоская
В узле: 4
1/02844/60
Прокладка 10х16х1,5
В узле: 4
1/02800/60
Шайба уплотнительная
В узле: 1
15.1772179-10
Трубка защитная
В узле: 1
15.1772152-10
Трос крана управления с оболочкой и крышкой в сборе
В узле: 1
15.1772298
Скоба крепления воздухопровода в сборе
В узле: 2
870929-П
Скоба крепления воздухопровода
В узле: 2
14.1702173
Сетка
В узле: 3
15.1772206
Пружина фиксатора
В узле: 1
1/02795/60
Прокладка уплотнительная
В узле: 1
33.1110117
Пломба
В узле: 1
15.1772174-10
Оболочка направляющая троса с гайками в сборе
В узле: 1
1/09026/21
Болт
В узле: 2
1/60432/21
Болт
В узле: 2
15.1772169
Обойма фильтра
В узле: 1
1/60438/21
Болт
В узле: 1
870018-П29
Болт наконечника
В узле: 2
33.1110036
Ввертыш
В узле: 1
15.1772196
Вкладыш рычага переключения передач
В узле: 1
15.1772198
Вкладыш фиксатора переключателя
В узле: 1
15.1772294
Воздухопровод от клапана включения делителя к крану управления
В узле: 1
15.1772274-10
Воздухопровод от редукционного клапана к клапану включения делителя
В узле: 1
15.1772072
Направляющая упора клапана
В узле: 1
740.1104364
Наконечник воздухопровода
В узле: 2
15.1772130-10
Кран управления делителем передач с рычагом переключения передач в сборе
В узле: 1
15.1772140-10
Корпус крана с гнездами золотника в сборе
В узле: 1
15.1772178-10
Каркас направляющей оболочки троса
В узле: 1
15.1772050
Клапан впускной редукционного клапана в сборе
В узле: 1
1
15.1702118
Рычаг переключения передач
В узле: 1
2
15.1772180
Гайка ограничительная
В узле: 2
3
15.1772212
Крышка корпуса переключателя боковая в сборе
В узле: 1
4
15.1772214
Винт установочный корпуса переключателя
В узле: 2
5
15.17722190
Корпус переключения крана управления делителем в сборе
В узле: 1
6
870514-П29
Гайка крепления корпуса переключателя
В узле: 1
7
15.1772218
Крышка корпуса переключателя верхняя
В узле: 1
8
1/26010/73
Шайба волнистая
В узле: 2
9
870358-П13
Винт крепления крышки
В узле: 2
10
15.1772205
Шарик фиксатора 0,5 мм
В узле: 2
11
15.1772202
Переключатель крана управления делителем
В узле: 1
12
15.1772175-10
Трос крана
В узле: 1
13
1/21708/90
Хомут для крепления троса
В узле: 2
13
15.1772224
Хомут для крепления троса
В узле: 1
14
1/03894/03
Винт крепления хомута
В узле: 1
15
1/26052/73
Шайба зубчатая
В узле: 1
16
1/21701/11
Шплинт хомута
В узле: 2
17
1/21702/01
Пряжка хомута
В узле: 2
18
1/05164/73
Шайба пружинная
В узле: 4
19
1/09023/21
Болт крепления крышки клапана
В узле: 4
20
1/07342/01
Шплинт разводной
В узле: 1
21
15.1772058
Ограничитель штока клапана
В узле: 1
22
15.1772068
Пылепредохранитель штока клапана
В узле: 1
23
1/21716/01
Лента хомута
В узле: 2
24
15.1772052
Кольцо уплотнительное
В узле: 2
25
15.1772062
Крышка клапана
В узле: 1
26
870633-П29
Шайба упорная штока клапана
В узле: 1
27
15.1772066
Прокладка крышки клапана
В узле: 1
28
15.1772046
Шток клапана
В узле: 1
29
15.1772048
Пружина штока клапана
В узле: 1
30
15.1772044
Корпус клапана включения делителя передач
В узле: 1
31
15.1772370
Сапун в сборе
В узле: 1
32
15.1772051
Корпус впускного клапана
В узле: 1
33
15.1772124
Пружина впускного клапана
В узле: 1
34
15.1772122
Корпус пружины впускного клапана
В узле: 1
35
15.1772177-10
Оболочка направляющая троса в сборе
В узле: 1
36
870904-П29
Гайка соединительная
В узле: 1
37
1/61023/11
Гайка
В узле: 2
38
1/05166/73
Шайба пружинная
В узле: 2
39
15.1772172
Крышка корпуса крана
В узле: 1
40
15.1772173
Прокладка крышки корпуса крана
В узле: 1
41
870515-П29
Гайка крепления наконечника троса
В узле: 1
42
1/11954/73
Шайба пружинная
В узле: 1
43
15.1772168
Фильтр крана в сборе
В узле: 1
44
15.1772150
Кольцо пружинное
В узле: 1
45
15.1772176
Наконечник троса
В узле: 1
46
15.1772034
Кольцо уплотнительное
В узле: 2
47
15.1772164
Золотник крана
В узле: 1
48
15.1772116
Гайка накидная корпуса
В узле: 1
49
15.1772120
Пробка крышки корпуса
В узле: 1
50
870642-П29
Шайба регулировочная
В узле: 1
51
15.1772126
Пружина уравновешивающая
В узле: 1
52
15.1772118
Крышка корпуса редукционного клапана
В узле: 1
53
15.1772127
Шайба уравновешивающей пружины
В узле: 1
54
15.1772125
Диафрагма редукционного клапана
В узле: 1
55
15.1772122
Корпус пружины впускного клапана
В узле: 1
56
15.1772124
Пружина впускного клапана
В узле: 1
57
15.1772051
Корпус впускного клапана
В узле: 1
58
15.1772123
Шток впускного клапана
В узле: 1
59
15.1772112
Корпус редукционного клапана
В узле: 1
60
15.1772100
Редукционный клапан управления механизмом переключения передач
В узле: 1
61
15.1772270-10
Воздухопровод от редукционного клапана к клапану включения делителя в сборе
В узле: 1
62
15.1772040
Клапан включения делителя передач в сборе
В узле: 1
63
15.1772290
Воздухопровод от клапана включения делителя к крану управления в сборе
В узле: 1
64
15.1772132-10
Кран управления делителем передач с тросом в сборе
В узле: 1
Содержащиеся в справочниках-каталогах запасные части и детали не предлагаются к продаже, а носят исключительно информационный характер

Ваша заявка была отправлена. В ближайшее время наши специалисты с Вами свяжутся по указанному Вами телефону.

Представьтесь
Поле обязательно для заполнения
Ваш телефон
Введите правильный номер телефона
E-mail
Введите правильный e-mail
Тема
Тема
применяемость финансирование доставка цена, наличие другое сервис и гарантия
Время для звонка
08:00
08:00 09:00 10:00 11:00 12:00 13:00 14:00 15:00 16:00 17:00 18:00 19:00
19:00
08:00 09:00 10:00 11:00 12:00 13:00 14:00 15:00 16:00 17:00 18:00 19:00

Мы постараемся перезвонить в указанное время

Если вы не хотите ждать, то звоните нашим вежливым консультантам:

8 800 100-2-700
Подтвердите, что вы не робот
Подтвердите, что вы не робот
Спасибо!

Ваше сообщение успешно отправлено!

ЗакрытьПовторить попытку