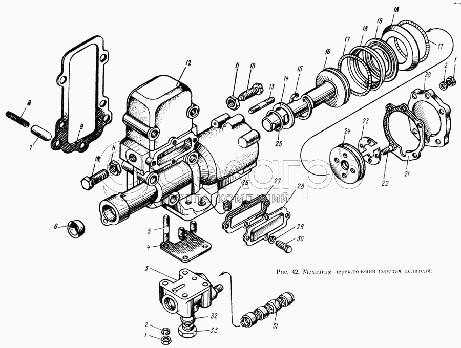
Каталог запасных частей к технике: ЗИЛ-133ГЯ. Механизм переключения передач делителя

zoom-in zoom-out enlarge shrink circle-right circle-left file-text2 info cart arraw right arraw left zoom out zoom in arraw maximize arraw minimize
1
1
2
2
3
4
5
6
7
8
9
10
10
11
11
12
13
14
15
16
17
17
18
18
19
20
21
22
23
24
25
26
27
28
29
30
31
32
33
15.1771042
Дроссель
В узле: 2
1/59713/21
Болт крепления корпуса
В узле: 5
1/35166/21
Шпилька
В узле: 2
1/05168/73
Шайба пружинная
В узле: 5
1/26386/01
Шайба плоская
В узле: 5
870701-П29
Шплинт-проволока
В узле: 2
15.1771050
Поршень цилиндра механизма переключения с манжетой в сборе
В узле: 1
33.1110117
Пломба
В узле: 2
15.1771010-10
Механизм переключения делителя передач в сборе
В узле: 1
15.1771020
Корпус механизма переключения делителя передач в сборе
В узле: 1
1
1/61008/11
Гайка
В узле: 9
2
1/05166/73
Шайба пружинная
В узле: 9
3
15.1772144-10
Корпус крана
В узле: 1
4
15.1772026
Прокладка корпуса крана
В узле: 1
5
1/35439/21
Шпилька
В узле: 4
6
1/43289/40
Заглушка чашечная
В узле: 1
7
15.1771062
Фиксатор штока поршня
В узле: 1
8
15.1771064
Пружина фиксатора штока поршня
В узле: 1
9
15.1771026
Прокладка корпуса
В узле: 1
10
870013-П29
Болт упорный рычага
В узле: 2
11
1/07913/11
Гайка низкая
В узле: 2
12
15.1771024
Корпус механизма переключения делителя передач
В узле: 1
13
1/35433/21
Шпилька
В узле: 5
14
870634-П29
Шайба проставочная
В узле: 1
15
15.1771032
Кольцо запорное
В узле: 1
16
15.1771054
Поршень цилиндра со штоком
В узле: 1
17
15.1771057
Пружина манжеты поршня цилиндра
В узле: 2
18
15.1771056
Манжета поршня цилиндра
В узле: 2
19
15.1771059
Кольцо проставочное поршня цилиндра
В узле: 1
20
15.1771074
Крышка цилиндра
В узле: 1
21
15.1771076
Прокладка крышки цилиндра
В узле: 1
22
1/09020/21
Болт
В узле: 4
23
15.1771067
Пластина стопорная болтов
В узле: 2
24
15.1771066
Кольцо упорное поршня
В узле: 1
25
14.1702232
Кольцо уплотнительное штока поршня
В узле: 1
26
262532-П29
Пробка КГ 1/4"
В узле: 1
27
15.1771036
Прокладка крышки смотрового люка
В узле: 1
28
15.1771034
Крышка смотрового люка корпуса
В узле: 1
29
1/05164/73
Шайба пружинная
В узле: 4
30
1/09020/21
Болт
В узле: 4
31
15.1772166
Гнездо золотника
В узле: 4
32
1/02800/60
Шайба уплотнительная
В узле: 1
33
33.1110036
Ввертыш
В узле: 1
Содержащиеся в справочниках-каталогах запасные части и детали не предлагаются к продаже, а носят исключительно информационный характер

Ваша заявка была отправлена. В ближайшее время наши специалисты с Вами свяжутся по указанному Вами телефону.

Представьтесь
Поле обязательно для заполнения
Ваш телефон
Введите правильный номер телефона
E-mail
Введите правильный e-mail
Тема
Тема
применяемость финансирование доставка цена, наличие другое сервис и гарантия
Время для звонка
08:00
08:00 09:00 10:00 11:00 12:00 13:00 14:00 15:00 16:00 17:00 18:00 19:00
19:00
08:00 09:00 10:00 11:00 12:00 13:00 14:00 15:00 16:00 17:00 18:00 19:00

Мы постараемся перезвонить в указанное время

Если вы не хотите ждать, то звоните нашим вежливым консультантам:

8 800 100-2-700
Подтвердите, что вы не робот
Подтвердите, что вы не робот
Спасибо!

Ваше сообщение успешно отправлено!

ЗакрытьПовторить попытку