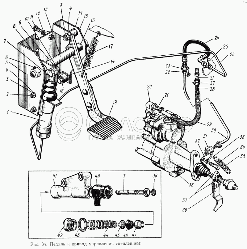
Каталог запасных частей к технике: ЗИЛ-133ГЯ. Педаль и привод управления сцеплением

zoom-in zoom-out enlarge shrink circle-right circle-left file-text2 info cart arraw right arraw left zoom out zoom in arraw maximize arraw minimize
1
2
3
3
4
4
5
6
7
7
8
9
10
11
12
13
14
14
15
16
17
18
19
20
21
21
22
23
24
25
26
27
28
29
30
31
32
33
34
35
36
37
38
39
40
41
42
43
44
45
46
47
251084-П8
Гайка
В узле: 2
220082-П8
Винт
В узле: 2
133ВЯ-1609620
Шланг подвода воздуха к пневмогидравлическому усилителю в сборе
В узле: 1
252159-П2
Шайба пружинная
В узле: 2
870852-П29
Шайба замковая
В узле: 2
15.1772084
Упор клапана включения делителя передач
В узле: 1
5320-1602518
Пружина главного цилиндра в сборе
В узле: 1
15.1772090
Пластина упора клапана малая
В узле: 1
133ВЯ-1602008
Педаль сцепления с кронштейном и главным цилиндром в сборе
В узле: 1
15.1772086
Основание упора клапана
В узле: 1
1/05343/03
Заклепка
В узле: 2
15.1772088
Пластина упора клапана средняя
В узле: 1
1
133ВЯ-1602510
Главный цилиндр управления сцеплением в сборе
В узле: 1
2
200322-П8
Болт
В узле: 2
3
250512-П8
Гайка
В узле: 2
3
250512-П8
Гайка
В узле: 2
4
252136-П2
Шайба пружинная
В узле: 2
4
252136-П2
Шайба пружинная
В узле: 2
5
133ВЯ-1602063
Кронштейн оси педали в сборе
В узле: 1
6
258071-П29
Шплинт оси педали сцепления
В узле: 1
7
133ВЯ-1602568
Толкатель поршня главного цилиндра в сборе
В узле: 1
8
133ВЯ-1602571
Палец толкателя главного цилиндра управления сцеплением
В узле: 1
9
250875-П29
Гайка
В узле: 1
10
258025-П29
Шплинт
В узле: 1
11
201678-П29
Болт
В узле: 4
12
252136-П2
Шайба пружинная
В узле: 4
13
133ВЯ-1602065
Ось педали сцепления
В узле: 1
14
133ВЯ-1602070
Ограничитель хода педали сцепления
В узле: 2
15
200320-П8
Болт крепления ограничителя хода педали сцепления
В узле: 2
16
133ВЯ-1602023
Шайба упорная ступицы педали сцепления и тормоза
В узле: 2
17
130-1602034
Пружина оттяжная педалей сцепления и тормоза
В узле: 1
18
252006-П29
Шайба
В узле: 1
19
133ВЯ-1602010
Педаль сцепления в сборе
В узле: 1
20
300388-П29
Угольник ввертной
В узле: 1
21
130-3810084
Наконечник шланга в сборе
В узле: 2
22
133ВЯ-1602603
Штуцер соединительный привода управления сцеплением
В узле: 2
23
133ВЯ-1602601
Скоба шланга привода управления сцеплением
В узле: 1
24
133ВЯ-1602590
Шланг привода управления сцеплением в сборе
В узле: 1
25
250636-П
Гайка
В узле: 2
26
133ВЯ-1602588
Трубка от главного цилиндра управления сцеплением
В узле: 1
27
288000-П8
Хомут
В узле: 2
28
138-4408251
Шланг подвода воздуха к пневмогидравлическому усилителю
В узле: 1
29
133ВЯ-1609628
Оболочка шланга
В узле: 1
30
133ВЯ-1602592
Трубка привода управления сцеплением в сборе
В узле: 1
31
133ВЯ-1609621
Переходной штуцер
В узле: 1
32
133ВЯ-1602157
Скоба оттяжной пружины рычага пилки выключения сцепления
В узле: 1
33
252137-П2
Шайба пружинная
В узле: 2
34
200395-П29
Болт
В узле: 2
35
133ВЯ-1602160
Пружина оттяжная рычага вилки выключения сцепления
В узле: 1
36
15.1772080
Упор клапана включения делителя передач в сборе
В узле: 1
37
1/61036/11
Гайка
В узле: 2
38
133ВЯ-1609510
Усилитель пневмогидравлический привода сцепления
В узле: 1
39
133ВЯ-1602573
Втулка пальца толкателя главного цилиндра
В узле: 2
40
5320-1602543
Чехол защитный главного цилиндра
В узле: 1
41
133ВЯ-1602513
Главный цилиндр управления сцеплением
В узле: 1
42
5320-1602529
Пробка главного цилиндра
В узле: 1
43
5320-1602531
Прокладка пробки главного цилиндра
В узле: 1
44
5320-1602519
Пружина главного цилиндра
В узле: 1
45
5320-1602525
Держатель пружины главного цилиндра
В узле: 1
46
5320-1602517
Манжета поршня главного цилиндра
В узле: 1
47
5320-1602515
Поршень главного цилиндра
В узле: 1
Содержащиеся в справочниках-каталогах запасные части и детали не предлагаются к продаже, а носят исключительно информационный характер

Ваша заявка была отправлена. В ближайшее время наши специалисты с Вами свяжутся по указанному Вами телефону.

Представьтесь
Поле обязательно для заполнения
Ваш телефон
Введите правильный номер телефона
E-mail
Введите правильный e-mail
Тема
Тема
применяемость финансирование доставка цена, наличие другое сервис и гарантия
Время для звонка
08:00
08:00 09:00 10:00 11:00 12:00 13:00 14:00 15:00 16:00 17:00 18:00 19:00
19:00
08:00 09:00 10:00 11:00 12:00 13:00 14:00 15:00 16:00 17:00 18:00 19:00

Мы постараемся перезвонить в указанное время

Если вы не хотите ждать, то звоните нашим вежливым консультантам:

8 800 100-2-700
Подтвердите, что вы не робот
Подтвердите, что вы не робот
Спасибо!

Ваше сообщение успешно отправлено!

ЗакрытьПовторить попытку