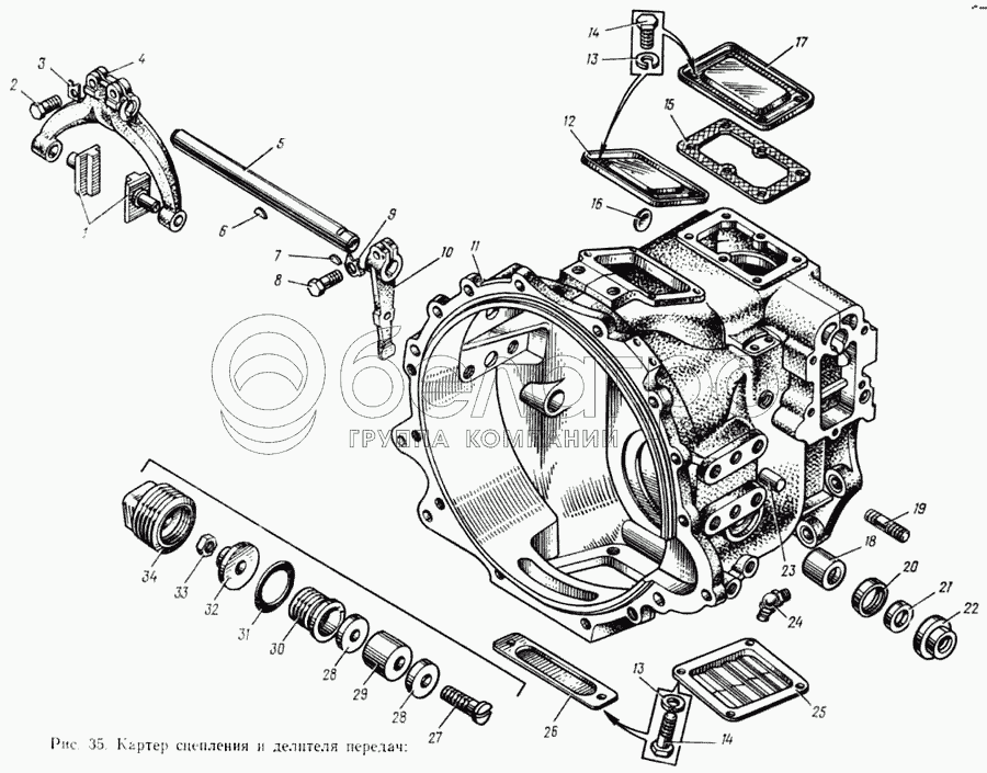
Каталог запасных частей к технике: ЗИЛ-133ГЯ. Картер сцепления и делителя передач

zoom-in zoom-out enlarge shrink circle-right circle-left file-text2 info cart arraw right arraw left zoom out zoom in arraw maximize arraw minimize
1
2
3
4
5
6
7
8
9
10
11
12
13
13
14
14
15
16
16
17
18
19
20
21
22
23
24
25
26
27
28
28
29
30
31
32
33
33
34
15.1771110
Валик вилки с рычагом в сборе
В узле: 1
1/03389/26
Штифт
В узле: 1
1/18007/31
Шпилька крепления картера делителя передач
В узле: 8
15.1771148
Шайба регулировочная
В узле: 2
1/05172/77
Шайба пружинная
В узле: 8
14.1701350
Рым-болт
В узле: 1
15.1770034
Прокладка картера делителя передач
В узле: 1
14.1701306
Пробка сливная с магнитом в сборе
В узле: 1
870884-П29
Пробка КГ 1/8"
В узле: 2
14.1701308
Магнит с основанием в сборе
В узле: 1
14.1701314
Кольцо пружинное магнита
В узле: 7
15.1770030
Картер делителя передач с втулками в сборе
В узле: 1
14.1601090-10
Диск нажимной сцепления в сборе
В узле: 1
15.1770010-10
Делитель передач в сборе
В узле: 1
15.1770040
Вал первичный делителя передач в сборе
В узле: 1
1
14.1702029
Сухарь вилки переключения 2-й и 3-й передач
В узле: 2
2
1/13070/21
Болт
В узле: 2
3
870855-П29
Шайба замковая
В узле: 2
4
15.1771094
Вилка механизма переключения делителя передач
В узле: 1
5
15.1771114
Валик вилки
В узле: 1
6
870812-П2
Шпонка сегментная
В узле: 1
7
870812-П2
Шпонка сегментная
В узле: 1
8
870026-П29
Болт стяжной рычага
В узле: 1
9
870852-П29
Шайба замковая
В узле: 1
10
15.1771122
Рычаг механизма переключения
В узле: 1
11
15.1770032
Картер делителя передач
В узле: 1
12
14.1601030
Крышка смотрового люка картера сцепления верхняя
В узле: 1
13
1/05166/73
Шайба пружинная
В узле: 6
13
1/05166/73
Шайба пружинная
В узле: 10
14
1/60432/21
Болт
В узле: 6
14
1/60432/21
Болт
В узле: 10
15
15.1770038
Прокладка крышки люка
В узле: 1
16
1/01592/06
Заглушка
В узле: 1
16
870833-П29
Заглушка
В узле: 1
17
15.1770036
Крышка люка картера делителя передач
В узле: 1
18
14.1601216
Втулка вала вилки выключения сцепления
В узле: 2
19
1/18004/21
Шпилька
В узле: 8
20
14.1601242
Кольцо уплотнительное сальника
В узле: 1
21
14.1601244
Кольцо сальника
В узле: 1
22
14.1601240
Крышка сальника вала вилки выключения сцепления
В узле: 1
23
1/04830/11
Штифт установочный
В узле: 4
24
870840-П29
Масленка
В узле: 3
25
14.1601022
Крышка смотрового люка картера нижняя
В узле: 1
26
14.1601018
Крышка люка картера сцепления передняя
В узле: 1
27
1/03776/03
Винт крепления магнита
В узле: 1
28
870637-П2
Шайба магнита
В узле: 2
29
14.1701310
Магнит
В узле: 1
30
14.1701313
Кожух магнита
В узле: 1
31
14.1701315
Кольцо запорное магнита
В узле: 2
32
14.1701312
Основание магнита
В узле: 1
33
1/21641/21
Гайка
В узле: 8
33
1/58962/11
Гайка
В узле: 1
34
14.1701316
Пробка КГ 1/4"
В узле: 1
Содержащиеся в справочниках-каталогах запасные части и детали не предлагаются к продаже, а носят исключительно информационный характер

Ваша заявка была отправлена. В ближайшее время наши специалисты с Вами свяжутся по указанному Вами телефону.

Представьтесь
Поле обязательно для заполнения
Ваш телефон
Введите правильный номер телефона
E-mail
Введите правильный e-mail
Тема
Тема
применяемость финансирование доставка цена, наличие другое сервис и гарантия
Время для звонка
08:00
08:00 09:00 10:00 11:00 12:00 13:00 14:00 15:00 16:00 17:00 18:00 19:00
19:00
08:00 09:00 10:00 11:00 12:00 13:00 14:00 15:00 16:00 17:00 18:00 19:00

Мы постараемся перезвонить в указанное время

Если вы не хотите ждать, то звоните нашим вежливым консультантам:

8 800 100-2-700
Подтвердите, что вы не робот
Подтвердите, что вы не робот
Спасибо!

Ваше сообщение успешно отправлено!

ЗакрытьПовторить попытку