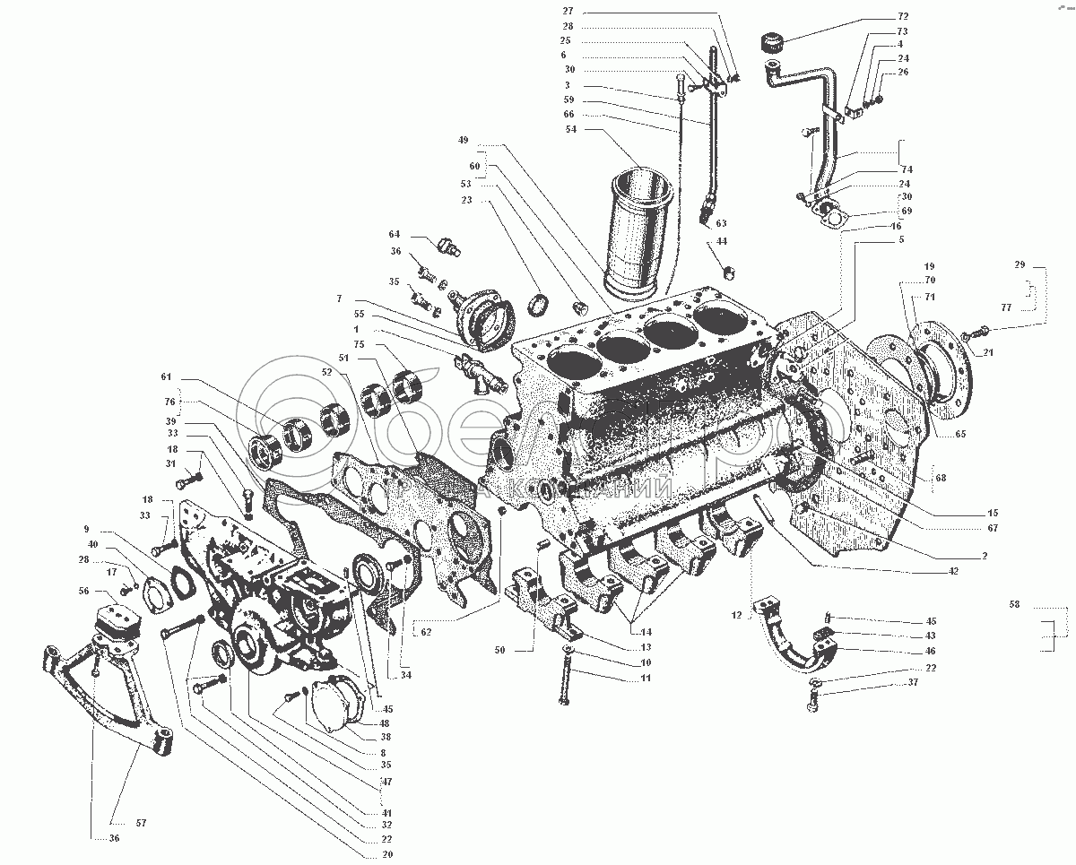
Каталог запасных частей к технике: ЗИЛ-43272Н, 43273Н. Блок цилиндров

zoom-in zoom-out enlarge shrink circle-right circle-left file-text2 info cart arraw right arraw left zoom out zoom in arraw maximize arraw minimize
1
2
3
4
5
6
7
8
9
10
11
12
13
14
15
16
17
18
18
19
20
21
22
22
23
24
24
25
26
27
28
28
29
30
30
30
31
32
33
33
34
35
35
36
36
37
38
39
40
41
42
43
44
45
45
46
47
48
49
50
51
52
53
54
55
56
57
58
59
60
61
62
63
64
65
66
67
68
69
70
71
72
73
74
75
76
77
56
240-1001025
Амортизатор
В узле: 1
240-1001025 Амортизатор МТЗ, ЗИЛ, Д-240, Д-245 опоры двигателя передний с ограничителем (подушка), (У) Под заказ 130.19 р.
240-1001025 Амортизатор МТЗ, ЗИЛ, Д-240, Д-245 опоры двигателя передний с ограничителем (подушка), (А) >10 шт. 138.97 р.
65
50-1002316-А2
Прокладка
В узле: 1
50-1002316-А2 Прокладка МТЗ корпуса сальника (паронит 0,5 мм), Беларусь >10 шт. 40.71 р.
67
240-1002314
Прокладка
В узле: 1
240-1002314 Прокладка Д-243, Д-245 блока двигателя, заднего листа, паронит 0.5 мм, РФ >10 шт. 29.63 р.
240-1002314 Прокладка МАЗ, МТЗ блока двигателя, заднего листа, Беларусь Под заказ 25.27 р.
48
240-1002038
Прокладка
В узле: 1
240-1002038 Прокладка МТЗ паронит 0,5 мм, РФ >10 шт. 8.05 р.
240-1002038 Прокладка люка МТЗ (темпсил 0.5 мм), РФ <10 шт. Нет на складе
61
240-1002067-А
Втулка
В узле: 3
240-1002067-А Втулка Д243,Д245 распределительного вала, ММЗ >10 шт. 525.31 р.
240-1002067-А Втулка Д243,Д245 распределительного вала, (А) Под заказ 107.68 р.
15
50-1005019
Штифт
В узле: 2
50-1005019 Штифт МТЗ, Д-243, Д-245 установочный блока цилиндров, ММЗ >10 шт. 131.20 р.
44
240-1002046
Штифт
В узле: 2
240-1002046 Штифт МТЗ направляющий головки блока цилиндров, ММЗ >10 шт. 103.85 р.
8
50-1022067
Кольцо уплотнительное
В узле: 2
50-1022067 Кольцо уплотнительное МТЗ форсунки Евро-2,-3, ММЗ >10 шт. 41.02 р.
4
50-1401067
Шайба
В узле: 1
50-1401067 Шайба МТЗ болта масляного картера , ММЗ >10 шт. 35.53 р.
23
240-1002328
Заглушка
В узле: 1
240-1002328 Заглушка МТЗ <10 шт. 103.85 р.
62
50-1002326-В
Заглушка
В узле: 2
50-1002326-В Заглушка Под заказ 57.41 р.
75
240-1002068-А
Втулка
В узле: 1
240-1002068-А Втулка МТЗ, ЗИЛ, Д-240, Д-245 распредвала задняя, ММЗ Под заказ 521.62 р.
240-1002068-А Втулка МТЗ, ЗИЛ, Д-240, Д-245 распредвала задняя, (А) Под заказ 105.96 р.
76
240-1002069-А
Втулка
В узле: 1
240-1002069-А Втулка МТЗ распредвала передняя, алюминиевая, (У) <10 шт. 524.59 р.
240-1002069-А Втулка МТЗ распредвала передняя, алюминиевая <10 шт. 635 р.
9
50-1021012
Прокладка
В узле: 1
50-1021012 Прокладка МТЗ маслозаливной горловины (темпсил), РФ >10 шт. Нет на складе
72
50-1002290-Б-03
Крышка
В узле: 1
50-1002290-Б-03 Крышка маслозаливной горловины ЗИЛ, ММЗ >10 шт. 414.03 р.
58
50-1002040-В
Опора картера в сборе
В узле: 1
50-1002040-В Опора МТЗ картера Под заказ 1 458.68 р.
50-1002040-В Опора МТЗ, ЗИЛ, ПАЗ картера двигателя, (А) Под заказ 348.72 р.
42
245-1002051-Б1
Трубка
В узле: 4
245-1002051-Б1 Трубка МТЗ, ЗИЛ, Д-245, Д-260 смазки поршня, ММЗ <10 шт. 230.01 р.
51
240-1002033
Прокладка
В узле: 1
240-1002033 Прокладка МТЗ (паронит 0,5 мм), РФ Под заказ 36.83 р.
240-1002033 Прокладка МТЗ щита подвески, (темпсил 0,5мм), РФ <10 шт. Нет на складе
71
240-1002300
Корпус манжеты
В узле: 1
240-1002300 Корпус Д243,Д245 заднего сальника коленвала, ММЗ <10 шт. 1 452.45 р.
52
240-1002030
Щит
В узле: 1
240-1002030 Щит Д243,Д245 распределения двигателя передний, ММЗ <10 шт. 2 956.49 р.
57
240-1001015-А1
Опора
В узле: 1
240-1001015-А1 Опора Д243, Д245 передняя двигателя Под заказ 1 704.28 р.
66
245-1002315
Указатель уровня масла
В узле: 1
245-1002315 Указатель Д-245 уровня масла, ММЗ <10 шт. 431 р.
40
240-1002062
Крышка
В узле: 1
240-1002062 Крышка МТЗ,ММЗ люка крышки распределительных шестерен, ММЗ Под заказ 128.32 р.
38
245-1002036
Крышка
В узле: 1
245-1002036 Крышка МТЗ люка ММЗ <10 шт. 523.10 р.
74
245-1002085-Б1
Горловина
В узле: 1
245-1002085-Б1 Горловина Д-245 маслозаливная, ММЗ <10 шт. 3 284.59 р.
64
50-1002318-Б
Рым
В узле: 2
50-1002318-Б Рым-болт Под заказ 493.93 р.
50
50-1002034
Штифт установочный
В узле: 2
50-1002034 Штифт МТЗ (d=12мм, l=30мм), ММЗ Под заказ 109.36 р.
46
50-1002042-В
Опора картера
В узле: 1
50-1002042-В Опора МТЗ двигателя Под заказ 1 392.79 р.
10
50-1005161
Шайба
В узле: 1
50-1005161 Шайба МТЗ Под заказ 43.75 р.
45
240-1002044
Штифт
В узле: 1
240-1002044 Штифт МТЗ,ММЗ крышки распределения блока цилиндров, ММЗ Под заказ 71.03 р.
245-1002060-А-03
Крышка распределительных шестерен с манжетой в сборе
В узле: ---
245-1002009-Б
Блок цилиндров с крышками подшипников и втулками в сборе
В узле: ---
1
130-1015370-Б
Кран сливной в сборе
В узле: 1
2
245-1002331
Пробка
В узле: 1
3
50-4609038
Кольцо уплотнительное
В узле: 1
5
1/2 А12.016
Пробка
В узле: 1
6
245-1118052
Хомут
В узле: 1
7
245-1118020
Крышка
В узле: 1
11
50-1005159-Б1
Болт
В узле: 1
12
50-1005152-В
Крышка 5-го подшипника
В узле: 1
13
50-1005141-Б
Крышка 1-го подшипника
В узле: 1
14
50-1005140-Б
Крышка коренного подшипника
В узле: 3
16
245-1002506
Прокладка
В узле: 1
17
М6-6gх16.88.35.019
Болт
В узле: 1
18
10.65Г.06
Шайба
В узле: 1
19
245-1002640
Фланец подводящий
В узле: 1
20
М10-6gх75.88.35.019
Болт
В узле: 1
21
120Т.65Г.06
Шайба
В узле: 3
22
12.65Г.06
Шайба
В узле: 1
24
8.65Г.06
Шайба
В узле: 1
25
245-1002327-Б
Планка
В узле: 1
26
М8-6Н.6.019
Гайка
В узле: 1
27
М6-6Н.6.019
Гайка
В узле: 1
28
6.65Г.06
Шайба
В узле: 2
29
М12-6gх30.88.35.019
Болт
В узле: 4
30
М8-6gх16.88.35.019
Болт
В узле: 1
31
М10-6gх60.88.35.019
Болт
В узле: 1
32
М10-6gх45.88.35.019
Болт
В узле: 1
33
М10-6gх30.88.35.019
Болт
В узле: 1
34
М10-6gх20.88.35.019
Болт
В узле: 1
35
М8-6gх25.88.35.019
Болт
В узле: 1
36
М8-6gх20.88.35.019
Болт
В узле: 1
37
М12-6gх35.88.35.019
Болт
В узле: 2
39
240-1002064-А
Прокладка
В узле: 1
41
240-1002055
Манжета
В узле: 1
43
240-1002049
Прокладка
В узле: 2
47
240-1002065-А-01
Крышка шестерен
В узле: 1
49
245-1002022-А
Кольцо гильзы
В узле: 3
53
50-1002327-А1
Пробка
В узле: 1
54
245-1002021
Гильза блока цилиндров
В узле: 1
55
240-1002444-А
Прокладка
В узле: 1
59
245-1002325
Трубка
В узле: 1
60
240-1002015-А2-01
Блок цилиндров
В узле: 1
63
245-1002323
Штуцер
В узле: 1
68
245-1002313-Б-02
Задний лист
В узле: 1
69
240-1002082-А1
Прокладка
В узле: 1
70
240-1002305
Манжета
В узле: 1
73
245-1002087
Упор
В узле: 1
77
240-1002310
Манжета в сборе
В узле: 1
Содержащиеся в справочниках-каталогах запасные части и детали не предлагаются к продаже, а носят исключительно информационный характер

Ваша заявка была отправлена. В ближайшее время наши специалисты с Вами свяжутся по указанному Вами телефону.

Представьтесь
Поле обязательно для заполнения
Ваш телефон
Введите правильный номер телефона
E-mail
Введите правильный e-mail
Тема
Тема
применяемость финансирование доставка цена, наличие другое сервис и гарантия
Время для звонка
08:00
08:00 09:00 10:00 11:00 12:00 13:00 14:00 15:00 16:00 17:00 18:00 19:00
19:00
08:00 09:00 10:00 11:00 12:00 13:00 14:00 15:00 16:00 17:00 18:00 19:00

Мы постараемся перезвонить в указанное время

Если вы не хотите ждать, то звоните нашим вежливым консультантам:

8 800 100-2-700
Подтвердите, что вы не робот
Подтвердите, что вы не робот
Спасибо!

Ваше сообщение успешно отправлено!

ЗакрытьПовторить попытку