Каталог запасных частей к технике: ЗИЛ-43272Н, 43273Н. Двигатель и подвеска

zoom-in zoom-out enlarge shrink circle-right circle-left file-text2 info cart arraw right arraw left zoom out zoom in arraw maximize arraw minimize
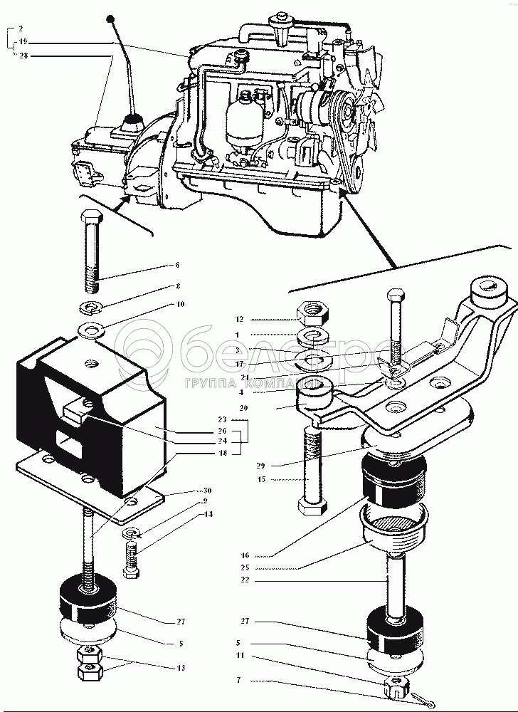
1
2
3
4
5
5
6
7
8
9
10
11
12
13
14
15
16
17
18
19
20
21
22
23
24
25
26
27
27
28
29
30
1
252141-П2
Шайба пружинная
В узле: 1
2
432720-1000250-30
Силовой агрегат
В узле: 1
3
305883-П8
Шайба
В узле: 1
4
305790-П29
Шайба
В узле: 1
5
305729-П29
Шайба
В узле: 1
6
301578-П29
Болт
В узле: 2
7
258041-П29
Шплинт
В узле: 1
8
252139-П2
Шайба пружинная
В узле: 1
9
252137-П2
Шайба пружинная
В узле: 2
10
252017-П29
Шайба
В узле: 1
11
250869-П29
Гайка
В узле: 1
12
250639-П8
Гайка
В узле: 1
13
250615-П29
Гайка
В узле: 3
14
201567-П29
Болт
В узле: 1
15
200959-П8
Болт
В узле: 1
16
130-1001045
Подушка опоры двигателя верхняя
В узле: 1
17
301344-П29
Болт
В узле: 1
18
В-39050
Шпилька
В узле: 1
19
432720-1000400-30
Двигатель в сборе
В узле: 1
20
432720-1001015
Кронштейн передней опоры двигателя
В узле: 1
21
130-1001038
Фиксатор болтов передней опоры двигателя
В узле: 1
22
130-1001047
Втулка распорная
В узле: 2
23
В-39045
Подушка задней опоры двигателя в сборе
В узле: 2
24
В-39049
Пластина
В узле: 2
25
130-1001033
Гнездо верхней подушки подвески двигателя
В узле: 1
26
В-39046
Подушка задней опоры двигателя
В узле: 1
27
130-1001051
Подушка опоры двигателя нижняя
В узле: 2
28
432730-1700010-10
Коробка передач в сборе
В узле: 1
29
130-1001205-А
Колпак защитный верхних подушек передней опоры двигателя
В узле: 1
30
В-39048
Накладка
В узле: 1
Содержащиеся в справочниках-каталогах запасные части и детали не предлагаются к продаже, а носят исключительно информационный характер

Ваша заявка была отправлена. В ближайшее время наши специалисты с Вами свяжутся по указанному Вами телефону.

Представьтесь
Поле обязательно для заполнения
Ваш телефон
Введите правильный номер телефона
E-mail
Введите правильный e-mail
Тема
Тема
применяемость финансирование доставка цена, наличие другое сервис и гарантия
Время для звонка
08:00
08:00 09:00 10:00 11:00 12:00 13:00 14:00 15:00 16:00 17:00 18:00 19:00
19:00
08:00 09:00 10:00 11:00 12:00 13:00 14:00 15:00 16:00 17:00 18:00 19:00

Мы постараемся перезвонить в указанное время

Если вы не хотите ждать, то звоните нашим вежливым консультантам:

8 800 100-2-700
Подтвердите, что вы не робот
Подтвердите, что вы не робот
Спасибо!

Ваше сообщение успешно отправлено!

ЗакрытьПовторить попытку