Каталог запасных частей к технике: ЗИЛ-43272Н, 43273Н. Отопитель

zoom-in zoom-out enlarge shrink circle-right circle-left file-text2 info cart arraw right arraw left zoom out zoom in arraw maximize arraw minimize
1
1
2
3
3
4
4
4
5
6
7
8
9
10
11
12
13
13
14
14
15
16
16
17
18
18
19
19
20
21
21
22
23
24
25
26
27
28
29
30
31
32
33
34
34
35
36
37
38
39
40
41
41
42
43
43
44
44
45
46
47
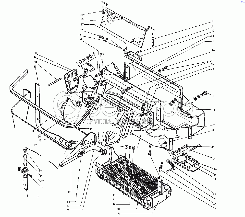
5301-8101010
Отопитель в сборе
В узле: ---
1
250464-П29
Гайка
В узле: 1
2
220084-П29
Винт
В узле: 1
3
220080-П29
Винт
В узле: 1
4
201458-П29
Болт
В узле: 1
5
201422-П29
Болт
В узле: 1
6
4331-8120546-10
Шланг угловой
В узле: 1
7
4331-8120061
Трубка сливная
В узле: 1
8
5301-8118292
Уплотнитель
В узле: 1
9
250510-П29
Гайка
В узле: 1
10
301047-П29
Болт
В узле: 1
11
5301-8120522
Переходник
В узле: 1
12
251084-П29
Гайка
В узле: 1
13
252003-П29
Шайба
В узле: 1
14
252036-П29
Шайба
В узле: 1
15
252037-П29
Шайба
В узле: 1
16
252038-П29
Шайба
В узле: 1
17
45 9642 1026
Винт
В узле: 1
18
252135-П2
Шайба пружинная
В узле: 1
19
252133-П2
Шайба пружинная
В узле: 1
20
288003-П29
Хомут
В узле: 1
21
487108
Хомут
В узле: 1
22
4331-8118265
Втулка патрубка
В узле: 1
23
260003-П29
Палец
В узле: 1
24
5301-8101240
Кронштейн отопителя правый в сборе
В узле: 1
25
4331-8118263
Патрубок кожуха
В узле: 1
26
258000-П29
Шплинт
В узле: 1
27
121-1107274
Зажим троса
В узле: 1
28
5301-8101013
Радиатор в сборе
В узле: 1
29
5301-8101123
Уплотнитель отопителя
В узле: 1
30
5301-8101173
Кожух отопителя передняя половина
В узле: 1
31
5301-8101233
Кронштейн радиатора
В узле: 1
32
5301-8101241
Кронштейн отопителя левый в сборе
В узле: 1
33
5301-8101262
Заслонка свежего воздуха с осью в сборе
В узле: 1
34
4331-8101281
Пружина заслонки
В узле: 1
35
5301-8101285
Накладка оси заслонки
В узле: 1
36
5301-8118010
Вентилятор отопителя в сборе
В узле: 1
37
5301-8101174
Кожух отопителя задняя половина
В узле: 1
38
5301-8118244
Кожух вентилятора с патрубками в сборе
В узле: ---
38
5301-8118245
Кожух вентилятора
В узле: 1
39
5301-8101299
Кронштейн прижима троса
В узле: 1
40
131М-8102087
Патрубок
В узле: 1
41
4331-8101907
Ось заслонки
В узле: 1
42
4331-8101905
Пружина заслонки
В узле: 1
43
4331-8101903
Фиксатор заслонки
В узле: 1
44
4331-8101897
Заслонка отопителя
В узле: 1
45
4331-8101887
Упор заслонки отопителя
В узле: 1
46
164-8101353
Уплотнитель трубки радиатора
В узле: 1
47
5301-8118247
Уплотнитель кожуха
В узле: 1
Содержащиеся в справочниках-каталогах запасные части и детали не предлагаются к продаже, а носят исключительно информационный характер

Ваша заявка была отправлена. В ближайшее время наши специалисты с Вами свяжутся по указанному Вами телефону.

Представьтесь
Поле обязательно для заполнения
Ваш телефон
Введите правильный номер телефона
E-mail
Введите правильный e-mail
Тема
Тема
применяемость финансирование доставка цена, наличие другое сервис и гарантия
Время для звонка
08:00
08:00 09:00 10:00 11:00 12:00 13:00 14:00 15:00 16:00 17:00 18:00 19:00
19:00
08:00 09:00 10:00 11:00 12:00 13:00 14:00 15:00 16:00 17:00 18:00 19:00

Мы постараемся перезвонить в указанное время

Если вы не хотите ждать, то звоните нашим вежливым консультантам:

8 800 100-2-700
Подтвердите, что вы не робот
Подтвердите, что вы не робот
Спасибо!

Ваше сообщение успешно отправлено!

ЗакрытьПовторить попытку