Каталог запасных частей к технике: ЗИЛ-43272Н, 43273Н. Привод управления отоплением

zoom-in zoom-out enlarge shrink circle-right circle-left file-text2 info cart arraw right arraw left zoom out zoom in arraw maximize arraw minimize
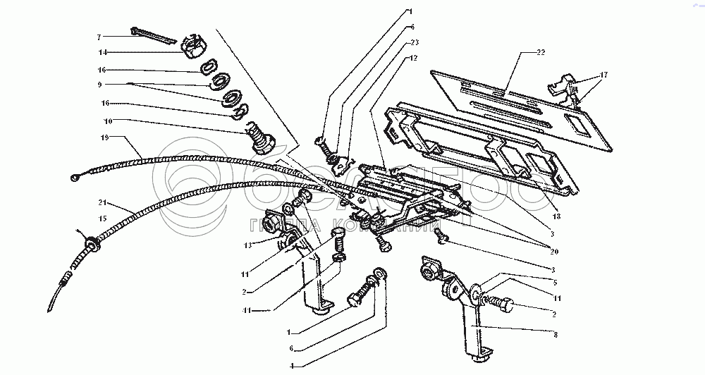
1
1
3
3
4
5
6
6
7
8
9
10
11
11
11
12
13
14
15
16
16
17
18
19
20
21
22
23
4331-8109527
Сухарь привода
В узле: ---
4331-8109081
Пружина фиксатора
В узле: ---
1
301047-П29
Болт
В узле: 1
3
220052-П29
Винт
В узле: 1
4
252036-П29
Шайба
В узле: 1
5
252037-П29
Шайба
В узле: 1
6
252133-П2
Шайба пружинная
В узле: 1
7
258013-П29
Шплинт
В узле: 1
8
4331-8109437
Кронштейн привода левый в сборе
В узле: 1
9
305546-П
Шайба
В узле: 1
10
301582-П29
Болт
В узле: 1
11
252134-П2
Шайба пружинная
В узле: 1
12
4331-8109022
Корпус привода с направляющими в сборе
В узле: 1
13
4331-8109436
Кронштейн привода правый в сборе
В узле: 1
14
45 9553 1505
Гайка
В узле: 1
15
130-1310477
Втулка оболочки тяги жалюзи радиатора
В узле: 1
16
140-7312046
Шайба оси пружинная зубчатая
В узле: 1
17
4331-8109044
Ручка привода
В узле: 1
18
4331-8109065
Панель привода
В узле: 1
19
5301-8109114
Трос заслонки отопления в сборе
В узле: 1
20
4331-8109174
Рычаг в сборе
В узле: 1
21
5301-8109196
Трос крана отопления в сборе
В узле: 1
22
4331-8109229
Шкала привода
В узле: 1
23
121-1107274
Зажим троса
В узле: 1
Содержащиеся в справочниках-каталогах запасные части и детали не предлагаются к продаже, а носят исключительно информационный характер

Ваша заявка была отправлена. В ближайшее время наши специалисты с Вами свяжутся по указанному Вами телефону.

Представьтесь
Поле обязательно для заполнения
Ваш телефон
Введите правильный номер телефона
E-mail
Введите правильный e-mail
Тема
Тема
применяемость финансирование доставка цена, наличие другое сервис и гарантия
Время для звонка
08:00
08:00 09:00 10:00 11:00 12:00 13:00 14:00 15:00 16:00 17:00 18:00 19:00
19:00
08:00 09:00 10:00 11:00 12:00 13:00 14:00 15:00 16:00 17:00 18:00 19:00

Мы постараемся перезвонить в указанное время

Если вы не хотите ждать, то звоните нашим вежливым консультантам:

8 800 100-2-700
Подтвердите, что вы не робот
Подтвердите, что вы не робот
Спасибо!

Ваше сообщение успешно отправлено!

ЗакрытьПовторить попытку