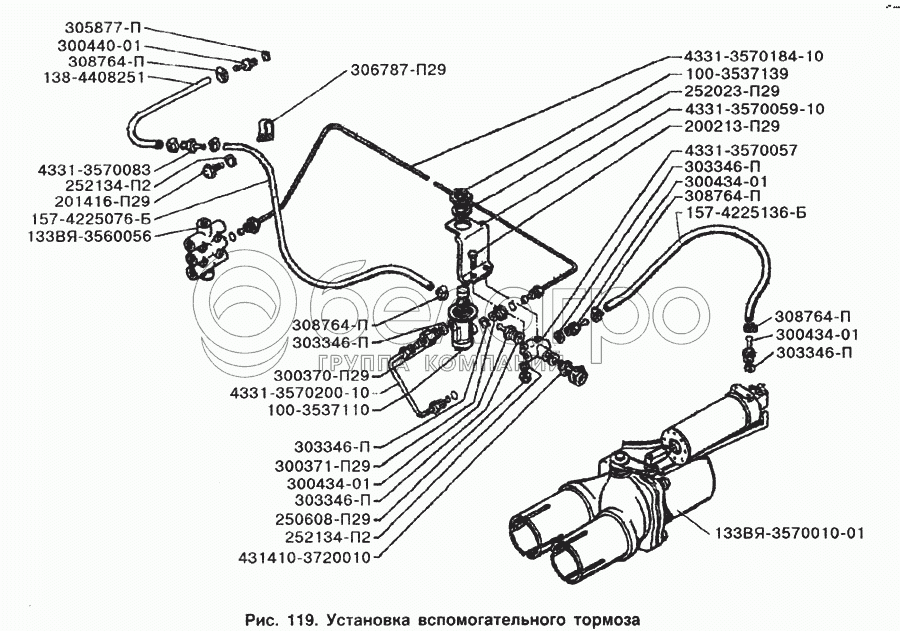
Каталог запасных частей к технике: ЗИЛ-433100. Установка вспомогательного тормоза

zoom-in zoom-out enlarge shrink circle-right circle-left file-text2 info cart arraw right arraw left zoom out zoom in arraw maximize arraw minimize
200213-П29
308764-П
308764-П
308764-П
308764-П
306787-П29
305877-П
303346-П
303346-П
303346-П
303346-П
303346-П
300440-01
300434-01
300434-01
300434-01
300371-П29
300370-П29
252134-П2
252134-П2
252023-П29
250608-П29
201416-П29
100-3537110
138-4408251
157-4225136-Б
157-4225076-Б
431410-3720010
4331-3570200-10
4331-3570184-10
4331-3570083
4331-3570059-10
4331-3570057
133ВЯ-3570010-01
133ВЯ-3560056
100-3537139
200213-П29
Болт
В узле: 2
485963
Кольцо уплотнительное
В узле: 2
308764-П
Хомут в сборе
В узле: 6
306787-П29
Хомут
В узле: 1
305877-П
Шайба
В узле: 1
303346-П
Шайба уплотнительная
В узле: 6
300440-01
Штуцер
В узле: 1
300434-01
Штуцер
В узле: 3
300371-П29
Штуцер ввертной
В узле: 1
300370-П29
Штуцер ввертной
В узле: 1
252134-П2
Шайба пружинная
В узле: 3
252023-П29
Шайба
В узле: 1
250608-П29
Гайка
В узле: 2
201416-П29
Болт
В узле: 1
100-3537110
Кран пневматический уст. до 1991 г. (с 1991 г. в конструкции отменен)
В узле: 1
138-4408251
Шланг подвода воздуха к пневмогидравлическому усилителю
В узле: 1
157-4225136-Б
Шланг
В узле: 1
157-4225076-Б
Шланг манометра воздуха
В узле: 1
431410-3720010
Выключатель сигналов торможения ММ125Д или 2802.3829 в сборе
В узле: 1
4331-3570200-10
Трубка от крана управления вспомогательным тормозом к распределительной коробке в сборе
В узле: 1
4331-3570184-10
Трубка от распределительной коробки к крану управления вспомогательным тормозом в сборе
В узле: 1
4331-3570083
Ниппель
В узле: 1
4331-3570059-10
Кронштейн
В узле: 1
4331-3570057
Коробка распределительная
В узле: 1
133ВЯ-3570010-01
Тормоз вспомогательный в сборе
В узле: 1
133ВЯ-3560056
Коробка распределительная
В узле: 1
100-3537139
Гайка крепления крана
В узле: 1
Содержащиеся в справочниках-каталогах запасные части и детали не предлагаются к продаже, а носят исключительно информационный характер

Ваша заявка была отправлена. В ближайшее время наши специалисты с Вами свяжутся по указанному Вами телефону.

Представьтесь
Поле обязательно для заполнения
Ваш телефон
Введите правильный номер телефона
E-mail
Введите правильный e-mail
Тема
Тема
применяемость финансирование доставка цена, наличие другое сервис и гарантия
Время для звонка
08:00
08:00 09:00 10:00 11:00 12:00 13:00 14:00 15:00 16:00 17:00 18:00 19:00
19:00
08:00 09:00 10:00 11:00 12:00 13:00 14:00 15:00 16:00 17:00 18:00 19:00

Мы постараемся перезвонить в указанное время

Если вы не хотите ждать, то звоните нашим вежливым консультантам:

8 800 100-2-700
Подтвердите, что вы не робот
Подтвердите, что вы не робот
Спасибо!

Ваше сообщение успешно отправлено!

ЗакрытьПовторить попытку