Каталог запасных частей к технике: ЗИЛ-433100. Вспомогательный тормоз

zoom-in zoom-out enlarge shrink circle-right circle-left file-text2 info cart arraw right arraw left zoom out zoom in arraw maximize arraw minimize
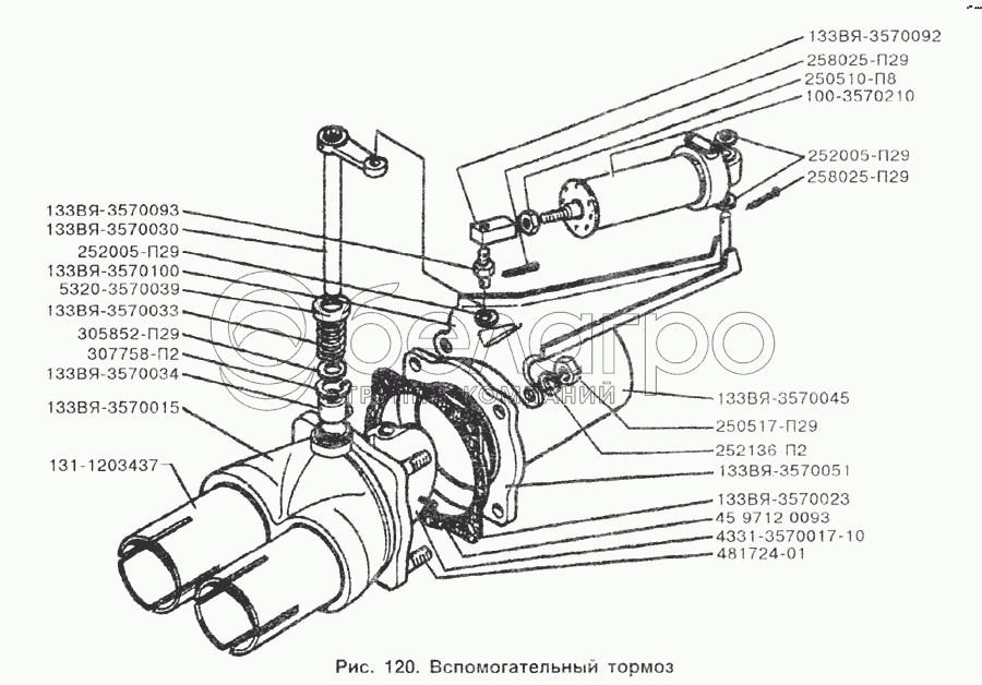
133ВЯ-3570090
4597120093
481724-01
307758-П2
305852-П29
258025-П29
258025-П29
252136-П2
252005-П29
252005-П29
250517-П29
250510-П8
100-3570210
133ВЯ-3570100
133ВЯ-3570093
133ВЯ-3570092
131-1203437
133ВЯ-3570051
133ВЯ-3570050
133ВЯ-3570045
5320-3570039
133ВЯ-3570034
133ВЯ-3570033
133ВЯ-3570023
4331-3570017-10
133ВЯ-3570015
133ВЯ-3570012
133ВЯ-3570010-01
133ВЯ-3570090
Наконечник в сборе
В узле: 1
4597120093
Заклепка
В узле: 1
481724-01
Шпилька
В узле: 4
307758-П2
Кольцо упорное
В узле: 1
305852-П29
Шайба
В узле: 1
258025-П29
Шплинт
В узле: 2
252136-П2
Шайба пружинная
В узле: 4
252005-П29
Шайба
В узле: 3
250517-П29
Гайка
В узле: 3
250510-П8
Гайка
В узле: 1
100-3570210
Цилиндр пневматический диаметром 35х65 в сборе
В узле: 1
133ВЯ-3570100
Кронштейн крепления цилиндра вспомогательного тормоза с пальцем в сборе
В узле: 1
133ВЯ-3570093
Палец наконечника
В узле: 1
133ВЯ-3570092
Наконечник
В узле: 1
131-1203437
Патрубок
В узле: 2
133ВЯ-3570051
Фланец
В узле: 1
133ВЯ-3570050
Патрубок с фланцем в сборе
В узле: 1
133ВЯ-3570045
Патрубок
В узле: 1
5320-3570039
Крышка
В узле: 1
133ВЯ-3570034
Втулка
В узле: 2
133ВЯ-3570033
Пружина
В узле: 1
133ВЯ-3570030
Вал заслонки в сборе
В узле: 1
133ВЯ-3570023
Прокладка корпуса
В узле: 1
4331-3570017-10
Заслонка
В узле: 1
133ВЯ-3570015
Корпус вспомогательного тормоза со втулками в сборе
В узле: 1
133ВЯ-3570012
Корпус вспомогательного тормоза с заслонкой в сборе
В узле: 1
133ВЯ-3570010-01
Тормоз вспомогательный в сборе
В узле: 1
Содержащиеся в справочниках-каталогах запасные части и детали не предлагаются к продаже, а носят исключительно информационный характер

Ваша заявка была отправлена. В ближайшее время наши специалисты с Вами свяжутся по указанному Вами телефону.

Представьтесь
Поле обязательно для заполнения
Ваш телефон
Введите правильный номер телефона
E-mail
Введите правильный e-mail
Тема
Тема
применяемость финансирование доставка цена, наличие другое сервис и гарантия
Время для звонка
08:00
08:00 09:00 10:00 11:00 12:00 13:00 14:00 15:00 16:00 17:00 18:00 19:00
19:00
08:00 09:00 10:00 11:00 12:00 13:00 14:00 15:00 16:00 17:00 18:00 19:00

Мы постараемся перезвонить в указанное время

Если вы не хотите ждать, то звоните нашим вежливым консультантам:

8 800 100-2-700
Подтвердите, что вы не робот
Подтвердите, что вы не робот
Спасибо!

Ваше сообщение успешно отправлено!

ЗакрытьПовторить попытку