Каталог запасных частей к технике: ЗИЛ-5301 (2006). Система охлаждения дизеля Д-245.12С

zoom-in zoom-out enlarge shrink circle-right circle-left file-text2 info cart arraw right arraw left zoom out zoom in arraw maximize arraw minimize
305766-П29
4331-1311086
5301-1311179
4331-1311036
5301-1302034-10
4331-1311168
306709-П29
306709-П29
487107
487109
487109
487109
4331-1302062
4331-1302062
305591-П29
305683-П29
5301-1311182
305508-П29
5301-1303010-30
5301-1303025-30
5301-1311053-10
5301-1311214
5301-1311189
4331-1311212
130-1303030
258040-П29
130-1015370
4331-1302031
5301-1302065
250513-П29
250977-П29
133Д4-3840010-01
5301-1309012-10
4331-1311016
5301-1311014
5301-1311010
4331-1311025
4331-1311027
5301-1302190-01
4331-1302080
4331-1302037
4331-1302037
5301-1302029-20
150Ю-1304010
4331-1311068
4331-1311068
4331-1311069
4331-1311176
4331-1311227
5301-1301010-21
5301-1302010
305766-П29
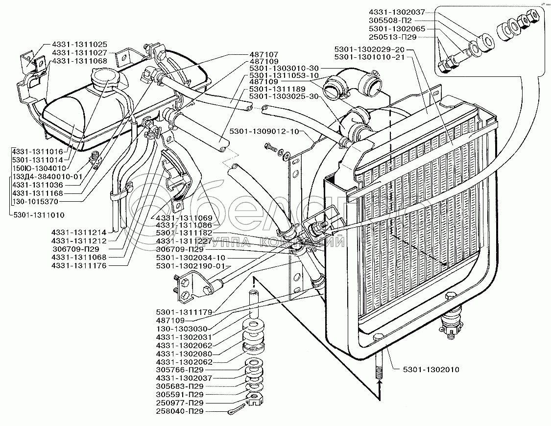
Шайба
В узле: 4
431900-1305079
Скоба крепления приводя сливного крана
В узле: 1
4331-1311086
Скоба крепления расширительного бачка в сборе
В узле: 2
4331-1311140
Скоба крепления расширительного бачка в сборе
В узле: 2
433710-1305069
Стержень управления краном
В узле: 1
5301-1311179
Труба перепускная
В узле: 1
4331-1311036
Трубка пароотводящая расширительного бачка системы охлаждения
В узле: 1
5301-1302034-10
Тяга радиатора с наконечником в сборе
В узле: 2
4331-1311168
Угольник с трубкой в сборе
В узле: 1
308786-П29
Хомут
В узле: 1
306709-П29
Хомут
В узле: 1
487107
Хомут
В узле: 2
487109
Хомут
В узле: 8
4331-1302062
Чашка подушки подвески радиатора
В узле: 4
305591-П29
Шайба
В узле: 2
305683-П29
Шайба
В узле: 2
5301-1311182
Скоба крепления перепускной трубы
В узле: 1
305508-П29
Шайба
В узле: 4
252005-П29
Шайба
В узле: 21
252006-П29
Шайба
В узле: 4
252135-П2
Шайба пружинная
В узле: 21
252136-П2
Шайба пружинная
В узле: 6
252157-П2
Шайба пружинная
В узле: 1
5301-1303010-30
Шланг водяного патрубка отводящий
В узле: 1
5301-1303025-30
Шланг водяного патрубка подводящий
В узле: 1
5301-1311053-10
Шланг отвода жидкости из бачка в радиатор
В узле: 1
5301-1311214
Шланг пароотводящей трубки
В узле: 1
5301-1311189
Шланг перепускной
В узле: 1
4331-1311212
Шланг слива жидкости
В узле: 1
130-1303030
Шланг байпаса соединительный
В узле: 1
258040-П29
Шплинт
В узле: 2
130-1015370
Кран сливной в сборе
В узле: 1
201676-П
Болт
В узле: 6
201460-П29
Болт
В узле: 4
201458-П29
Болт
В узле: 17
130-1305065-В
Вилка сливного крана
В узле: 1
4331-1302031
Втулка распорная
В узле: 2
5301-1302065
Втулка распорная
В узле: 2
250510-П29
Гайка
В узле: 5
250513-П29
Гайка
В узле: 8
250614-П29
Гайка
В узле: 1
250517-П29
Гайка
В узле: 6
250977-П29
Гайка
В узле: 2
133Д4-3840010-01
Датчик уровня охлаждающей жидкости
В узле: 1
5301-1309012-10
Кожух вентилятора системы охлаждения
В узле: 1
4331-1311016
Корпус расширительного бачка в сборе (верхняя часть)
В узле: 1
5301-1311014
Корпус расширительного бачка в сборе (нижняя часть)
В узле: 1
5301-1311010
Бачок расширительный системы охлаждения в сборе
В узле: 1
4331-1311025
Кронштейн крепления расширительного бачка в сборе
В узле: 2
4331-1311027
Кронштейн крепления расширительного бачка в сборе
В узле: 2
5301-1302191-01
Кронштейн крепления тяги радиатора задний левый
В узле: 1
5301-1302190-01
Кронштейн крепления тяги радиатора задний правый
В узле: 1
4331-1302080
Подушка крепления радиатора
В узле: 2
4331-1302037
Подушка крепления радиатора
В узле: 6
5301-1302029-20
Поперечина рамки подвески радиатора
В узле: 1
150Ю-1304010
Пробка радиатора в сборе
В узле: 1
4331-1311068
Прокладка кронштейна и скобы крепления бачка
В узле: 6
4331-1311069
Прокладка скобы крепления бачка нижняя
В узле: 2
4331-1311176
Прокладка скобы крепления расширительного бачка
В узле: 2
4331-1311227
Прокладка хомута
В узле: 1
5301-1301010-21
Радиатор системы охлаждения в сборе
В узле: 1
5301-1302010
Рамка подвески радиатора
В узле: 1
Содержащиеся в справочниках-каталогах запасные части и детали не предлагаются к продаже, а носят исключительно информационный характер

Ваша заявка была отправлена. В ближайшее время наши специалисты с Вами свяжутся по указанному Вами телефону.

Представьтесь
Поле обязательно для заполнения
Ваш телефон
Введите правильный номер телефона
E-mail
Введите правильный e-mail
Тема
Тема
применяемость финансирование доставка цена, наличие другое сервис и гарантия
Время для звонка
08:00
08:00 09:00 10:00 11:00 12:00 13:00 14:00 15:00 16:00 17:00 18:00 19:00
19:00
08:00 09:00 10:00 11:00 12:00 13:00 14:00 15:00 16:00 17:00 18:00 19:00

Мы постараемся перезвонить в указанное время

Если вы не хотите ждать, то звоните нашим вежливым консультантам:

8 800 100-2-700
Подтвердите, что вы не робот
Подтвердите, что вы не робот
Спасибо!

Ваше сообщение успешно отправлено!

ЗакрытьПовторить попытку