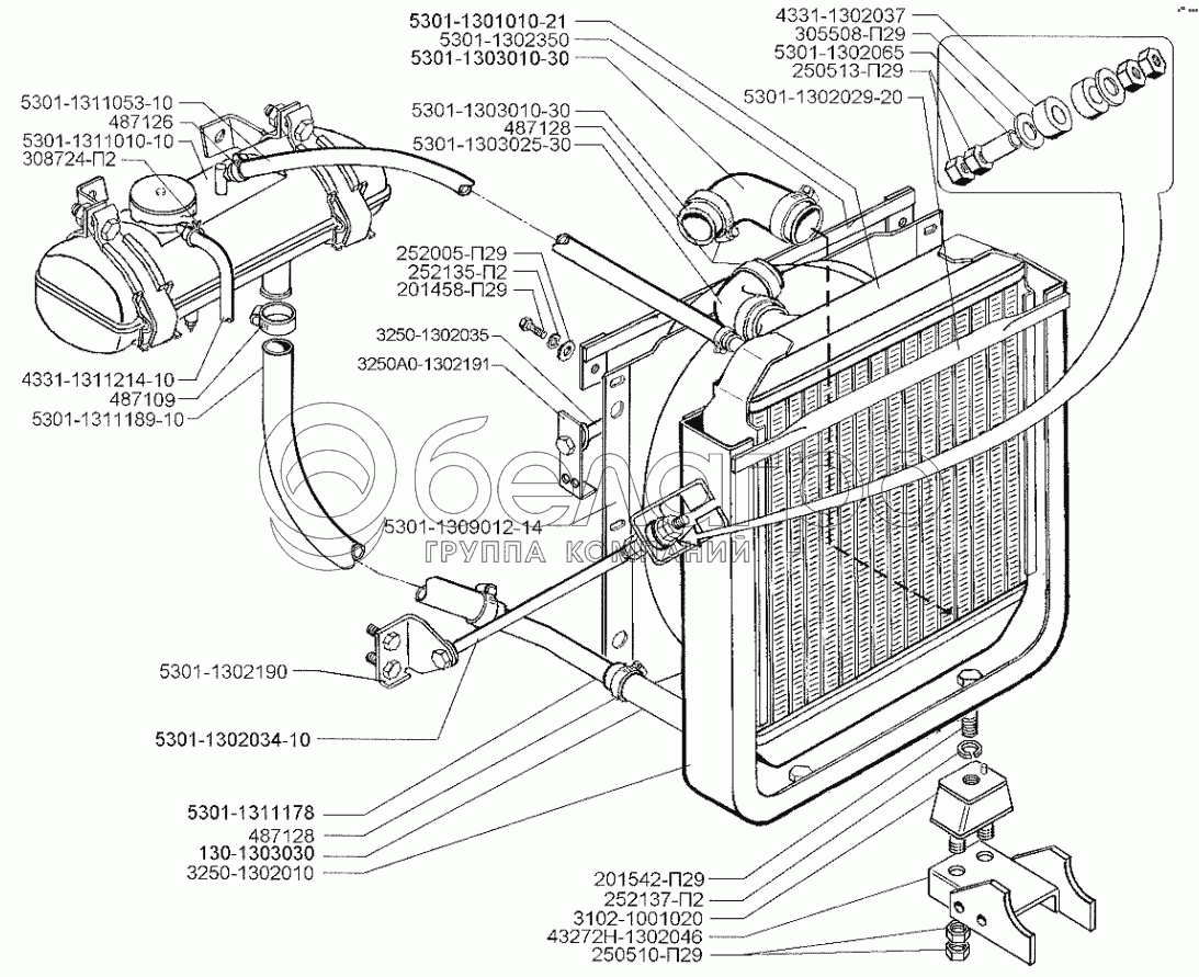
Каталог запасных частей к технике: ЗИЛ-5301 (2006). Система охлаждения дизеля Д-245.9Е2

zoom-in zoom-out enlarge shrink circle-right circle-left file-text2 info cart arraw right arraw left zoom out zoom in arraw maximize arraw minimize
305508-П29
5301-1311178
3250-1302035
5301-1302034-10
487109
487126
487128
487128
308724-П2
252005-П29
5301-1302350
252135-П2
252137-П2
5301-1303010-30
5301-1303010-30
5301-1303025-30
5301-1311053-10
4331-1311214-10
5301-1311189-10
130-1303030
43272Н-1302046
201542-П29
201458-П29
5301-1302065
250510-П29
250513-П29
5301-1309012-14
5301-1311010-10
3250А0-1302191
5301-1302190
3102-1001020
4331-1302037
5301-1302029-20
5301-1301010-21
3250-1302010
305508-П29
Шайба
В узле: 6
5301-1311178
Труба перепускная
В узле: 1
3250-1302035
Тяга радиатора с наконечником в сборе левая
В узле: 2
5301-1302034-10
Тяга радиатора с наконечником в сборе
В узле: 2
308786-П29
Хомут
В узле: 1
306799-П29
Хомут
В узле: 1
487107
Хомут
В узле: 2
487109
Хомут
В узле: 4
487126
Хомут
В узле: ---
487128
Хомут
В узле: ---
308724-П2
Хомут
В узле: ---
252005-П29
Шайба
В узле: 13
5301-1302350
Стяжка усилительная рамки подвески радиатора
В узле: 1
252135-П2
Шайба пружинная
В узле: 15
252136-П2
Шайба пружинная
В узле: 5
252137-П2
Шайба пружинная
В узле: 2
5301-1303010-30
Шланг водяного патрубка отводящий
В узле: 1
5301-1303025-30
Шланг водяного патрубка подводящий
В узле: 1
5301-1311053-10
Шланг отвода жидкости из бачка в радиатор
В узле: 1
5301-1311214
Шланг пароотводящей трубки
В узле: 1
4331-1311214-10
Шланг пароотводящей трубки
В узле: 1
5301-1311189-10
Шланг перепускной
В узле: 1
130-1303030
Шланг байпаса соединительный
В узле: 1
43272Н-1302046
Кронштейн
В узле: ---
201676-П
Болт
В узле: 1
201678-П
Болт
В узле: 4
201542-П29
Болт
В узле: 2
201458-П29
Болт
В узле: 15
5301-1302065
Втулка распорная
В узле: 3
250510-П29
Гайка
В узле: 9
250511-П29
Гайка
В узле: 8
250513-П29
Гайка
В узле: 12
250517-П29
Гайка
В узле: 6
5301-1309012-14
Кожух вентилятора системы охлаждения
В узле: 1
5301-1311010-10
Бачок расширительный системы охлаждения в сборе
В узле: 1
3250А0-1302191
Кронштейн крепления тяги радиатора задний левый
В узле: 1
5301-1302190
Кронштейн крепления тяги радиатора задний правый
В узле: 1
3102-1001020
Подушка
В узле: 2
4331-1302037
Подушка крепления радиатора
В узле: 4
5301-1302029-20
Поперечина рамки подвески радиатора
В узле: 1
4331-1311227
Прокладка хомута
В узле: 1
5301-1301010-21
Радиатор системы охлаждения в сборе
В узле: 1
32501-1301010
Радиатор системы охлаждения в сборе
В узле: 1
3250-1302010
Рамка подвески радиатора
В узле: 1
5301-1311182
Скоба крепления перепускной трубы
В узле: 1
Содержащиеся в справочниках-каталогах запасные части и детали не предлагаются к продаже, а носят исключительно информационный характер

Ваша заявка была отправлена. В ближайшее время наши специалисты с Вами свяжутся по указанному Вами телефону.

Представьтесь
Поле обязательно для заполнения
Ваш телефон
Введите правильный номер телефона
E-mail
Введите правильный e-mail
Тема
Тема
применяемость финансирование доставка цена, наличие другое сервис и гарантия
Время для звонка
08:00
08:00 09:00 10:00 11:00 12:00 13:00 14:00 15:00 16:00 17:00 18:00 19:00
19:00
08:00 09:00 10:00 11:00 12:00 13:00 14:00 15:00 16:00 17:00 18:00 19:00

Мы постараемся перезвонить в указанное время

Если вы не хотите ждать, то звоните нашим вежливым консультантам:

8 800 100-2-700
Подтвердите, что вы не робот
Подтвердите, что вы не робот
Спасибо!

Ваше сообщение успешно отправлено!

ЗакрытьПовторить попытку