Каталог запасных частей к технике: ХТЗ Т-150К. Воздухоохладитель 150.95.001-1

zoom-in zoom-out enlarge shrink circle-right circle-left file-text2 info cart arraw right arraw left zoom out zoom in arraw maximize arraw minimize
12
13
15
15
16
18
19
21
29
29
29
31
32
34
42
43
48
49
50
52
53
63
65
66
67
68
70
71
72
73
74
83
84
85
86
87
88
90
91
92
108
108
109
113
121
124
125
126
136
139
143
145
147
150
150
150
150
150
150
151
154
156
157
158
158
158
158
158
158
159
159
159
159
159
160
161
166
166
166
173
174
175
176
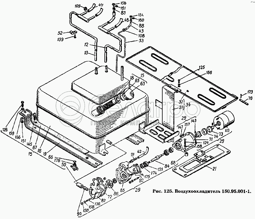
12
150.95.037
Трубка слива левая в сборе
В узле: 1
13
150.95.038
Трубка слива правая в сборе
В узле: 1
15
150.95.040-1
Бак для воды в сборе
В узле: 1
16
150.95.041-1
Бак в сборе
В узле: 1
18
150.95.043
Фильтр в сборе
В узле: 1
19
150.95.044
Кронштейн бака в сборе
В узле: 2
21
150.95.050
Кронштейн в сборе
В узле: 1
29
150.95.070-1
Насос в сборе
В узле: 1
31
150.95.083
Подножка в сборе
В узле: 1
32
150.95.084
Площадка в сборе
В узле: 1
34
150.95.086
Площадка с подножкой в сборе
В узле: 1
42
150.95.317
Трубка подачи воды
В узле: 1
43
150.95.317-01
Трубка
В узле: 1
48
150.95.328
Шланг
В узле: 1
49
150.95.328-01
Шланг
В узле: 4
50
150.95.328-4
Шланг
В узле: 1
52
150.95.334
Скоба
В узле: 7
53
150.95.335
Труба подачи воды
В узле: 1
63
150.95.408
Крышка
В узле: 1
65
150.95.428
Прокладка
В узле: 1
66
150.95.429
Прокладка
В узле: 1
67
150.95.434
Прокладка
В узле: 2
68
150.95.435
Амортизатор
В узле: 4
70
150.95.476
Палец
В узле: 2
71
150.95.509-1
Фланец двигателя
В узле: 1
72
150.95.514
Прокладка
В узле: 1
73
150.95.515
Муфта
В узле: 2
74
150.95.517
Поводок
В узле: 1
83
150.95.556
Штуцер
В узле: 4
84
150.95.561-1
Валик насоса
В узле: 1
85
150.95.566-1
Корпус насоса
В узле: 1
86
150.95.567А
Крыльчатка
В узле: 1
87
150.95.570-1
Фланец насоса
В узле: 1
88
150.95.592
Штуцер
В узле: 1
90
150.95.617
Штуцер всасывающий
В узле: 1
91
150.95.618
Крыльчатка
В узле: 1
92
150.95.619-1
Прокладка
В узле: 1
108
14.48.392
Втулка
В узле: 4
108
14.48.392
Втулка
В узле: 4
109
14.48.393
Втулка
В узле: 8
113
МЭ-226
Электродвигатель
В узле: 1
121
Подшипник 200 ГОСТ 8338-57
Подшипник 200 ГОСТ 8338-57
В узле: 2
124
Болт М6-6gх30.55.019 ГОСТ 7795-70
Болт М6-6gх30.55.019 ГОСТ 7795-70
В узле: 4
125
Болт М8-6gх12.66.019 ГОСТ 7796-70
Болт М8-6gх12.66.019 ГОСТ 7796-70
В узле: 2
126
Болт М8-6gх16.66.019 ГОСТ 7796-70
Болт М8-6gх16.66.019 ГОСТ 7796-70
В узле: 6
136
Шпилька АМ6 То/6gх16(10/12)66.019 ГОСТ 1
Шпилька АМ6 То/6gх16(10/12)66.019 ГОСТ 11765-66
В узле: 8
139
Винт М6-6gх12.58.019 ГОСТ 1489-62
Винт М6-6gх12.58.019 ГОСТ 1489-62
В узле: 7
143
Винт М6-6gх8.66.019 ГОСТ 1477-64
Винт М6-6gх8.66.019 ГОСТ 1477-64
В узле: 2
145
Винт М8-6gх16.58.019 ГОСТ 1490-62
Винт М8-6gх16.58.019 ГОСТ 1490-62
В узле: 2
147
Гайка М5-6Н.8.019 ГОСТ 5927-70
Гайка М5-6Н.8.019 ГОСТ 5927-70
В узле: 2
150
Гайка М8-7Н.6.019 ГОСТ 5915-70
Гайка М8-7Н.6.019 ГОСТ 5915-70
В узле: 34
150
Гайка М8-7Н.6.019 ГОСТ 5915-70
Гайка М8-7Н.6.019 ГОСТ 5915-70
В узле: 34
150
Гайка М8-7Н.6.019 ГОСТ 5915-70
Гайка М8-7Н.6.019 ГОСТ 5915-70
В узле: 34
150
Гайка М8-7Н.6.019 ГОСТ 5915-70
Гайка М8-7Н.6.019 ГОСТ 5915-70
В узле: 34
150
Гайка М8-7Н.6.019 ГОСТ 5915-70
Гайка М8-7Н.6.019 ГОСТ 5915-70
В узле: 34
150
Гайка М8-7Н.6.019 ГОСТ 5915-70
Гайка М8-7Н.6.019 ГОСТ 5915-70
В узле: 34
151
Гайка М8-6Н.8.019 ГОСТ 5927-70
Гайка М8-6Н.8.019 ГОСТ 5927-70
В узле: 2
154
Гайка М16-7Н.6.0П2 ГОСТ 5915-70
Гайка М16-7Н.6.0П2 ГОСТ 5915-70
В узле: 1
156
Гайка М18х1,5-7Н.6 ГОСТ 5915-70
Гайка М18х1,5-7Н.6 ГОСТ 5915-70
В узле: 1
157
Шайба 5-04.0112 ГОСТ 11371-68
Шайба 5-04.0112 ГОСТ 11371-68
В узле: 2
158
Шайба 6-04.0112 ГОСТ 11371-68
Шайба 6-04.0112 ГОСТ 11371-68
В узле: 114
158
Шайба 6-04.0112 ГОСТ 11371-68
Шайба 6-04.0112 ГОСТ 11371-68
В узле: 114
158
Шайба 6-04.0112 ГОСТ 11371-68
Шайба 6-04.0112 ГОСТ 11371-68
В узле: 114
158
Шайба 6-04.0112 ГОСТ 11371-68
Шайба 6-04.0112 ГОСТ 11371-68
В узле: 114
158
Шайба 6-04.0112 ГОСТ 11371-68
Шайба 6-04.0112 ГОСТ 11371-68
В узле: 114
158
Шайба 6-04.0112 ГОСТ 11371-68
Шайба 6-04.0112 ГОСТ 11371-68
В узле: 114
159
Шайба 8-04.0112 ГОСТ 11371-68
Шайба 8-04.0112 ГОСТ 11371-68
В узле: 37
159
Шайба 8-04.0112 ГОСТ 11371-68
Шайба 8-04.0112 ГОСТ 11371-68
В узле: 37
159
Шайба 8-04.0112 ГОСТ 11371-68
Шайба 8-04.0112 ГОСТ 11371-68
В узле: 37
159
Шайба 8-04.0112 ГОСТ 11371-68
Шайба 8-04.0112 ГОСТ 11371-68
В узле: 37
159
Шайба 8-04.0112 ГОСТ 11371-68
Шайба 8-04.0112 ГОСТ 11371-68
В узле: 37
160
Шайба 16-04 ГОСТ 11371-66
Шайба 16-04 ГОСТ 11371-66
В узле: 1
161
Шайба 18-04 ГОСТ 11371-68
Шайба 18-04 ГОСТ 11371-68
В узле: 4
166
Шайба 8.65Г.05 ГОСТ 6402-70
Шайба 8.65Г.05 ГОСТ 6402-70
В узле: 10
166
Шайба 8.65Г.05 ГОСТ 6402-70
Шайба 8.65Г.05 ГОСТ 6402-70
В узле: 10
166
Шайба 8.65Г.05 ГОСТ 6402-70
Шайба 8.65Г.05 ГОСТ 6402-70
В узле: 10
173
Шплинт 2,5х16.005 ГОСТ 397-66
Шплинт 2,5х16.005 ГОСТ 397-66
В узле: 4
174
Манжета 1-10х26-3 ГОСТ 8752-70
Манжета 1-10х26-3 ГОСТ 8752-70
В узле: 6
175
Пробка КГ1/8"
Пробка КГ1/8"
В узле: 1
176
Краник КРС 3/8"
Краник КРС 3/8"
В узле: 1
Содержащиеся в справочниках-каталогах запасные части и детали не предлагаются к продаже, а носят исключительно информационный характер

Ваша заявка была отправлена. В ближайшее время наши специалисты с Вами свяжутся по указанному Вами телефону.

Представьтесь
Поле обязательно для заполнения
Ваш телефон
Введите правильный номер телефона
E-mail
Введите правильный e-mail
Тема
Тема
применяемость финансирование доставка цена, наличие другое сервис и гарантия
Время для звонка
08:00
08:00 09:00 10:00 11:00 12:00 13:00 14:00 15:00 16:00 17:00 18:00 19:00
19:00
08:00 09:00 10:00 11:00 12:00 13:00 14:00 15:00 16:00 17:00 18:00 19:00

Мы постараемся перезвонить в указанное время

Если вы не хотите ждать, то звоните нашим вежливым консультантам:

8 800 100-2-700
Подтвердите, что вы не робот
Подтвердите, что вы не робот
Спасибо!

Ваше сообщение успешно отправлено!

ЗакрытьПовторить попытку