Каталог запасных частей к технике: ХТЗ Т-151К-08. Устройство навесное

zoom-in zoom-out enlarge shrink circle-right circle-left file-text2 info cart arraw right arraw left zoom out zoom in arraw maximize arraw minimize
14.65Г.6402
М20х55.7796
М12х1,25.5918
М16.5919
М16.5915
М27х2.5919
М27х2.5919
6x42.10299
8x46.10299
151.56.001-3
151.56.001-4
16.65Г.6402
24.65Г. 6402
3,2x25.397
4x36.397
5x36.397
5x50.397
6,3x40.397
8x50.397
1
1
1
1
2
3
4
5
6
7
8
8
9
10
10
11
12
13
14
15
16
16
17
17
18
19
20
20
21
22
23
24
25
26
27
28
29
30
31
32
33
34
35
36
37
38
39
40
41
42
43
44
45
46
47
48
49
50
51
52
53
54
55
56
57
58
59
60
61
62
63
64
65
66
14.65Г.6402
Шайба
В узле: 48
М20х55.7796
Болт
В узле: 4
М12х1,25.5918
Гайка
В узле: 2
М16.5919
Гайка
В узле: 1
М16.5915
Гайка
В узле: 13
М27х2.5919
Гайка
В узле: 11
6x42.10299
Заклёпка
В узле: 1
8x46.10299
Заклёпка
В узле: 2
151.56.001-3
Устройство навесное
В узле: ---
151.56.001-4
Устройство навесное
В узле: ---
16.65Г.6402
Шайба
В узле: 58
24.65Г. 6402
Шайба (d=24,5, b=S=5,5)
В узле: 24
3,2x25.397
Шплинт
В узле: 11
4x36.397
Шплинт
В узле: 6
5x36.397
Шплинт
В узле: 13
5x50.397
Шплинт
В узле: 11
6,3x40.397
Шплинт
В узле: 4
8x50.397
Шплинт
В узле: 4
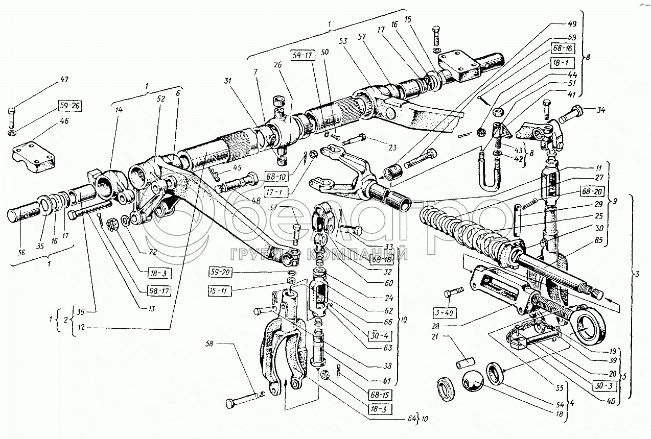
1
151.56.016-3А
Ось верхняя
В узле: 1
2
151.56.018-2А
Вал
В узле: 1
3
151.56.055Б
Тяга
В узле: 1
4
151.56.056
Головка
В узле: 1
5
151.56.058
Головка
В узле: 1
6
150.56.015-1
Рычаг штока в сборе
В узле: 1
7
150.56.032
Кольцо упорное в сборе
В узле: 2
8
150.56.035-1
Фиксатор в сборе
В узле: 1
9
150.56.036А
Вилка
В узле: 1
10
150.56.039
Раскос в сборе
В узле: 2
11
150.56.043-1
Вилка
В узле: 1
12
151.56.117-1
Вал рычагов
В узле: 1
13
151.56.132
Палец блокировки
В узле: 1
14
151.56.133А
Рычаг упорный
В узле: 1
15
151.56.196
Шайба
В узле: 2
16
151М.56.201
Колпак
В узле: 2
17
151М.56.202
Кольцо СП-60-47-8 ГОСТ 6308-71
В узле: 2
18
151.56.301
Шарнир
В узле: 1
19
151.56.303
Чека
В узле: 3
20
151.56.304
Палец
В узле: 1
20
151.56.304
Палец
В узле: 1
21
151.56.305
Втулка
В узле: 1
22
7.37.227
Шайба
В узле: 1
23
74.56.456
Гайка упорная
В узле: 2
24
74.56.458
Гайка М36 ГОСТ 2526-62
В узле: 2
25
74.56.643
Пружина
В узле: 1
26
77.60.109
Траверса верхней тяги
В узле: 1
27
77.60.143
Пружина малая
В узле: 1
28
77.60.144А
Муфта верхней тяги
В узле: 1
29
77.60.146
Палец
В узле: 1
30
77.60.147
Шайба упорная
В узле: 1
31
77.60.161
Втулка малая
В узле: 2
32
77.60.164-1А
Серьга раскоса
В узле: 2
33
77.60.165
Палец серьги раскоса
В узле: 2
34
77.60.168-1
Палец рычага малый
В узле: 1
35
77.60.169
Шайба
В узле: 1
36
77.60.170-3
Втулка
В узле: 2
37
77.60.174-1
Болт рычагов
В узле: 2
38
77.60.179-1
Палец серьги
В узле: 2
39
77.60.195
Кольцо чеки
В узле: 3
40
77.60.203-1
Цепочка
В узле: 1
41
77.60.62-7А
Упор
В узле: 1
42
77.60.628
Шайба фиксатора
В узле: 1
43
77.60.629
Пружина фиксатора
В узле: 1
44
77.60.634
Шайба фиксатора
В узле: 1
45
125.58.127А
Шплинт пружинный
В узле: 1
46
150.56.115-2
Крышка бугеля стойки
В узле: 2
47
150.56.116-3
Болт специальный
В узле: 8
48
150.56.136-1
Палец рычага штока
В узле: 1
49
150.56.144
Втулка фиксатора
В узле: 1
50
150.56.149
Винт установочный
В узле: 4
51
150.56.150-1
Фиксатор
В узле: 1
52
150.56.151А
Рычаг подъемный левый
В узле: 1
53
150.56.152А
Рычаг подъемный правый
В узле: 1
54
150.56.156-1
Кольцо
В узле: 2
55
150.56.158-1А
Готовка верхней тяги
В узле: 1
56
150.56.161
Ось верхняя
В узле: 1
57
150.56.162
Втулка упорная
В узле: 1
58
150.56.169-1
Палец рычагов нижний
В узле: 2
59
150.56.172
Палец рычага
В узле: 1
60
150.56.185
Винт раскоса верхний
В узле: 2
61
150.56.186
Винт раскоса
В узле: 2
62
150.56.187
Муфта раскоса
В узле: 2
63
150.56.188
Кольцо предохранительное
В узле: 2
64
150.56.213
Вилка раскоса
В узле: 2
65
150.56.347
Винт
В узле: 1
66
151.58.121
Шплинт
В узле: 2
Содержащиеся в справочниках-каталогах запасные части и детали не предлагаются к продаже, а носят исключительно информационный характер

Ваша заявка была отправлена. В ближайшее время наши специалисты с Вами свяжутся по указанному Вами телефону.

Представьтесь
Поле обязательно для заполнения
Ваш телефон
Введите правильный номер телефона
E-mail
Введите правильный e-mail
Тема
Тема
применяемость финансирование доставка цена, наличие другое сервис и гарантия
Время для звонка
08:00
08:00 09:00 10:00 11:00 12:00 13:00 14:00 15:00 16:00 17:00 18:00 19:00
19:00
08:00 09:00 10:00 11:00 12:00 13:00 14:00 15:00 16:00 17:00 18:00 19:00

Мы постараемся перезвонить в указанное время

Если вы не хотите ждать, то звоните нашим вежливым консультантам:

8 800 100-2-700
Подтвердите, что вы не робот
Подтвердите, что вы не робот
Спасибо!

Ваше сообщение успешно отправлено!

ЗакрытьПовторить попытку