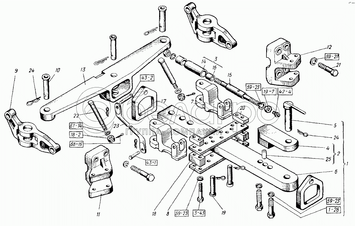
Каталог запасных частей к технике: ХТЗ Т-151К-08. Устройство тягово-сцепное

zoom-in zoom-out enlarge shrink circle-right circle-left file-text2 info cart arraw right arraw left zoom out zoom in arraw maximize arraw minimize
4x36.397
27.65Г.6402
20.04.11371
20.65Г.6402
20.65Г.6402
20.65Г.6402
151.35.001-4А
2-22h12x90/9650
6-22h12х105/96/50
2.3.90.19853
М20х1,5.5927
М20х1,5.5919
М20х70.7795
М20х1,5x150.7796
1
2
3
4
5
6
7
8
9
10
11
12
13
14
15
16
17
18
19
20
21
22
23
24
24
25
4x36.397
Шплинт
В узле: 6
27.65Г.6402
Шайба (d=27,5, b=S=6)
В узле: 22
20.04.11371
Шайба
В узле: 8
20.65Г.6402
Шайба (d=20,5, b=S=4,5)
В узле: 38
151.35.001-4А
Устройство тягово-сцепное
В узле: ---
2-22h12x90/9650
Ось (d=22, D=28, l=90)
В узле: 2
6-22h12х105/96/50
Ось (d=22, D=28, l=105)
В узле: 2
2.3.90.19853
Масленка
В узле: 3
М20х1,5.5927
Гайка
В узле: 2
М20х1,5.5919
Гайка
В узле: 6
М20х70.7795
Болт
В узле: 2
М20х1,5x150.7796
Болт (d=20, l=150, L0=46, H=11, S=27)
В узле: 4
1
151.35.010-1
Маятник
В узле: 1
2
151.35.014
Проушина
В узле: 1
3
151.35.015
Ролик
В узле: 1
4
151.35.016
Проушина
В узле: 1
5
75.35.011
Шкворень
В узле: 1
6
151.35.101-2
Маятник
В узле: 1
7
151.35.105-2
Опора
В узле: 2
8
151.35.106-2
Планка
В узле: 2
9
151.35.107-1
Стяжка
В узле: 2
10
151.35.108-1
Палец
В узле: 3
11
151.35.109
Бугель левый
В узле: 1
12
151.35.110
Бугель правый
В узле: 1
13
151.35.111-2
Траверса
В узле: 1
14
151.35.113
Ролик
В узле: 1
15
151.35.114
Ось
В узле: 1
16
151.35.116-1
Втулка
В узле: 2
17
151.35.119
Стремя
В узле: 2
18
151.35.120
Проставка
В узле: 2
19
151.35.121
Палец
В узле: 2
20
151.35.123
Проставка
В узле: 2
21
150.35.104
Болт
В узле: 8
22
150.56.146
Палец тяги соединительный
В узле: 2
23
151.58.104-2
Растяжка
В узле: 2
24
151.58.121
Шплинт
В узле: 6
25
А02-26
Установочный штифт задней балки
В узле: 1
Содержащиеся в справочниках-каталогах запасные части и детали не предлагаются к продаже, а носят исключительно информационный характер

Ваша заявка была отправлена. В ближайшее время наши специалисты с Вами свяжутся по указанному Вами телефону.

Представьтесь
Поле обязательно для заполнения
Ваш телефон
Введите правильный номер телефона
E-mail
Введите правильный e-mail
Тема
Тема
применяемость финансирование доставка цена, наличие другое сервис и гарантия
Время для звонка
08:00
08:00 09:00 10:00 11:00 12:00 13:00 14:00 15:00 16:00 17:00 18:00 19:00
19:00
08:00 09:00 10:00 11:00 12:00 13:00 14:00 15:00 16:00 17:00 18:00 19:00

Мы постараемся перезвонить в указанное время

Если вы не хотите ждать, то звоните нашим вежливым консультантам:

8 800 100-2-700
Подтвердите, что вы не робот
Подтвердите, что вы не робот
Спасибо!

Ваше сообщение успешно отправлено!

ЗакрытьПовторить попытку