Каталог запасных частей к технике: ХТЗ Т-151К. Кабина

zoom-in zoom-out enlarge shrink circle-right circle-left file-text2 info cart arraw right arraw left zoom out zoom in arraw maximize arraw minimize
151М.45.001-1
1
1
2
3
4
5
6
7
8
9
10
11
12
13
14
15
16
16
17
18
19
20
21
22
23
24
25
26
27
28
29
30
31
32
33
34
35
36
37
38
39
40
41
42
43
44
45
46
47
48
49
50
51
51
51
52
53
54
55
55
56
57
57
58
58
59
59
60
61
62
63
64
64
64
65
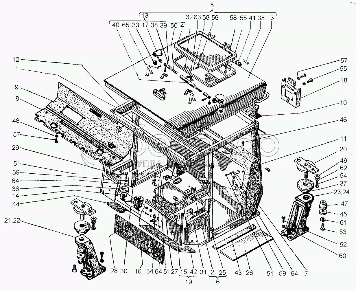
151М.45.001-1
Кабина
В узле: ---
1
151К.45.010
Каркас
В узле: 1
1
151К.45.010-10
Кабина
В узле: 1
2
151М.45.039-1
Крышка
В узле: 1
3
151К.45.046-3
Крыша
В узле: 1
4
151К.45.048
Крышка
В узле: 1
5
151К.45.051-2
Крыша
В узле: 1
6
151М.45.052
Крышка
В узле: 1
7
151К.45.058
Поручень
В узле: ---
8
151К.45.069-1
Экран
В узле: 1
9
151К.45.070-1
Экран
В узле: 1
10
151К.45.075-2
Экран
В узле: 1
11
151К.45.090
Чехол
В узле: 1
12
151М.45.099
Уплотнитель рычаг
В узле: 1
13
151К.45.0108
Крышка
В узле: 1
14
125.45.039
Уплотнитель педали
В узле: ---
15
150М.45.037-1
Крышка
В узле: 1
16
170.21.018
Крышка
В узле: 1
16
150.45.039
Крышка уплотнения педали
В узле: 1
17
150М.45.050-2
Замок
В узле: ---
18
150М.45.072А
Кронштейн
В узле: 1
19
150М.45.085
Крышка
В узле: 1
20
150М.45.096-1А
Планка
В узле: ---
21
151.45.112-7
Кронштейн
В узле: 1
22
151.45.112-7-02
Кронштейн
В узле: 1
23
151.45.112-7-03
Кронштейн
В узле: 1
24
151.45.112-7-04
Кронштейн
В узле: 1
25
151М.45.327-1А
Экран
В узле: 3
26
151К.45.330
Экран
В узле: 3
27
151М.45.331А
Экран
В узле: 3
28
151М.45.386-1
Экран
В узле: 1
29
151М.45.387-1
Облицовка
В узле: 1
30
151К.45.440
Обивка
В узле: 1
31
151К.45.440-01
Обивка
В узле: 1
32
120.45.299
Зацеп
В узле: 2
33
150М.45.143
Гайка
В узле: 2
34
150М.45.180
Зажим
В узле: 7
35
150.45.188-1
Ось петли
В узле: 2
36
150.45.209-1
Крышка
В узле: 1
37
150.45.216-3А
Амортизатор
В узле: 4
38
150М.45.230
Ось
В узле: 2
39
150М.45.252
Шток
В узле: 2
40
150М.45.253
Рукоятка
В узле: 1
41
150М.45.256
Петля
В узле: 2
42
150М.45.329А
Экран
В узле: 3
43
150М.45.332А
Экран
В узле: 3
44
150М.45.366-1А
Экран
В узле: 3
45
150М.45.421-2А
Шайба
В узле: 4
46
150М.45.434-1
Фиксатор
В узле: 20
47
150.45.435-1
Буфер
В узле: 4
48
150.45.449
Шайба специальная
В узле: 21
49
150.45.449-1А
Шайба
В узле: 8
50
150.57.172
Пружина клапана
В узле: 2
51
М8х16.7796
Болт
В узле: 15
52
М16х45.7796
Болт
В узле: 16
53
М20х50.7796
Болт
В узле: 4
54
М20х70.7796
Болт (d=20, l=70, L0=46, H=11, S=27)
В узле: 8
55
М6х12.7798
Болт
В узле: 6
56
М6х16.7798
Болт
В узле: 4
57
М6х12.17473
Винт
В узле: 23
58
6 65Г.6402
Шайба
В узле: 10
59
8 65Г.6402
Шайба
В узле: 10
60
16 65Г.6402
Шайба
В узле: 16
61
20 65Г.6402
Шайба
В узле: 4
62
20Т 65Г.6402
Шайба
В узле: 8
63
6.04.11371
Шайба
В узле: 4
64
8.04.11371
Шайба
В узле: 17
65
2х10.397
Шплинт
В узле: 2
Содержащиеся в справочниках-каталогах запасные части и детали не предлагаются к продаже, а носят исключительно информационный характер

Ваша заявка была отправлена. В ближайшее время наши специалисты с Вами свяжутся по указанному Вами телефону.

Представьтесь
Поле обязательно для заполнения
Ваш телефон
Введите правильный номер телефона
E-mail
Введите правильный e-mail
Тема
Тема
применяемость финансирование доставка цена, наличие другое сервис и гарантия
Время для звонка
08:00
08:00 09:00 10:00 11:00 12:00 13:00 14:00 15:00 16:00 17:00 18:00 19:00
19:00
08:00 09:00 10:00 11:00 12:00 13:00 14:00 15:00 16:00 17:00 18:00 19:00

Мы постараемся перезвонить в указанное время

Если вы не хотите ждать, то звоните нашим вежливым консультантам:

8 800 100-2-700
Подтвердите, что вы не робот
Подтвердите, что вы не робот
Спасибо!

Ваше сообщение успешно отправлено!

ЗакрытьПовторить попытку