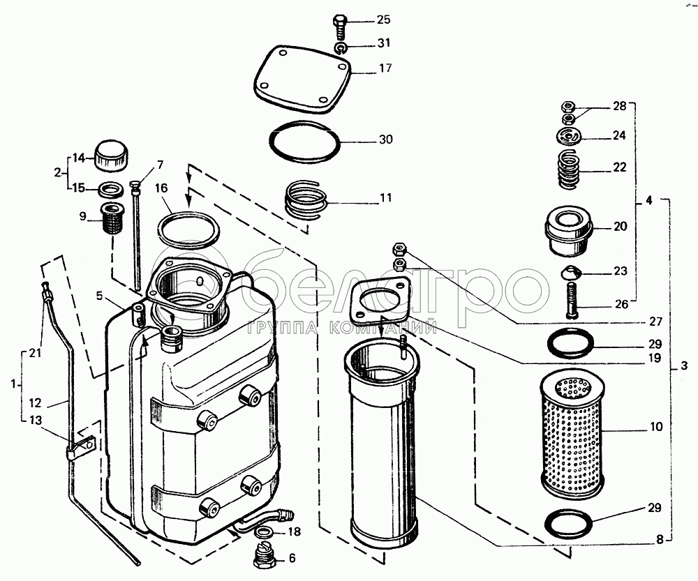
Каталог запасных частей к технике: ЛТЗ-55. Бак с фильтром

zoom-in zoom-out enlarge shrink circle-right circle-left file-text2 info cart arraw right arraw left zoom out zoom in arraw maximize arraw minimize
Т40-4600200-Г-011
1
2
3
4
5
6
7
8
9
10
11
12
13
14
15
16
17
18
19
20
21
22
23
24
25
26
27
28
29
29
30
31
29
042-050-46-2-2
Кольцо
В узле: 2
042-050-46-2-2 Кольцо уплотнительное, Беларусь <10 шт. 31.85 р.
4
А28.04.10.000
Клапан фильтра
В узле: 1
А28.04.10.000 Клапан МТЗ масляного фильтра <10 шт. 1 327.07 р.
19
А28.04.00.001
Ограничитель
В узле: 1
А28.04.00.001 Ограничитель корпуса МТЗ масляного фильтра <10 шт. 75.13 р.
Т40-4600200-Г-011
Бак с фильтром
В узле: 1
1
Т40-4614090
Трубка дренажная
В узле: 1
2
Т40-4614130
Пробка
В узле: 1
3
А28.04.00.000-А
Фильтр ФСБ 25-80-0,63
В узле: 1
5
Т40-4614020-Д-01
Бак
В узле: 1
6
Т50-4614060-01
Пробка с магнитом
В узле: 1
7
Т40-4614080-01
Щуп
В узле: 1
8
А28.04.20.000-А
Корпус фильтра
В узле: 1
9
А70.01.000
Фильтр
В узле: 1
10
761-00-00-00-01
Элемент фильтрующий "Реготмас 635-1-03"
В узле: 1
11
Т40-4614019
Пружина
В узле: 1
12
Т40-4614092
Трубка дренажная
В узле: 1
13
Т25-4614093-А-01
Скоба
В узле: 1
14
Т40-4614132
Пробка
В узле: 1
15
Т40-4614134
Кольцо
В узле: 1
16
Т40-4614163
Кольцо уплотнительное
В узле: 1
17
Т40-4615012-В
Крышка фильтра
В узле: 1
18
Т25-4615016
Кольцо уплотнительное
В узле: 1
20
А28.04.10.001
Корпус клапана
В узле: 1
21
Д01072
Гайка
В узле: 1
22
8.20.002
Пружина
В узле: 1
23
8.20.004
Клапан
В узле: 1
24
8.20.005
Шайба опорная
В узле: 1
25
М8-6gх20.88.019
Болт
В узле: 4
26
В.М6-6gх40.66.019
Винт
В узле: 1
27
М6-6Н.5.019
Гайка
В узле: 4
28
2М6-6Н.6.039
Гайка
В узле: 2
30
130-135-25-2-2
Кольцо
В узле: 1
31
8Т65Г06
Шайба
В узле: 4
Содержащиеся в справочниках-каталогах запасные части и детали не предлагаются к продаже, а носят исключительно информационный характер

Ваша заявка была отправлена. В ближайшее время наши специалисты с Вами свяжутся по указанному Вами телефону.

Представьтесь
Поле обязательно для заполнения
Ваш телефон
Введите правильный номер телефона
E-mail
Введите правильный e-mail
Тема
Тема
применяемость финансирование доставка цена, наличие другое сервис и гарантия
Время для звонка
08:00
08:00 09:00 10:00 11:00 12:00 13:00 14:00 15:00 16:00 17:00 18:00 19:00
19:00
08:00 09:00 10:00 11:00 12:00 13:00 14:00 15:00 16:00 17:00 18:00 19:00

Мы постараемся перезвонить в указанное время

Если вы не хотите ждать, то звоните нашим вежливым консультантам:

8 800 100-2-700
Подтвердите, что вы не робот
Подтвердите, что вы не робот
Спасибо!

Ваше сообщение успешно отправлено!

ЗакрытьПовторить попытку