Каталог запасных частей к технике: ЛТЗ-55. Система гидравлическая

zoom-in zoom-out enlarge shrink circle-right circle-left file-text2 info cart arraw right arraw left zoom out zoom in arraw maximize arraw minimize
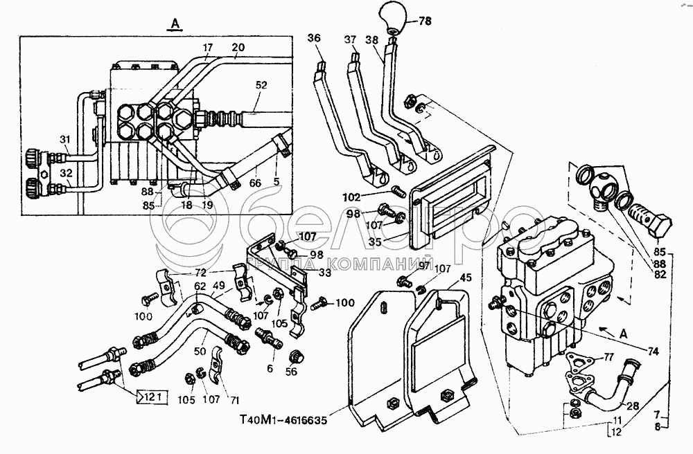
5
6
7
8
11
12
17
18
19
20
28
31
32
33
35
36
37
38
45
49
50
52
56
62
66
71
72
74
77
78
82
85
85
88
88
97
98
98
100
100
102
105
105
107
107
107
107
107
6
3057-4616330
Клапан запорного устройства
В узле: 4
3057-4616330 Клапан МТЗ полумуфта БРС резьбовая, папа, (А) >10 шт. 66.26 р.
5
Т40-4616080
Хомут
В узле: 2
7
Т40М1-4616610-Б-01
Гидрораспределитель с трубой
В узле: 1
8
Т40М1-4616610-Б-03
Гидрораспределитель с трубой
В узле: 1
11
Р80-23.20.000
Гидрораспределитель Р80-2/1-222 ГОСТ 8754-80
В узле: 1
12
Р80-23Р20.000
Гидрораспределитель Р80.3.04.333У
В узле: 1
17
Т40М1-4616040
Трубка гидроцилиндра
В узле: 1
18
Т40М1-4616050
Трубка гидроцилиндра
В узле: 1
19
Т40М1-4616060-Б
Труба нижняя
В узле: 1
20
Т40М1-4616070-Б
Труба верхняя
В узле: 1
28
Т40М1-4616140-Б-01
Труба сливная
В узле: 1
31
Т40М1-4616180
Труба боковых выводов
В узле: 1
32
Т40М1-4616190
Труба боковых выводов
В узле: 1
33
Т40М1-4616250
Кронштейн задних выводов
В узле: 1
35
Т40М1-4616300
Крышка с уплотнителем
В узле: 1
36
Т40М1-4616350
Рукоятка правая
В узле: 1
37
Т40М1-4616360
Рукоятка средняя
В узле: 1
38
Т40М1-4616370
Рукоятка левая
В узле: 1
45
Т40М1-4616640
Крышка
В узле: 1
49
Н.036.83.400
Рукав высокого давления П-12
В узле: 1
50
Н.036.83.410
Рукав высокого давления П-12
В узле: 1
52
Н.036.85.360
Рукав высокого давления П-16
В узле: 1
56
50-4607039-01
Колпак
В узле: 4
62
Т40М1-4616019
Втулка
В узле: 3
66
Т40М1-4616026
Рукав-деталь
В узле: 1
71
Т40М1-4616271-01
Планка
В узле: 2
72
Т25-4616285-01
Планка
В узле: 5
74
Т40S-4616525-Б
Штуцер
В узле: 1
77
15-64140
Прокладка
В узле: 1
78
А13.16.000
Рукоятка
В узле: 3
82
Н.036.26.009
Угольник
В узле: 1
85
Н.036.27.023
Болт поворотного угольника
В узле: 1
88
Н.036.28.006
Кольцо уплотнительное
В узле: 2
97
М10-6gх20.88.019
Болт
В узле: 1
98
М10-6gх25.88.019
Болт
В узле: 7
100
М10-6gх40.88.019
Болт
В узле: 5
102
В.М6-6gх12.58.019
Винт
В узле: 2
105
М10-6Н.6.019
Гайка
В узле: 8
107
100Т65Г06
Шайба
В узле: 19
Содержащиеся в справочниках-каталогах запасные части и детали не предлагаются к продаже, а носят исключительно информационный характер

Ваша заявка была отправлена. В ближайшее время наши специалисты с Вами свяжутся по указанному Вами телефону.

Представьтесь
Поле обязательно для заполнения
Ваш телефон
Введите правильный номер телефона
E-mail
Введите правильный e-mail
Тема
Тема
применяемость финансирование доставка цена, наличие другое сервис и гарантия
Время для звонка
08:00
08:00 09:00 10:00 11:00 12:00 13:00 14:00 15:00 16:00 17:00 18:00 19:00
19:00
08:00 09:00 10:00 11:00 12:00 13:00 14:00 15:00 16:00 17:00 18:00 19:00

Мы постараемся перезвонить в указанное время

Если вы не хотите ждать, то звоните нашим вежливым консультантам:

8 800 100-2-700
Подтвердите, что вы не робот
Подтвердите, что вы не робот
Спасибо!

Ваше сообщение успешно отправлено!

ЗакрытьПовторить попытку