Каталог запасных частей к технике: ЛТЗ-55. Колонка рулевая

zoom-in zoom-out enlarge shrink circle-right circle-left file-text2 info cart arraw right arraw left zoom out zoom in arraw maximize arraw minimize
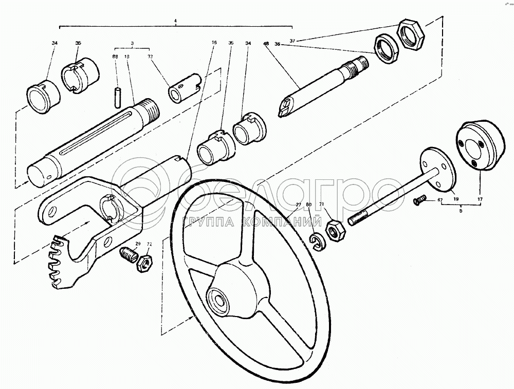
Т40М1-3401400
3
4
5
16
17
18
19
27
29
33
34
34
35
35
36
37
48
67
71
72
80
88
35
70-3401077-Б
Амортизатор
В узле: 2
70-3401077-Б - Амортизатор <10 шт. 198.76 р.
70-3401077-Б Амортизатор Под заказ 34.98 р.
Т40М1-3401400
Колонка рулевая (гидромеханическая)
В узле: 1
3
Т40М1-3401060
Вал
В узле: 1
4
Т40М1-3401080
Стойка
В узле: 1
5
Т40М1-3401110
Зажим
В узле: 1
16
Т40М1-3401030
Труба
В узле: 1
17
Т40М1-3401035
Головка
В узле: 1
18
Т40М1-3401070
Вал
В узле: 1
19
Т40М1-3401090
Пластина со стержнем
В узле: 1
27
66-3402015-02
Колесо рулевого управления
В узле: 1
29
Т40М1-3401011
Ось
В узле: ---
33
Т40М1-3401054
Хвостовик вала
В узле: 1
34
Т40М1-3401076
Втулка
В узле: 2
36
Т40М1-3401078
Гайка
В узле: 1
37
Т40М1-3401079
Контргайка
В узле: 1
48
Т40М1-3401404
Вал рулевой
В узле: 1
67
В.М6-6gх12.58.019
Винт
В узле: 3
71
М16х1,5-6Н.6.019
Гайка
В узле: 1
72
М20х1,5-6Н.8.019
Гайка
В узле: 2
80
160Т65Г06
Шайба
В узле: 1
88
2.8х36
Штифт
В узле: 1
Содержащиеся в справочниках-каталогах запасные части и детали не предлагаются к продаже, а носят исключительно информационный характер

Ваша заявка была отправлена. В ближайшее время наши специалисты с Вами свяжутся по указанному Вами телефону.

Представьтесь
Поле обязательно для заполнения
Ваш телефон
Введите правильный номер телефона
E-mail
Введите правильный e-mail
Тема
Тема
применяемость финансирование доставка цена, наличие другое сервис и гарантия
Время для звонка
08:00
08:00 09:00 10:00 11:00 12:00 13:00 14:00 15:00 16:00 17:00 18:00 19:00
19:00
08:00 09:00 10:00 11:00 12:00 13:00 14:00 15:00 16:00 17:00 18:00 19:00

Мы постараемся перезвонить в указанное время

Если вы не хотите ждать, то звоните нашим вежливым консультантам:

8 800 100-2-700
Подтвердите, что вы не робот
Подтвердите, что вы не робот
Спасибо!

Ваше сообщение успешно отправлено!

ЗакрытьПовторить попытку