Каталог запасных частей к технике: ЛТЗ-55. Колонка рулевая

zoom-in zoom-out enlarge shrink circle-right circle-left file-text2 info cart arraw right arraw left zoom out zoom in arraw maximize arraw minimize
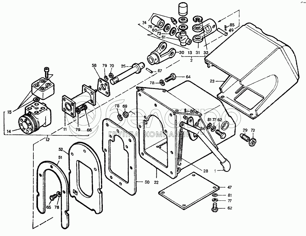
Т40М1-3401400
1
2
11
12
13
14
15
22
23
25
28
29
30
31
32
47
49
50
51
52
58
60
61
62
62
64
65
66
69
70
72
73
74
76
77
77
78
78
78
79
79
81
81
84
85
86
87
28
50-1605152
Пружина
В узле: 1
50-1605152 Пружина МТЗ, Беларусь Под заказ 145.06 р.
73
010-014-25-2-2
Кольцо
В узле: 4
010-014-25-2-2 Кольцо уплотнительное, Беларусь >10 шт. 5.32 р.
Т40М1-3401400
Колонка рулевая (гидромеханическая)
В узле: 1
1
Т40М1-3401020
Фиксатор
В узле: 1
2
Т40М1-3401050
Кардан
В узле: 1
11
Т40S1-3401490
Переходник со шпильками
В узле: 1
12
Т40S1-3405070
Насос-дозатор с блоком клапанов
В узле: 1
13
К005-01
Крестовина кардана
В узле: 1
14
150-0040
Насос-дозатор ОSР В80 ОN
В узле: 1
15
152-0015
Блок клапанов
В узле: 1
22
Т40S1-3401410
Корпус
В узле: 1
23
Т40М1-3401420-01
Кожух
В узле: 1
25
Т40S1-3401430
Вал промежуточный
В узле: 1
29
Т40М1-3401011
Ось
В узле: 2
30
Т40М1-3401017
Вилка
В узле: 1
31
Т40М1-3401052
Вилка
В узле: 1
32
Т40М1-3401053
Кольцо
В узле: 4
47
Т40М1-3401403
Крышка
В узле: 1
49
Т40М1-3401407
Ось
В узле: 1
50
Т40М1-3401408
Прокладка
В узле: 1
51
Т40S1-3401456
Накладка
В узле: 1
52
Т40S1-3401457
Уплотнение
В узле: 1
58
Т40S1-3401491
Прокладка
В узле: 1
60
Н.051.01.401
Корпус уплотнителя
В узле: 4
61
Н.051.01.606-А
Крестовина
В узле: 1
62
М6-6gх16.88.019
Болт
В узле: 6
64
М8-6gх20.88.019
Болт
В узле: 8
65
М8-6gх30.88.019
Болт
В узле: 3
66
М10-6gх20.88.019
Болт
В узле: 4
69
М8-6Н.6.019
Гайка
В узле: 1
70
М10-6Н.6.019
Гайка
В узле: 4
72
М20х1,5-6Н.8.019
Гайка
В узле: 2
74
1.1.В1
Масленка
В узле: 1
76
904700УС17
Подшипник
В узле: 4
77
6Т65Г06
Шайба
В узле: 6
78
8Т65Г06
Шайба
В узле: 9
79
100Т65Г06
Шайба
В узле: 6
81
А.6.01.08кп.019
Шайба
В узле: 6
84
А.14.02.019
Шайба
В узле: 1
85
3,2х18.019
Шплинт
В узле: 2
86
3,2х20.019
Шплинт
В узле: 1
87
2.8х30
Штифт
В узле: 1
Содержащиеся в справочниках-каталогах запасные части и детали не предлагаются к продаже, а носят исключительно информационный характер

Ваша заявка была отправлена. В ближайшее время наши специалисты с Вами свяжутся по указанному Вами телефону.

Представьтесь
Поле обязательно для заполнения
Ваш телефон
Введите правильный номер телефона
E-mail
Введите правильный e-mail
Тема
Тема
применяемость финансирование доставка цена, наличие другое сервис и гарантия
Время для звонка
08:00
08:00 09:00 10:00 11:00 12:00 13:00 14:00 15:00 16:00 17:00 18:00 19:00
19:00
08:00 09:00 10:00 11:00 12:00 13:00 14:00 15:00 16:00 17:00 18:00 19:00

Мы постараемся перезвонить в указанное время

Если вы не хотите ждать, то звоните нашим вежливым консультантам:

8 800 100-2-700
Подтвердите, что вы не робот
Подтвердите, что вы не робот
Спасибо!

Ваше сообщение успешно отправлено!

ЗакрытьПовторить попытку