Каталог запасных частей к технике: ЛТЗ-55. Крюк тяговый Т25-4632020-А

zoom-in zoom-out enlarge shrink circle-right circle-left file-text2 info cart arraw right arraw left zoom out zoom in arraw maximize arraw minimize
Т25-4632020-А
1
2
3
4
5
5
6
7
8
9
10
11
12
13
14
15
16
16
17
Т25-4632020-А
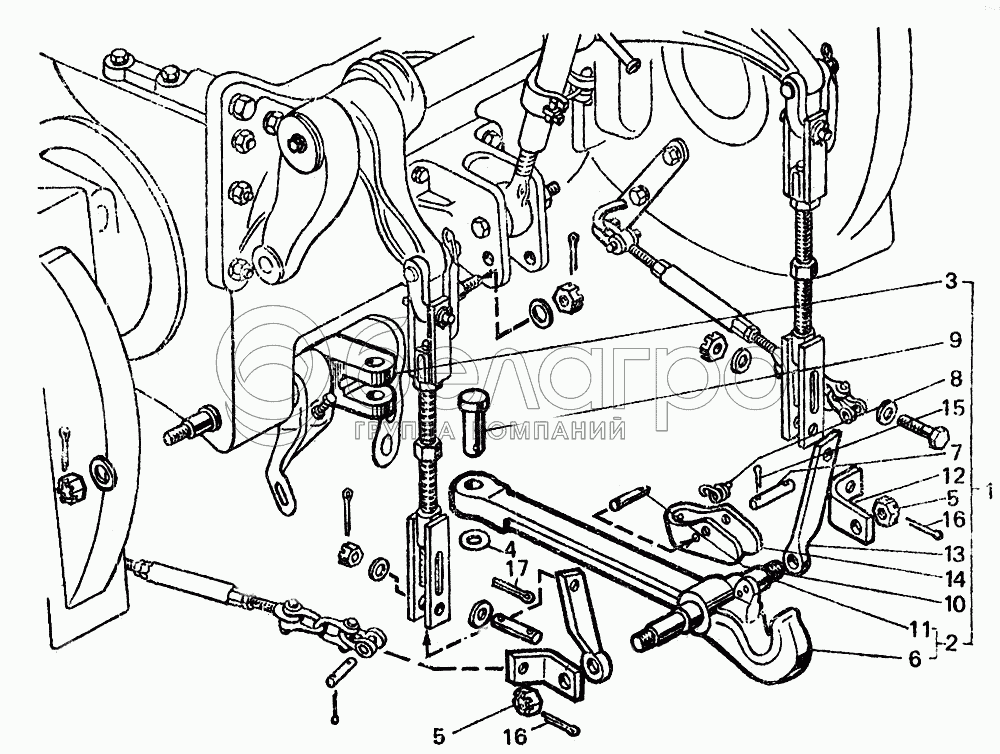
Установка тягового крюка
В узле: 1
1
Т25-4632010-А1
Крюк тяговый
В узле: 1
2
Т40-4632050
Крюк тяговый со стержнем
В узле: 1
3
Т25-4628355-А
Обойма
В узле: 1
4
Т25-3504049
Шайба черная
В узле: 1
5
Т40-4628137
Гайка прорезная М18Х1,5
В узле: 2
6
Т40-4632012
Крюк тяговый
В узле: 1
7
Т25-4632013-В
Палец
В узле: 1
8
Т25-4632014-Д
Пружина
В узле: 1
9
Т40-4632015
Ось
В узле: 1
10
Т25-4632016
Палец
В узле: 1
11
Т40-4632023-Б
Стержень крюка
В узле: 1
12
Т40-4632024
Серьга крюка
В узле: 2
13
Т40-4632025-Б
Шарнир крюка
В узле: 2
14
Т25-4632032-В
Скоба
В узле: 1
15
4х25.019
Шплинт
В узле: 4
16
4х32.019
Шплинт
В узле: 2
17
6,3х40.019
Шплинт
В узле: 1
Содержащиеся в справочниках-каталогах запасные части и детали не предлагаются к продаже, а носят исключительно информационный характер

Ваша заявка была отправлена. В ближайшее время наши специалисты с Вами свяжутся по указанному Вами телефону.

Представьтесь
Поле обязательно для заполнения
Ваш телефон
Введите правильный номер телефона
E-mail
Введите правильный e-mail
Тема
Тема
применяемость финансирование доставка цена, наличие другое сервис и гарантия
Время для звонка
08:00
08:00 09:00 10:00 11:00 12:00 13:00 14:00 15:00 16:00 17:00 18:00 19:00
19:00
08:00 09:00 10:00 11:00 12:00 13:00 14:00 15:00 16:00 17:00 18:00 19:00

Мы постараемся перезвонить в указанное время

Если вы не хотите ждать, то звоните нашим вежливым консультантам:

8 800 100-2-700
Подтвердите, что вы не робот
Подтвердите, что вы не робот
Спасибо!

Ваше сообщение успешно отправлено!

ЗакрытьПовторить попытку