Каталог запасных частей к технике: ЛТЗ-55. Крюк тяговый Т40М1-4632010

zoom-in zoom-out enlarge shrink circle-right circle-left file-text2 info cart arraw right arraw left zoom out zoom in arraw maximize arraw minimize
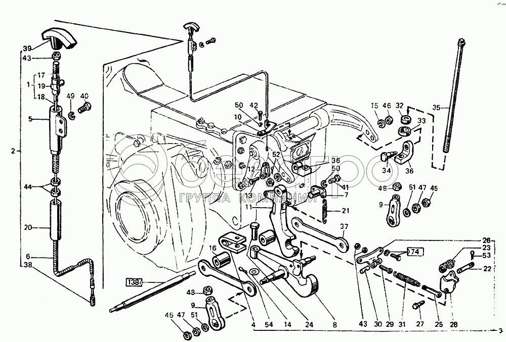
Т40М1-4632010
1
2
3
4
5
6
7
8
9
9
10
11
12
13
14
15
16
17
18
19
20
21
22
23
24
25
26
27
28
29
30
31
32
33
34
35
36
36
37
38
39
40
41
42
43
43
44
45
45
46
47
47
48
48
49
50
50
51
51
52
53
54
Т40М1-4632010
Крюк тяговый
В узле: 1
1
Т40-4628670-02
Тяга с троссом
В узле: 1
2
Т40-4628680-02
Управление упором
В узле: 1
3
Т40-4632030-У2
Крюк с защелкой
В узле: 1
4
Т25-4628355-А
Обойма
В узле: 1
5
Т40-4628660
Держатель
В узле: 1
6
Т40-4628690-02
Оболочка
В узле: 1
7
Т40М1-4632040
Кронштейн
В узле: 1
8
Т25-4632050-У
Крюк со стержнем
В узле: 1
9
Т25-4632080-У
Серьга
В узле: 2
10
Т40М1-4632110
Кронштейн
В узле: 1
11
Т40М1-4632120
Захват с кронштейном
В узле: 1
12
Т25-1602136-А
Вилка тяги
В узле: 1
13
Т25-1602138
Палец
В узле: 1
14
Т25-3504049
Шайба черная
В узле: 1
15
Т25-4628351
Шайба
В узле: 2
16
Т25-4628357
Втулка
В узле: 2
17
Т40-4628671
Тяга
В узле: 1
18
Т40-4628672-02
Трос
В узле: 1
19
Т40-4628673
Штифт
В узле: 1
20
Т40-4628683
Втулка
В узле: 1
21
Т40-4628711
Пружина
В узле: 1
22
Т25-4632013-У
Палец
В узле: 1
23
Т25-4632014-У
Пружина
В узле: 1
24
Т40-4632015
Ось
В узле: 1
25
Т25-4632019-У
Планка скобы
В узле: 1
26
Т25-4632022-У
Кронштейн
В узле: 1
27
Т25-4632031-У
Болт
В узле: 1
28
Т25-4632033-У2
Скоба
В узле: 1
29
Т25-4632035-У
Винт
В узле: 1
30
Т25-4632036-У
Ось
В узле: 1
31
Т25-4632037-У
Пружина скобы
В узле: 1
32
Т25-4632038-У
Шайба сферическая
В узле: 2
33
Т25-4632039-У
Пята
В узле: 2
34
Т25-4632041-У1
Ось
В узле: 2
35
Т25-4632042-У1
Винт тяги
В узле: 2
36
Т25-4632043-У2
Кронштейн крюка
В узле: 2
37
Т25-4632051-У
Тяга блокировки
В узле: 2
38
Т40-4632057
Винт
В узле: 1
39
А13.28.000
Рукоятка тяги
В узле: 1
40
М6-6gх14.88.019
Болт
В узле: 2
41
М8-6gх16.88.019
Болт
В узле: 1
42
М8-6gх20.88.019
Болт
В узле: 2
43
М8-6Н.6.019
Гайка
В узле: 2
44
М10-6Н.6.019
Гайка
В узле: 2
45
М20-6Н.6.019
Гайка
В узле: 2
46
М20х1,5-6Н.6.019
Гайка
В узле: 2
47
М20-6Н.04.019
Гайка
В узле: 2
48
М20х1,5-6Н.04.019
Гайка
В узле: 2
49
6Т65Г06
Шайба
В узле: 2
50
8Т65Г06
Шайба
В узле: 3
51
200Т65Г06
Шайба
В узле: 2
52
2х20.019
Шплинт
В узле: 1
53
4х22.019
Шплинт
В узле: 2
54
6,3х40.019
Шплинт
В узле: 1
Содержащиеся в справочниках-каталогах запасные части и детали не предлагаются к продаже, а носят исключительно информационный характер

Ваша заявка была отправлена. В ближайшее время наши специалисты с Вами свяжутся по указанному Вами телефону.

Представьтесь
Поле обязательно для заполнения
Ваш телефон
Введите правильный номер телефона
E-mail
Введите правильный e-mail
Тема
Тема
применяемость финансирование доставка цена, наличие другое сервис и гарантия
Время для звонка
08:00
08:00 09:00 10:00 11:00 12:00 13:00 14:00 15:00 16:00 17:00 18:00 19:00
19:00
08:00 09:00 10:00 11:00 12:00 13:00 14:00 15:00 16:00 17:00 18:00 19:00

Мы постараемся перезвонить в указанное время

Если вы не хотите ждать, то звоните нашим вежливым консультантам:

8 800 100-2-700
Подтвердите, что вы не робот
Подтвердите, что вы не робот
Спасибо!

Ваше сообщение успешно отправлено!

ЗакрытьПовторить попытку