Каталог запасных частей к технике: ЛТЗ Т-40М. Головка цилиндра Д37М-1000080-Б5

zoom-in zoom-out enlarge shrink circle-right circle-left file-text2 info cart arraw right arraw left zoom out zoom in arraw maximize arraw minimize
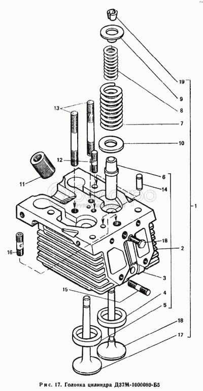
1
2
3
4
5
6
7
8
9
10
11
12
13
14
15
16
17
18
18
19
Д37М-1000080-Б5
Головка цилиндра со шпильками
В узле: 1
Д37М-1000080-Б5
Головка цилиндра со шпильками
В узле: 1
1
Д37М-1003008-Б5
Головка цилиндра с клапанами и пружинами
В узле: 1
2
Д37М-1003012-Б5
Головка цилиндра со втулками и седлами
В узле: 1
3
Д37М-1003015-Б5
Головка цилиндра
В узле: 1
4
Д37М-1003021-Б2
Седло клапана впускного
В узле: 1
5
Д37М-1003022-Б2
Седло клапана выпускного
В узле: 1
6
Д37М-1007033-А2
Втулка направляющая клапана
В узле: 2
7
Д37Е-1007045-А
Пружина клапана наружная
В узле: 2
8
Д37Е-1007046-А
Пружина клапана внутренняя
В узле: 2
9
Д37Е-1007048
Тарелка пружины клапана
В узле: 2
10
Д37Е-1007109
Шайба пружины клапана
В узле: 2
11
Д37М-1007118
Пробка
В узле: 1
12
Д37М-1007157
Шпилька малая стойки коромысел
В узле: 1
13
Д37М-1007188-А2
Шпилька стойки коромысел
В узле: 2
14
Д30-1007494
Штифт стойки
В узле: 2
15
Д37М-1008125-А2
Шпилька
В узле: 4
16
Д37М-1408498-В
Шпилька
В узле: 1
17
А05.09.001
Клапан впускной
В узле: 1
18
А05.09.003
Клапан выпускной
В узле: 1
19
А.67.09.001
Сухарь клапана
В узле: 4
Содержащиеся в справочниках-каталогах запасные части и детали не предлагаются к продаже, а носят исключительно информационный характер

Ваша заявка была отправлена. В ближайшее время наши специалисты с Вами свяжутся по указанному Вами телефону.

Представьтесь
Поле обязательно для заполнения
Ваш телефон
Введите правильный номер телефона
E-mail
Введите правильный e-mail
Тема
Тема
применяемость финансирование доставка цена, наличие другое сервис и гарантия
Время для звонка
08:00
08:00 09:00 10:00 11:00 12:00 13:00 14:00 15:00 16:00 17:00 18:00 19:00
19:00
08:00 09:00 10:00 11:00 12:00 13:00 14:00 15:00 16:00 17:00 18:00 19:00

Мы постараемся перезвонить в указанное время

Если вы не хотите ждать, то звоните нашим вежливым консультантам:

8 800 100-2-700
Подтвердите, что вы не робот
Подтвердите, что вы не робот
Спасибо!

Ваше сообщение успешно отправлено!

ЗакрытьПовторить попытку