Каталог запасных частей к технике: ЛТЗ Т-40М. Картер дизеля Д37М-1002008-А

zoom-in zoom-out enlarge shrink circle-right circle-left file-text2 info cart arraw right arraw left zoom out zoom in arraw maximize arraw minimize
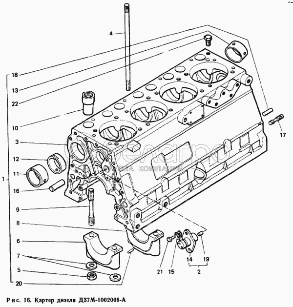
1
2
3
4
5
6
7
8
9
10
11
12
13
14
15
16
17
18
19
20
21
22
Д37М-1002008-А
Картер дизеля
В узле: 1
Д37М-1002008-А
Картер дизеля
В узле: 1
1
Д37М-1002010-А
Картер дизеля
В узле: 1
2
Д37М-1002170
Палец паразитной шестерни
В узле: 1
3
Д37М-1002015-А2
Картер дизеля
В узле: 1
4
Д37М-1002028-А2
Шпилька анкерная
В узле: 16
5
Д37М-1002029
Гайка
В узле: 10
6
Д37М-1002052-А
Крышка 1-, 2-, 4-, 5-го коренных подшипников
В узле: 4
7
Д37М-1002053
Шайба
В узле: 10
8
Д37М-1002062-Б1
Крышка 3-го коренного подшипника
В узле: 1
9
Д37М-1002104-А
Шпилька крышек коренных подшипников
В узле: 10
10
Д37Е-1002115
Втулка толкателя
В узле: 8
11
Д37М-1002132-А
Втулка распределительного вала передняя
В узле: 1
12
Д37М-1002135-А
Втулка распределительного вала средняя
В узле: 1
13
Д37М-1002138
Втулка распределительного вала задняя
В узле: 1
14
Д37М-1002175
Палец паразитной шестерни
В узле: 1
15
Д37М-1002176
Шайба стопорная
В узле: 2
16
Д30-1002184
Штифт
В узле: 2
17
Д30-1002314
Шпилька
В узле: 10
18
Д30-1005319
Штифт установочный
В узле: 2
19
Д37М-1007118
Пробка
В узле: 1
20
Д30-1407565-А
Штифт ведущий
В узле: 4
21
47 9367 0006
Болт 4М8-6gх20.88.35.019 ГОСТ 7796-70
В узле: 2
22
47 9795 1021
Пробка КГ 1/8" ОСТ 23.1.117-83
В узле: 2
Содержащиеся в справочниках-каталогах запасные части и детали не предлагаются к продаже, а носят исключительно информационный характер

Ваша заявка была отправлена. В ближайшее время наши специалисты с Вами свяжутся по указанному Вами телефону.

Представьтесь
Поле обязательно для заполнения
Ваш телефон
Введите правильный номер телефона
E-mail
Введите правильный e-mail
Тема
Тема
применяемость финансирование доставка цена, наличие другое сервис и гарантия
Время для звонка
08:00
08:00 09:00 10:00 11:00 12:00 13:00 14:00 15:00 16:00 17:00 18:00 19:00
19:00
08:00 09:00 10:00 11:00 12:00 13:00 14:00 15:00 16:00 17:00 18:00 19:00

Мы постараемся перезвонить в указанное время

Если вы не хотите ждать, то звоните нашим вежливым консультантам:

8 800 100-2-700
Подтвердите, что вы не робот
Подтвердите, что вы не робот
Спасибо!

Ваше сообщение успешно отправлено!

ЗакрытьПовторить попытку