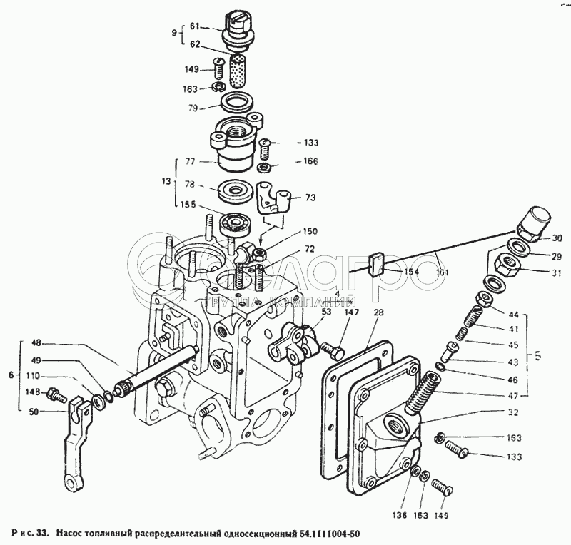
Каталог запасных частей к технике: ЛТЗ Т-40М. Насос топливный распределительный односекционный 54.1111004-50

zoom-in zoom-out enlarge shrink circle-right circle-left file-text2 info cart arraw right arraw left zoom out zoom in arraw maximize arraw minimize
5
6
9
13
28
29
30
31
32
41
43
44
45
46
47
48
49
50
53
61
62
72
73
77
78
79
110
110
110
133
133
147
148
148
149
149
150
155
161
163
163
163
166
29 ГОСТ 8338-75
Подшипник
В узле: 1
54.1111004-50
Насос топливный односекционный
В узле: 1
3
21.1110100-01
Привод управления
В узле: 1
5
21.1110170-01
Корректор
В узле: 1
6
21.1110180
Рычаг управления
В узле: 1
9
21.1110270
Сапун
В узле: 1
13
21.1110510-10
Крышка верхняя регулятора
В узле: 1
28
21.1110016
Прокладка
В узле: 1
29
21.1110021
Прокладка
В узле: 2
30
21.1110022
Колпачок корректора
В узле: 1
31
21.1110023
Контргайка корректора
В узле: 1
32
21.1110024
Крышка регулятора
В узле: 1
41
21.1110172
Винт регулировочный корректора
В узле: 1
43
21.1110174
Шток корректора
В узле: 1
44
21.1110175
Контргайка регулировочного винта
В узле: 1
45
21.1110176
Пружина корректора
В узле: 1
46
21.1110177
Прокладка регулировочная
В узле: 1
47
21.1110178
Корпус корректора
В узле: 1
48
21.1110181
Ось рычага управления
В узле: 1
49
21.1110183-01
Кольцо уплотнительное
В узле: 1
50
21.1110184
Рычаг управления
В узле: 1
53
21.1110192
Втулка рычажная
В узле: 1
61
21.1110271
Корпус сапуна
В узле: 1
62
21.1110272
Набивка сапуна
В узле: 1
72
21.1110361
Винт регулировочный
В узле: 2
73
21.1110363
Колпачок
В узле: 1
77
21.1110504-10
Крышка верхняя регулятора
В узле: 1
78
21.1110512
Лимб
В узле: 1
79
21.1110513
Прокладка
В узле: 1
110
21.1111211-01
Прокладка
В узле: 1
110
21.1111211-01
Прокладка
В узле: 2
110
21.1111211-01
Прокладка
В узле: 8
133
21.1111349
Винт
В узле: 5
147
Болт М6-8gХ12.88.05 ГОСТ 7798-70
Болт М6-8gХ12.88.05 ГОСТ 7798-70
В узле: 1
148
Болт М6-8gХ14.88.016 ГОСТ 7798-70
Болт М6-8gХ14.88.016 ГОСТ 7798-70
В узле: 1
148
Болт М6-8gХ14.88.016 ГОСТ 7798-70
Болт М6-8gХ14.88.016 ГОСТ 7798-70
В узле: 1
149
Винт А1.М6-8gХ 18.88.016 ГОСТ 17473-80
Винт А1.М6-8gХ 18.88.016 ГОСТ 17473-80
В узле: 10
150
Гайка М6.6Н.8.016 ГОСТ 5915-70
Гайка М6.6Н.8.016 ГОСТ 5915-70
В узле: 6
155
29 ГОСТ 8338-75
Подшипник
В узле: 1
161
Проволока КС 0,8 ГОСТ 792-67 L=700 мм
Проволока КС 0,8 ГОСТ 792-67 L=700 мм
В узле: 1
163
Шайба 6 65Г 06 ГОСТ 6402-70
Шайба 6 65Г 06 ГОСТ 6402-70
В узле: 18
166
Шайба 6 65Г 06 ГОСТ 6402-70
Шайба 6 65Г 06 ГОСТ 6402-70
В узле: 1
Содержащиеся в справочниках-каталогах запасные части и детали не предлагаются к продаже, а носят исключительно информационный характер

Ваша заявка была отправлена. В ближайшее время наши специалисты с Вами свяжутся по указанному Вами телефону.

Представьтесь
Поле обязательно для заполнения
Ваш телефон
Введите правильный номер телефона
E-mail
Введите правильный e-mail
Тема
Тема
применяемость финансирование доставка цена, наличие другое сервис и гарантия
Время для звонка
08:00
08:00 09:00 10:00 11:00 12:00 13:00 14:00 15:00 16:00 17:00 18:00 19:00
19:00
08:00 09:00 10:00 11:00 12:00 13:00 14:00 15:00 16:00 17:00 18:00 19:00

Мы постараемся перезвонить в указанное время

Если вы не хотите ждать, то звоните нашим вежливым консультантам:

8 800 100-2-700
Подтвердите, что вы не робот
Подтвердите, что вы не робот
Спасибо!

Ваше сообщение успешно отправлено!

ЗакрытьПовторить попытку