Каталог запасных частей к технике: ЛТЗ Т-40М. Насос топливный распределительный односекционный 54.1111004-50

zoom-in zoom-out enlarge shrink circle-right circle-left file-text2 info cart arraw right arraw left zoom out zoom in arraw maximize arraw minimize
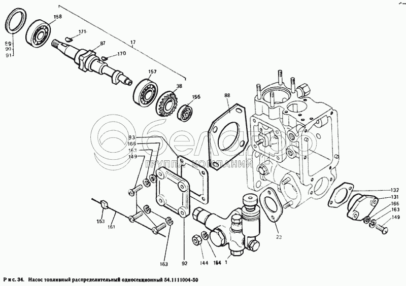
1
17
23
38
87
88
89
90
91
92
93
131
132
149
149
153
156
157
158
161
163
163
163
164
170
171
1
21.1106010
Насос топливо подкачивающий
В узле: 1
21.1106010 Насос топливный СМД, Д-21, Д-37 низкого давления, (А) >10 шт. 612.38 р.
156
29 ГОСТ 8338-75
Подшипник
В узле: 1
54.1111004-50
Насос топливный односекционный
В узле: 1
17
54.1111080
Вал кулачковый
В узле: 1
23
21.1106009
Прокладка
В узле: 1
38
54.1110064
Шестерня ведущая z=28
В узле: 1
87
54.1111055
Вал кулачковый
В узле: 1
88
21.1111076-01
Прокладка уплотнительная
В узле: 1
89
54.1111078
Прокладка регулировочная
В узле: 2
90
54.1111078-01
Прокладка регулировочная
В узле: 4
91
54.1111078-02
Прокладка регулировочная
В узле: 2
92
54.1111104
Крышка боковая
В узле: 1
93
21.1111106
Прокладка крышки боковой
В узле: 1
131
54.1111301
Крышка привода
В узле: 1
132
21.1111304
Прокладка
В узле: 2
133
21.1111349
Винт
В узле: 5
149
Винт А1.М6-8gХ 18.88.016 ГОСТ 17473-80
Винт А1.М6-8gХ 18.88.016 ГОСТ 17473-80
В узле: 10
153
Пломба 1-6Х8 АД1М ГОСТ 18677-73
Пломба 1-6Х8 АД1М ГОСТ 18677-73
В узле: 3
157
204 ГОСТ 8338-75
Подшипник (46121214329)
В узле: 1
158
304 ГОСТ 8338-75
Подшипник (46121238320)
В узле: 1
161
Проволока КС 0,8 ГОСТ 792-67 L=700 мм
Проволока КС 0,8 ГОСТ 792-67 L=700 мм
В узле: 1
164
Шайба 6 65Г 06 ГОСТ 6402-70
Шайба 6 65Г 06 ГОСТ 6402-70
В узле: 1
170
Шпонка 2,5Х3,7 ГОСТ 24071-80
Шпонка 2,5Х3,7 ГОСТ 24071-80
В узле: 1
171
Шпонка 4Х6,5 ГОСТ 24071-80
Шпонка 4Х6,5 ГОСТ 24071-80
В узле: 1
Содержащиеся в справочниках-каталогах запасные части и детали не предлагаются к продаже, а носят исключительно информационный характер

Ваша заявка была отправлена. В ближайшее время наши специалисты с Вами свяжутся по указанному Вами телефону.

Представьтесь
Поле обязательно для заполнения
Ваш телефон
Введите правильный номер телефона
E-mail
Введите правильный e-mail
Тема
Тема
применяемость финансирование доставка цена, наличие другое сервис и гарантия
Время для звонка
08:00
08:00 09:00 10:00 11:00 12:00 13:00 14:00 15:00 16:00 17:00 18:00 19:00
19:00
08:00 09:00 10:00 11:00 12:00 13:00 14:00 15:00 16:00 17:00 18:00 19:00

Мы постараемся перезвонить в указанное время

Если вы не хотите ждать, то звоните нашим вежливым консультантам:

8 800 100-2-700
Подтвердите, что вы не робот
Подтвердите, что вы не робот
Спасибо!

Ваше сообщение успешно отправлено!

ЗакрытьПовторить попытку