Каталог запасных частей к технике: ЛТЗ Т-40М. Топливопроводы Д42-1104020-Г, Т40АН-1105020-Б

zoom-in zoom-out enlarge shrink circle-right circle-left file-text2 info cart arraw right arraw left zoom out zoom in arraw maximize arraw minimize
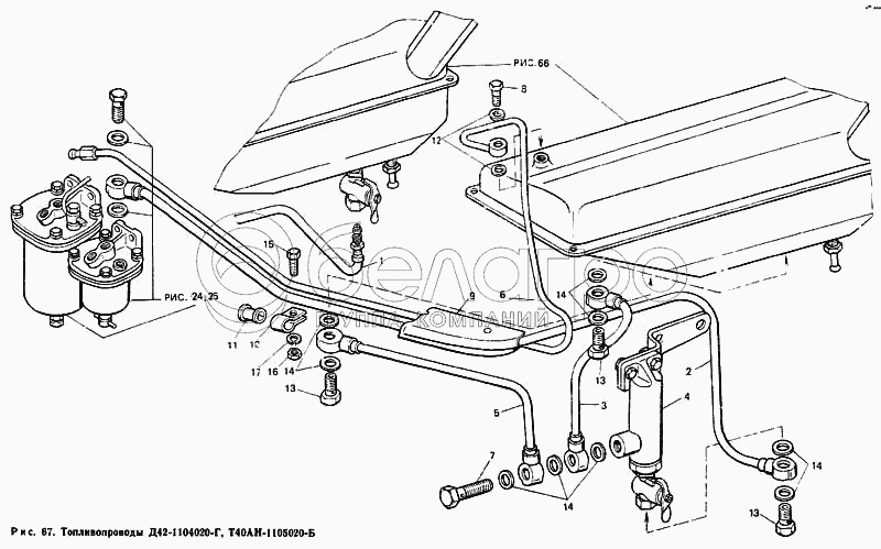
1
1
2
3
4
5
6
6
7
8
8
9
9
10
10
11
11
12
13
13
13
14
14
14
14
15
15
16
16
17
17
Д42-1104020-Г
Топливопроводы
В узле: 1
Д42-1104020-Г
Топливопроводы
В узле: 1
Т40А11-1105020-Б
Топливопроводы
В узле: 1
Т40А11-1105020-Б
Топливопроводы
В узле: 1
Д42-1104020-Г
Топливопроводы
В узле: 1
1
Д42-1104040-Б2
Топливопровод к фильтру грубой очистки
В узле: 1
1
Д42-1104040-Б2
Топливопровод к фильтру грубой очистки
В узле: 1
2
Т40АН-1105040
Топливопровод к фильтру грубой очистки
В узле: 1
3
Т40АН-1104050-А
Трубопровод к фильтру тонкой очистки
В узле: 1
4
Т40АН-1105050
Фильтр
В узле: 1
5
Т40АН-1104070
Трубопровод от бака к фильтру
В узле: 1
6
Д42-1104350-Б
Трубопровод форсунок сливной
В узле: 1
6
Д42-1104350-Б
Трубопровод форсунок сливной
В узле: 1
7
Т40АН-1104024
Болт поворотного угольника
В узле: 1
8
Д42-1104088
Болт поворотного угольника
В узле: 1
8
Д42-1104088
Болт поворотного угольника
В узле: 1
9
Д42-1104127
Кожух
В узле: 1
9
Д42-1104127
Кожух
В узле: 1
10
Т25-3724631
Скоба
В узле: 1
10
Т25-3724631
Скоба
В узле: 1
11
Т25-3724632
Прокладка (476117608201)
В узле: 1
11
Т25-3724632
Прокладка (476117608201)
В узле: 1
12
Д16179
Кольцо уплотнительное
В узле: 1
13
Д18051
Болт поворотного угольника
В узле: 1
13
Д18051
Болт поворотного угольника
В узле: 3
14
Д18055-А
Кольцо уплотнительное
В узле: 2
14
Д18055-А
Кольцо уплотнительное
В узле: 9
15
Болт М8-6gХ16.88.35.019 ГОСТ 7796-70
Болт М8-6gХ16.88.35.019 ГОСТ 7796-70
В узле: 1
15
Болт М8-6gХ16.88.35.019 ГОСТ 7796-70
Болт М8-6gХ16.88.35.019 ГОСТ 7796-70
В узле: 1
16
Гайка М8-6Н.6.019 ГОСТ 5915-70
Гайка М8-6Н.6.019 ГОСТ 5915-70
В узле: 1
16
Гайка М8-6Н.6.019 ГОСТ 5915-70
Гайка М8-6Н.6.019 ГОСТ 5915-70
В узле: 1
17
Шайба 8Т 65Г 06 ГОСТ 6402-70
Шайба 8Т 65Г 06 ГОСТ 6402-70
В узле: 1
17
Шайба 8Т 65Г 06 ГОСТ 6402-70
Шайба 8Т 65Г 06 ГОСТ 6402-70
В узле: 1
Содержащиеся в справочниках-каталогах запасные части и детали не предлагаются к продаже, а носят исключительно информационный характер

Ваша заявка была отправлена. В ближайшее время наши специалисты с Вами свяжутся по указанному Вами телефону.

Представьтесь
Поле обязательно для заполнения
Ваш телефон
Введите правильный номер телефона
E-mail
Введите правильный e-mail
Тема
Тема
применяемость финансирование доставка цена, наличие другое сервис и гарантия
Время для звонка
08:00
08:00 09:00 10:00 11:00 12:00 13:00 14:00 15:00 16:00 17:00 18:00 19:00
19:00
08:00 09:00 10:00 11:00 12:00 13:00 14:00 15:00 16:00 17:00 18:00 19:00

Мы постараемся перезвонить в указанное время

Если вы не хотите ждать, то звоните нашим вежливым консультантам:

8 800 100-2-700
Подтвердите, что вы не робот
Подтвердите, что вы не робот
Спасибо!

Ваше сообщение успешно отправлено!

ЗакрытьПовторить попытку