Каталог запасных частей к технике: ЛТЗ Т-40М. Фильтр-отстойник Т40АН-1105080

zoom-in zoom-out enlarge shrink circle-right circle-left file-text2 info cart arraw right arraw left zoom out zoom in arraw maximize arraw minimize
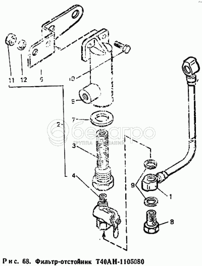
1
2
3
4
5
6
7
8
9
10
11
12
Т40АН-1105080
Фильтр-отстойник
В узле: 1
1
Т40АН-1105040
Топливопровод к фильтру грубой очистки
В узле: 1
2
Т40АН-1105050
Фильтр
В узле: 1
3
Т40АН-1105060
Фильтр
В узле: 1
4
КР25-1013000
Кран КР25 ОСТ 37 001 241-81 (ПП6-1-0)
В узле: 1
5
Т40АН-1105051
Корпус фильтра
В узле: 1
6
Т40АН-1105052
Кронштейн
В узле: 1
7
Н.036.28.006
Кольцо уплотнительное
В узле: 1
8
Д18051
Болт поворотного угольника
В узле: 1
9
Д18055-А
Кольцо уплотнительное
В узле: 2
10
Болт М8-6gХ20.88 35.019 ГОСТ 7796-70
Болт М8-6gХ20.88 35.019 ГОСТ 7796-70
В узле: 2
11
Гайка М8-6Н.6.019 ГОСТ 5915-70
Гайка М8-6Н.6.019 ГОСТ 5915-70
В узле: 2
12
Шайба 8Т 65Г 06 ГОСТ 6402-70
Шайба 8Т 65Г 06 ГОСТ 6402-70
В узле: 2
Содержащиеся в справочниках-каталогах запасные части и детали не предлагаются к продаже, а носят исключительно информационный характер

Ваша заявка была отправлена. В ближайшее время наши специалисты с Вами свяжутся по указанному Вами телефону.

Представьтесь
Поле обязательно для заполнения
Ваш телефон
Введите правильный номер телефона
E-mail
Введите правильный e-mail
Тема
Тема
применяемость финансирование доставка цена, наличие другое сервис и гарантия
Время для звонка
08:00
08:00 09:00 10:00 11:00 12:00 13:00 14:00 15:00 16:00 17:00 18:00 19:00
19:00
08:00 09:00 10:00 11:00 12:00 13:00 14:00 15:00 16:00 17:00 18:00 19:00

Мы постараемся перезвонить в указанное время

Если вы не хотите ждать, то звоните нашим вежливым консультантам:

8 800 100-2-700
Подтвердите, что вы не робот
Подтвердите, что вы не робот
Спасибо!

Ваше сообщение успешно отправлено!

ЗакрытьПовторить попытку