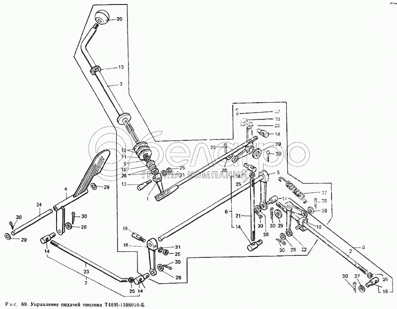
Каталог запасных частей к технике: ЛТЗ Т-40М. Управление подачей топлива Т40М-1108010-Б

zoom-in zoom-out enlarge shrink circle-right circle-left file-text2 info cart arraw right arraw left zoom out zoom in arraw maximize arraw minimize
1
2
3
4
5
6
7
8
9
10
11
12
13
13
14
14
14
14
14
14
15
16
17
18
19
20
21
22
22
23
24
25
25
25
25
25
26
27
27
28
28
28
28
28
28
28
29
29
29
29
30
30
30
30
30
30
30
30
30
30
30
31
31
Т40М-1108010-Б
Управление подачей топлива
В узле: 1
Т40М-1108010-Б
Управление подачей топлива
В узле: 1
Т40М-1108010-Б
Управление подачей топлива
В узле: 1
Т40М-1108010-Б
Управление подачей топлива
В узле: 1
Т40М-1108010-Б
Управление подачей топлива
В узле: 1
1
Т40-1108040-В1
Рычаг
В узле: 1
2
Д42-1108060-В
Тяга передняя
В узле: 1
3
Т40М-1108180-Б
Рукоятка
В узле: 1
4
Т40-1108220-А
Педаль
В узле: 1
5
Д42-1108250
Ось управления
В узле: 1
6
Т40-1108610
Тяга
В узле: 1
7
Д42-1108620
Тяга педали
В узле: 1
8
Т40-1108630-Б
Тяга передняя
В узле: 1
9
Т40М-1108011
Пружина
В узле: 1
10
Т40-1108012
Колпачок пружины
В узле: 1
11
Т40-1108013
Диск фрикциона
В узле: 1
12
Т40-1108014
Диск тормозной
В узле: 2
13
Т40-1108018-Б
Втулка
В узле: 1
14
Д30-1108063
Палец резьбовой
В узле: 1
14
Д30-1108063
Палец резьбовой
В узле: 2
14
Д30-1108063
Палец резьбовой
В узле: 2
15
Д30-1108063-Б
Палец резьбовой
В узле: 1
16
Д42-1108075
Втулка пальцевая
В узле: 1
17
Д42-1108076-А
Пружина
В узле: 1
18
Д30-1108086
Рычаг валика
В узле: 1
19
Д42-1108154-А
Винт стопорный
В узле: 2
20
Д42-1108160
Наконечник рукоятки
В узле: 1
21
Т40-1108186
Тяга
В узле: 1
22
Д30-1108212-Б
Рычаг
В узле: 2
23
Д30-1108225-Б
Тяга педали
В узле: 1
24
Д30-1108226
Палец педали
В узле: 1
25
Гайка М6-6Н.6.019 ГОСТ 5915-70
Гайка М6-6Н.6.019 ГОСТ 5915-70
В узле: 1
25
Гайка М6-6Н.6.019 ГОСТ 5915-70
Гайка М6-6Н.6.019 ГОСТ 5915-70
В узле: 5
25
Гайка М6-6Н.6.019 ГОСТ 5915-70
Гайка М6-6Н.6.019 ГОСТ 5915-70
В узле: 2
25
Гайка М6-6Н.6.019 ГОСТ 5915-70
Гайка М6-6Н.6.019 ГОСТ 5915-70
В узле: 1
25
Гайка М6-6Н.6.019 ГОСТ 5915-70
Гайка М6-6Н.6.019 ГОСТ 5915-70
В узле: 1
26
Гайка М12Х1,25-6Н.6.019 ГОСТ 5915-70
Гайка М12Х1,25-6Н.6.019 ГОСТ 5915-70
В узле: 2
27
Шайба 6.01.10.019 ГОСТ 11371-78
Шайба 6.01.10.019 ГОСТ 11371-78
В узле: 1
27
Шайба 6.01.10.019 ГОСТ 11371-78
Шайба 6.01.10.019 ГОСТ 11371-78
В узле: 1
28
Шайба 8.01.10.019 ГОСТ 11371-78
Шайба 8.01.10.019 ГОСТ 11371-78
В узле: 7
29
Шайба 10.01.10.019 ГОСТ 11371-78
Шайба 10.01.10.019 ГОСТ 11371-78
В узле: 2
30
Шплинт 2Х20-0019 ГОСТ 397-79
Шплинт 2Х20-0019 ГОСТ 397-79
В узле: 11
31
45 9816 6045
Шайба 6Т 65Г 06 ГОСТ 6402-70
В узле: 2
Содержащиеся в справочниках-каталогах запасные части и детали не предлагаются к продаже, а носят исключительно информационный характер

Ваша заявка была отправлена. В ближайшее время наши специалисты с Вами свяжутся по указанному Вами телефону.

Представьтесь
Поле обязательно для заполнения
Ваш телефон
Введите правильный номер телефона
E-mail
Введите правильный e-mail
Тема
Тема
применяемость финансирование доставка цена, наличие другое сервис и гарантия
Время для звонка
08:00
08:00 09:00 10:00 11:00 12:00 13:00 14:00 15:00 16:00 17:00 18:00 19:00
19:00
08:00 09:00 10:00 11:00 12:00 13:00 14:00 15:00 16:00 17:00 18:00 19:00

Мы постараемся перезвонить в указанное время

Если вы не хотите ждать, то звоните нашим вежливым консультантам:

8 800 100-2-700
Подтвердите, что вы не робот
Подтвердите, что вы не робот
Спасибо!

Ваше сообщение успешно отправлено!

ЗакрытьПовторить попытку