Каталог запасных частей к технике: Минитракторы Уралец. Коробка передач

zoom-in zoom-out enlarge shrink circle-right circle-left file-text2 info cart arraw right arraw left zoom out zoom in arraw maximize arraw minimize
1
1
2
2
2
2
3
3
3
3
4
5
6
6
6
7
8
8
9
10
11
12
12
13
13
13
14
15
16
17
18
19
20
21
22
23
24
24
25
26
27
28
29
30
31
32
1
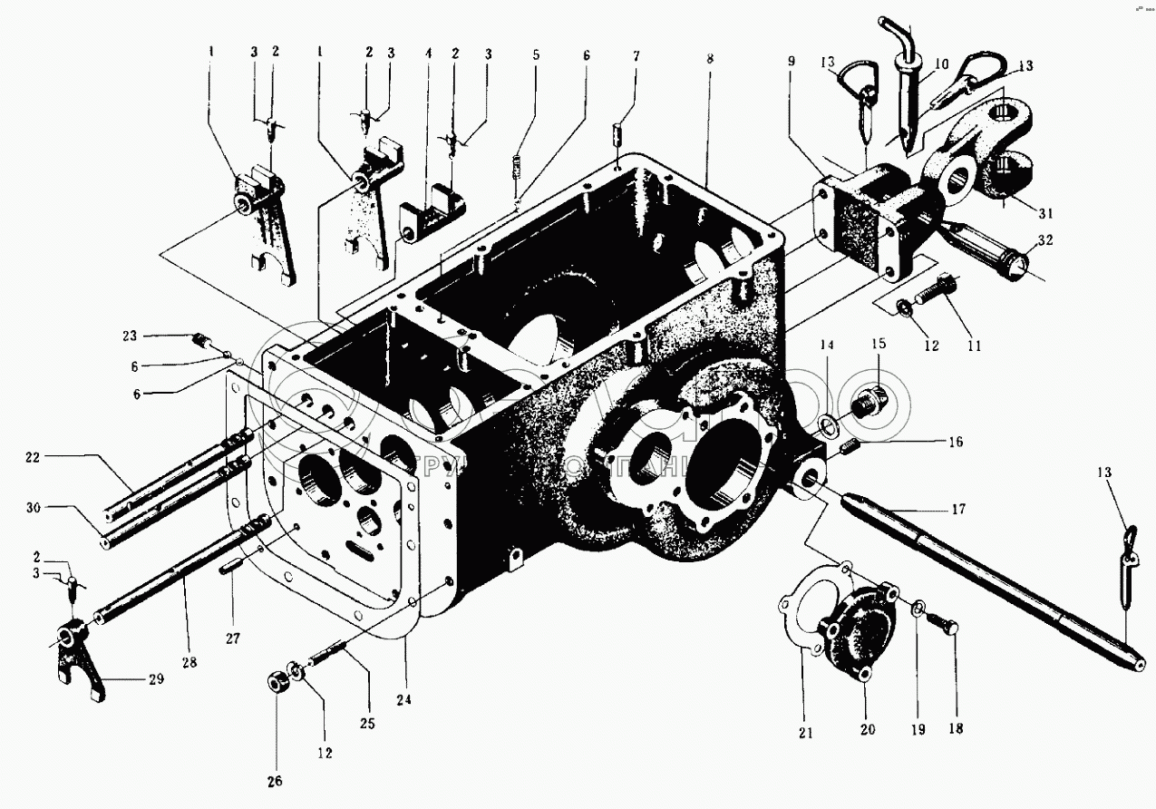
16.37.168
Вилка основной передачи
В узле: 2
2
GB86-88
Винт
В узле: 4
3
GB3081-82
Проволока стальная
В узле: ---
4
10T.37.305
Вилка дополнительной передачи
В узле: 1
5
10.37.104
Пружина стопорная
В узле: 3
6
GB308-84
Шарик
В узле: 5
7
GB119-86
Штифт
В узле: 2
8
10T.37.101-B
Корпус коробки передач
В узле: 1
8
16.37P.101
Корпус коробки передач
В узле: 1
9
16.35.104
Кронштейн прицепной серьги
В узле: 1
10
10T.35.011
Шкворень прицепной серьги
В узле: 1
11
GB5783-86
Болт
В узле: 4
12
GB93-87
Шайба
В узле: 12
13
10T.56.016
Палец стопорный
В узле: 1
14
10T.37.185
Шайба пробки
В узле: 1
15
10T.37.201
Пробка
В узле: 1
16
GB71-85
Винт
В узле: 2
17
14.56.101
Ось нижних тяг соединительная
В узле: 1
18
GB5781-86
Болт
В узле: 6
19
GB93-87
Шайба
В узле: 6
20
16.37.149
Крышка центрального вала
В узле: 2
21
16.37.147
Прокладка крышки центрального вала
В узле: 2
22
10T.37.170
Валик вилки второй и третьей передач
В узле: 1
23
ВинтМ12х16
Винт М12х16
В узле: ---
24
GB73-85
Прокладка между основной и дополнительной коробками
В узле: 1
24
10T.37.103
Прокладка между основной и дополнительной коробками
В узле: 1
25
GB901-88
Шпилька
В узле: 8
26
GB6170-86
Гайка
В узле: 8
27
GB119-86
Штифт
В узле: 2
28
10T.37.172
Валик вилки дополнительной передачи
В узле: 1
29
16.37.173
Вилка дополнительной передачи
В узле: 1
30
10T.37.169
Валик вилки первой передачи и заднего хода
В узле: 1
31
16.35.101
Серьга прицепная
В узле: 1
32
10T.56.105
Палец
В узле: 1
Содержащиеся в справочниках-каталогах запасные части и детали не предлагаются к продаже, а носят исключительно информационный характер

Ваша заявка была отправлена. В ближайшее время наши специалисты с Вами свяжутся по указанному Вами телефону.

Представьтесь
Поле обязательно для заполнения
Ваш телефон
Введите правильный номер телефона
E-mail
Введите правильный e-mail
Тема
Тема
применяемость финансирование доставка цена, наличие другое сервис и гарантия
Время для звонка
08:00
08:00 09:00 10:00 11:00 12:00 13:00 14:00 15:00 16:00 17:00 18:00 19:00
19:00
08:00 09:00 10:00 11:00 12:00 13:00 14:00 15:00 16:00 17:00 18:00 19:00

Мы постараемся перезвонить в указанное время

Если вы не хотите ждать, то звоните нашим вежливым консультантам:

8 800 100-2-700
Подтвердите, что вы не робот
Подтвердите, что вы не робот
Спасибо!

Ваше сообщение успешно отправлено!

ЗакрытьПовторить попытку