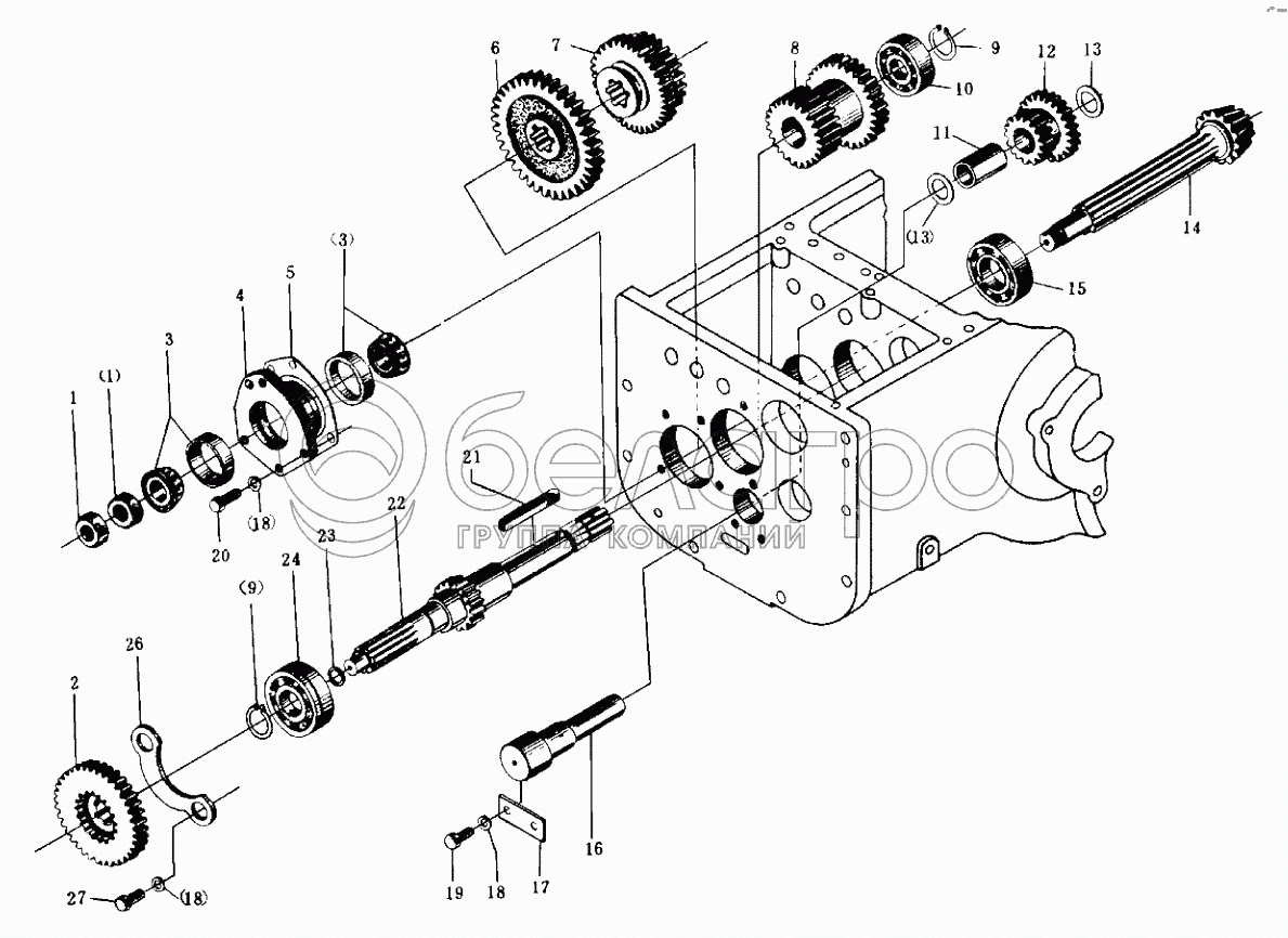
Каталог запасных частей к технике: Минитракторы Уралец. Первичный вал, ведущая коническая шестерня, вал заднего хода

zoom-in zoom-out enlarge shrink circle-right circle-left file-text2 info cart arraw right arraw left zoom out zoom in arraw maximize arraw minimize
1
1
2
3
3
4
5
6
7
8
9
9
10
11
12
13
13
14
15
16
17
18
18
18
19
20
21
22
23
24
26
27
1
GB6173-86
Гайка М18х1.5
В узле: 2
2
16.37.112
Шестерня доп. передачи подвижная
В узле: 1
3
GB297-84
Подшипник 7205
В узле: 2
4
16.37.124
Стакан подшипника
В узле: 1
5
10T.37.125
Прокладка регулировочная
В узле: ---
6
16.37.137
Шестерня первой передачи и заднего хода подвижная
В узле: 1
7
16.37.136
Шестерня второй и третьей передач подвижная
В узле: 1
8
16.37.135
Шестерня втор. и третьей передач неподвижная
В узле: 1
9
GB894.1-86
Кольцо упорное
В узле: 2
10
GB276-89
Подшипник
В узле: 1
11
10.37.189
Втулка вала шестерни заднего хода
В узле: 1
12
10.37.188
Шестерня заднего хода
В узле: 1
13
10.37.143
Кольцо распорное
В узле: 2
14
16.37.140/134
Шестерня коническая
В узле: 1
15
NUP2/325
Подшипник
В узле: 1
16
10.37.144
Вал заднего хода
В узле: 1
17
10.37.145
Пластина фиксирующая
В узле: 1
18
GB93-87
Шайба
В узле: 7
19
GB5781-86
Болт
В узле: 2
20
GB5781-86
Болт
В узле: 3
21
GB1096-79
Шпонка
В узле: 1
22
16.37.114
Первичный вал
В узле: 1
23
10.37.115-A
Кольцо иголки упорное
В узле: 1
24
GB277-89
Подшипник 50305
В узле: 1
26
14.37.113
Планка фиксирующая
В узле: 1
27
GB5781-86
Болт
В узле: 2
Содержащиеся в справочниках-каталогах запасные части и детали не предлагаются к продаже, а носят исключительно информационный характер

Ваша заявка была отправлена. В ближайшее время наши специалисты с Вами свяжутся по указанному Вами телефону.

Представьтесь
Поле обязательно для заполнения
Ваш телефон
Введите правильный номер телефона
E-mail
Введите правильный e-mail
Тема
Тема
применяемость финансирование доставка цена, наличие другое сервис и гарантия
Время для звонка
08:00
08:00 09:00 10:00 11:00 12:00 13:00 14:00 15:00 16:00 17:00 18:00 19:00
19:00
08:00 09:00 10:00 11:00 12:00 13:00 14:00 15:00 16:00 17:00 18:00 19:00

Мы постараемся перезвонить в указанное время

Если вы не хотите ждать, то звоните нашим вежливым консультантам:

8 800 100-2-700
Подтвердите, что вы не робот
Подтвердите, что вы не робот
Спасибо!

Ваше сообщение успешно отправлено!

ЗакрытьПовторить попытку