Каталог запасных частей к технике: МТЗ 80Х. Гидрораспределитель Р80

zoom-in zoom-out enlarge shrink circle-right circle-left file-text2 info cart arraw right arraw left zoom out zoom in arraw maximize arraw minimize
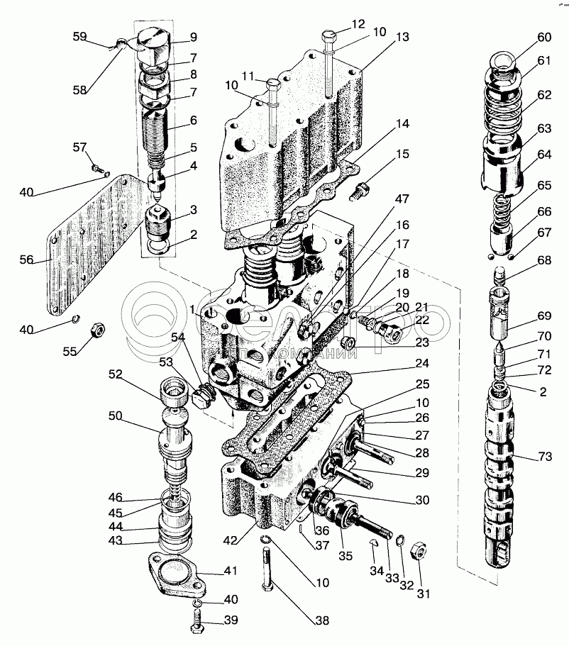
1
2
2
3
4
5
6
7
7
8
9
10
10
10
10
11
12
13
13
13
14
15
16
17
18
19
20
21
22
23
24
25
26
27
28
29
30
30
30
30
30
31
32
33
34
35
36
37
38
39
40
40
40
41
42
42
42
43
43
43
44
45
46
47
50
52
53
54
55
56
57
58
59
60
61
62
63
64
65
66
67
68
69
70
71
72
73
7
017-022-30-2-2
Кольцо
В узле: 2
017-022-30-2-2 Кольцо уплотнительное, Беларусь Под заказ 6.58 р.
30
028-033-30-2-2
Кольцо
В узле: 3
028-033-30-2-2 Кольцо уплотнительное, Беларусь Под заказ 17.91 р.
P80-23.20.030
Золотник
В узле: 1
Р80-3,1-222-3Гг
Гидрораспределитель
В узле: 1
1
P80-23.30.421
Корпус
В узле: 1
2
P75-B-028-A
Прокладка
В узле: 7
3
P80-23.20.063
Гнездо
В узле: 1
4
МКПВ-16,3Ф-101
Игла
В узле: 1
5
МКПВ-16,ЗФ-104
Пружина
В узле: 1
6
P80-049Б
Винт регулировочный
В узле: 1
8
Р75-058-Б
Гайка
В узле: 1
9
Р75-051-В
Колпачок
В узле: 1
10
Шайба8Т
Шайба 8Т
В узле: 25
11
М8-6gх110.88.35.019
Болт
В узле: 3
12
М8-6gх100.88.35.019
Болт
В узле: 6
13
P80-23.20.123-Б
Крышка нижняя
В узле: 1
13
Р80-23.20.123
Крышка
В узле: 1
14
P40,75-0808039-Б
Прокладка
В узле: 1
15
КГ1,4dm.А12.019
Пробка
В узле: 1
16
50-4608027-Г
Заглушка
В узле: 1
17
14,288-60
Шарик
В узле: 3
18
P80-23.20.007
Направляющая
В узле: 3
19
P80-23.20.002
Пружина
В узле: 3
20
P80-23.20.003
Шайба
В узле: 3
21
024-028-25-1-4
Кольцо
В узле: 3
22
P80-23.20.004-А
Переходник
В узле: 2
23
P75-090A
Заглушка транспортная
В узле: 6
24
P75-3-038
Прокладка
В узле: 1
25
P75-3-057
Пластина колец
В узле: 1
26
М8-6gх20.88.35.019
Болт
В узле: 8
27
Р75-3-055-Б
Пластина пыльника
В узле: 1
28
Р75-056М
Пыльник
В узле: 3
29
Р80-23.20.353-Г1
Табличка
В узле: 1
30
28.00-3,0072NBR872
Кольцо
В узле: 3
30
ORNBR7002750300
Кольцо
В узле: 3
31
М12х1,25-6Н.04.019
Гайка
В узле: 3
32
Шайба12.ОТ
Шайба
В узле: 3
33
Р75-054-Б
Рычаг
В узле: 3
34
Шпонка3x6,5
Шпонка
В узле: 3
35
Р80-23.20.065
Кольцо
В узле: 3
36
Р80-23.20.064
Кольцо
В узле: 3
37
2х6.01
Заклепка
В узле: 2
38
М8-6gх55.88.35.019
Болт
В узле: 8
39
М10-6gх25.88.35.019
Болт
В узле: 2
40
Шайба10.ОТ
Шайба
В узле: 9
41
Р80-23.20.071.Б
Упор
В узле: 1
42
Р80-23.20.022
Крышка
В узле: 1
42
Р80-23.20.022-А
Крышка верхняя
В узле: 1
43
31,42-2,6288NBR156
Кольцо
В узле: 1
43
032-037-30-2-2
Кольцо
В узле: 1
44
Р80-23.20.073
Направляющая
В узле: 1
45
025-030-30-2-3
Кольцо
В узле: 1
46
P75-072
Пружина
В узле: 1
47
1,2BSP400-825-4490-41
Шайба
В узле: 1
50
Р80-23.20.041
Клапан переливной
В узле: 1
52
P80-23.20.043
Гнездо
В узле: 1
53
РП70-036
Пробка
В узле: 1
54
400-875-4490-41
Шайба М24
В узле: 1
55
М10-6Н.6.019
Гайка
В узле: 3
56
50-4607032-Б
Кронштейн
В узле: 1
57
М10-6gх20.88.35.019
Болт
В узле: 4
58
P40,75-0808076
Пломба
В узле: 1
59
0,8-II-L250
Проволока
В узле: 1
60
P80-23.20.137
Пробка
В узле: 3
61
P75-033
Стакан нижний
В узле: 3
62
P80-23.20.035
Пружина
В узле: 3
63
P75-034
Стакан нижний
В узле: 3
64
P80-23.20.031
Обойма
В узле: 3
65
P75-B-032
Пружина
В узле: 3
66
P75-B-029
Втулка
В узле: 3
67
6,350-100
Шарик
В узле: 9
68
P80-23.20-025
Бустер
В узле: 3
69
Р80.23.20.046-Б
Гильза
В узле: 3
70
P80-23.20.045
Плунжер
В узле: 3
71
P80-23.20.036
Пружина
В узле: 3
72
P80-23.20.027
Гнездо
В узле: 3
73
P80-23.20.224
Золотник
В узле: 3
Содержащиеся в справочниках-каталогах запасные части и детали не предлагаются к продаже, а носят исключительно информационный характер

Ваша заявка была отправлена. В ближайшее время наши специалисты с Вами свяжутся по указанному Вами телефону.

Представьтесь
Поле обязательно для заполнения
Ваш телефон
Введите правильный номер телефона
E-mail
Введите правильный e-mail
Тема
Тема
применяемость финансирование доставка цена, наличие другое сервис и гарантия
Время для звонка
08:00
08:00 09:00 10:00 11:00 12:00 13:00 14:00 15:00 16:00 17:00 18:00 19:00
19:00
08:00 09:00 10:00 11:00 12:00 13:00 14:00 15:00 16:00 17:00 18:00 19:00

Мы постараемся перезвонить в указанное время

Если вы не хотите ждать, то звоните нашим вежливым консультантам:

8 800 100-2-700
Подтвердите, что вы не робот
Подтвердите, что вы не робот
Спасибо!

Ваше сообщение успешно отправлено!

ЗакрытьПовторить попытку