Каталог запасных частей к технике: МТЗ 80Х. Управление гидрораспределителем РП70

zoom-in zoom-out enlarge shrink circle-right circle-left file-text2 info cart arraw right arraw left zoom out zoom in arraw maximize arraw minimize
1
1
1
1
1
2
2
2
2
2
4
4
5
5
6
6
6
7
8
8
8
8
9
10
11
12
13
14
14
14
15
16
16
17
17
18
19
20
21
22
23
24
24
25
24
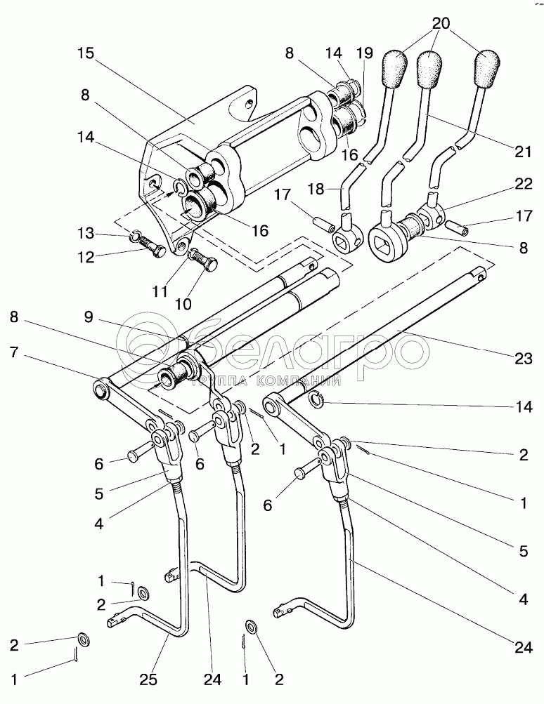
Р1221-4607261
Тяга
В узле: 2
Р1221-4607261 Тяга МТЗ управления гидрораспр. РП70 средняя и правая Под заказ 635.07 р.
20
70-3401093
Наконечник
В узле: 3
70-3401093 Рукоятка МТЗ, Беларусь Под заказ 47.99 р.
2
70-4607144
Шайба
В узле: 6
70-4607144 Шайба МТЗ оборудования навесного Под заказ 12.04 р.
15
85-4607017
Кронштейн
В узле: 1
85-4607017 Кронштейн МТЗ Под заказ 1 909.20 р.
23
80-4607220
Вал
В узле: 1
80-4607220 Вал МТЗ управления гидроузлами Под заказ 1 121.12 р.
9
80-4607230
Вал
В узле: 1
80-4607230 Вал МТЗ управления гидроузлами Под заказ 1 731.63 р.
7
80-4607250
Вал
В узле: 1
80-4607250 Вал МТЗ управления гидроузлами Под заказ 1 197.36 р.
1
Шплинт3,2х18.019
Шплинт
В узле: 6
4
М8-6Н.6.019
Гайка
В узле: 3
5
A20-213A
Вилка
В узле: 3
6
A61-030-A1
Палец
В узле: 3
8
50-4607078-A
Втулка
В узле: 4
10
М12-6gх30.88.35.019
Болт
В узле: 2
11
Шайба12.ОТ
Шайба
В узле: 2
12
М10-6gх35.88.35.019
Болт
В узле: 1
13
Шайба10.ОТ
Шайба
В узле: 1
14
С18
Кольцо
В узле: 3
16
50-4607079-A1
Втулка
В узле: 2
17
А.8х30.65ГХим.Фос.прм.
Штифт
В узле: 2
18
C80-4607080-01
Рычаг
В узле: 1
19
С32
Кольцо
В узле: 1
21
C80-4607090
Рычаг
В узле: 1
22
C80-4607080
Рычаг
В узле: 1
25
Р1221-46007261-01
Тяга
В узле: 1
Содержащиеся в справочниках-каталогах запасные части и детали не предлагаются к продаже, а носят исключительно информационный характер

Ваша заявка была отправлена. В ближайшее время наши специалисты с Вами свяжутся по указанному Вами телефону.

Представьтесь
Поле обязательно для заполнения
Ваш телефон
Введите правильный номер телефона
E-mail
Введите правильный e-mail
Тема
Тема
применяемость финансирование доставка цена, наличие другое сервис и гарантия
Время для звонка
08:00
08:00 09:00 10:00 11:00 12:00 13:00 14:00 15:00 16:00 17:00 18:00 19:00
19:00
08:00 09:00 10:00 11:00 12:00 13:00 14:00 15:00 16:00 17:00 18:00 19:00

Мы постараемся перезвонить в указанное время

Если вы не хотите ждать, то звоните нашим вежливым консультантам:

8 800 100-2-700
Подтвердите, что вы не робот
Подтвердите, что вы не робот
Спасибо!

Ваше сообщение успешно отправлено!

ЗакрытьПовторить попытку