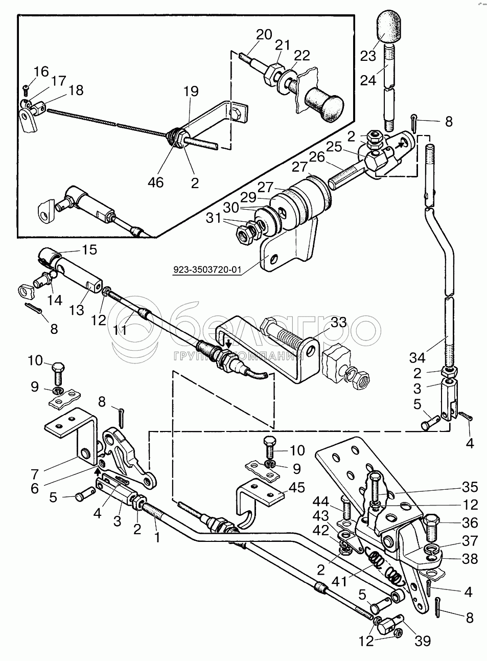
Каталог запасных частей к технике: МТЗ 922.3 / 922.4. Управление подачей топлива 821-1108000

zoom-in zoom-out enlarge shrink circle-right circle-left file-text2 info cart arraw right arraw left zoom out zoom in arraw maximize arraw minimize
923-3503720-01
1
2
2
2
2
2
3
3
4
4
4
5
5
5
5
5
6
7
8
8
8
8
9
9
10
10
11
12
12
12
13
14
15
16
17
18
19
20
21
22
23
24
25
26
27
27
29
30
31
33
33
33
34
35
36
37
38
39
41
42
43
44
45
46
11
80В-1108300-А-02
Трос
В узле: 1
80В-1108300 А-02 Трос МТЗ L=1540, Беларусь Под заказ 897.20 р.
80В-1108300 А-02 Трос МТЗ L=1540, (А) Под заказ 434.95 р.
5
70-1601109-01
Палец
В узле: 3
70-1601109-01 Палец МТЗ Под заказ 73.63 р.
20
80-1108630-А-01
Трос
В узле: 1
80-1108630 А-01 Трос МТЗ L=1348 (останов двигателя Д-245 (AVP MTZ80A01) РФ Под заказ 420.19 р.
80-1108630 А-01 Трос МТЗ L=1348 (останов двигателя Д-245), (А) Под заказ 142.55 р.
25
70-1108317
Бонка
В узле: 1
70-1108317 Бонка МТЗ Под заказ 93.41 р.
17
70-1310441
Фиксатор
В узле: 1
70-1310441 Фиксатор МТЗ, САЗ Под заказ 78.85 р.
18
80-1108317
Бонка
В узле: 1
80-1108317 Бонка МТЗ системы управления подачей топлива Под заказ 194.35 р.
821-1108000
Управление подачей топлива
В узле: ---
923-3503720-01
Кронштейн
В узле: ---
822-1108040-Б
Управление
В узле: 1
1
821-1108535
Тяга
В узле: 1
1
821-1108537
Тяга
В узле: 1
2
М8-6Н.6.019
Гайка
В узле: 7
3
80B-1108542
Наконечник тяги
В узле: 2
4
2х12.019
Шплинт
В узле: 3
5
Палец6х22
Палец
В узле: 3
6
80B-1108506
Рычаг
В узле: 1
7
821-1108030
Кронштейн
В узле: 1
8
3,2х18.019
Шплинт
В узле: 4
9
Шайба6Т
Шайба
В узле: 4
10
М6-6gх20.88.35.019
Болт
В узле: 4
12
М6-6Н.6.019
Гайка
В узле: 4
13
600-1108032
Ось
В узле: 1
14
600-1108031
Шарнир
В узле: 1
15
600-1108033
Скоба
В узле: 1
16
В.М4-6gх10.58.019
Винт
В узле: 1
19
80-1108026
Кронштейн
В узле: 1
21
М12х1,25-6Н.6.019
Гайка
В узле: 1
22
С12.01.019
Шайба
В узле: 1
23
A13.11.000
Рукоятка
В узле: 1
24
922-1108146
Рукоятка
В узле: 1
26
822-1108030-Б
Валик
В узле: 1
27
80-1108178
Шайба фрикционная
В узле: 2
29
822-1108028
Шайба
В узле: 1
30
80B-1108347
Пружина тарельчатая
В узле: 2
31
М14х1,5-6Н.04.019
Гайка
В узле: 2
33
821-1108053
Кронштейн
В узле: 1
33
921-1108053
Кронштейн
В узле: 1
34
821-1108070-Б
Тяга
В узле: 1
34
821-1108073-Б
Тяга
В узле: 1
35
М6-6gх30.88.35.019
Болт ГОСТ 7796-70
В узле: 1
36
М10-6gх25.88.35.019
Болт
В узле: 2
37
Шайба10.ОТ
Шайба
В узле: 2
38
922-1108010
Педаль
В узле: 1
39
80B-1108317
Бонка
В узле: 1
41
70-4616033зам
Пружина
В узле: 1
42
Шайба8Т
Шайба 8Т
В узле: 1
43
80B-1108341
Пластина
В узле: 1
44
М8-6gх25.88.35.019
Болт
В узле: 1
45
821-1108504
Кронштейн
В узле: 1
46
С8.01.019
Шайба
В узле: 2
Содержащиеся в справочниках-каталогах запасные части и детали не предлагаются к продаже, а носят исключительно информационный характер

Ваша заявка была отправлена. В ближайшее время наши специалисты с Вами свяжутся по указанному Вами телефону.

Представьтесь
Поле обязательно для заполнения
Ваш телефон
Введите правильный номер телефона
E-mail
Введите правильный e-mail
Тема
Тема
применяемость финансирование доставка цена, наличие другое сервис и гарантия
Время для звонка
08:00
08:00 09:00 10:00 11:00 12:00 13:00 14:00 15:00 16:00 17:00 18:00 19:00
19:00
08:00 09:00 10:00 11:00 12:00 13:00 14:00 15:00 16:00 17:00 18:00 19:00

Мы постараемся перезвонить в указанное время

Если вы не хотите ждать, то звоните нашим вежливым консультантам:

8 800 100-2-700
Подтвердите, что вы не робот
Подтвердите, что вы не робот
Спасибо!

Ваше сообщение успешно отправлено!

ЗакрытьПовторить попытку