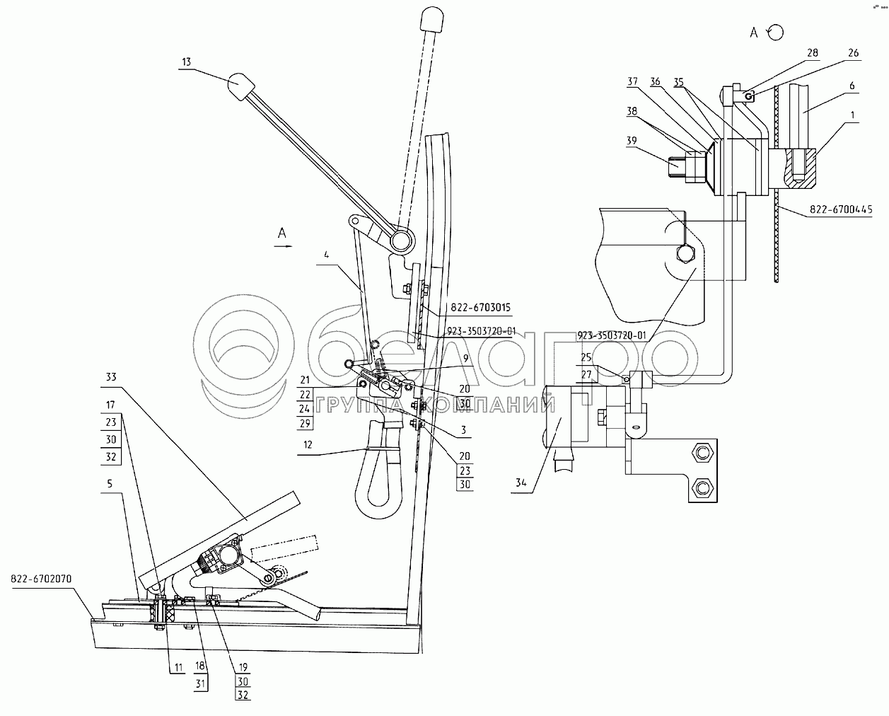
Каталог запасных частей к технике: МТЗ 922.3 / 922.4. Управление подачей топлива 922.4-1108000

zoom-in zoom-out enlarge shrink circle-right circle-left file-text2 info cart arraw right arraw left zoom out zoom in arraw maximize arraw minimize
822-6700445
923-3503720-01
923-3503720-01
1
3
4
5
6
9
11
12
13
17
18
19
20
20
21
22
23
23
24
25
26
27
28
29
30
30
30
30
31
32
32
33
34
35
36
37
38
39
13
А13.11.000
Рукоятка
В узле: 1
А13.11.000 Рукоятка МТЗ управления подачей топлива Под заказ 53.91 р.
37
80В-1108347
Пружина тарельчатая
В узле: 2
80В-1108347 Пружина тарельчатая системы питания МТЗ <10 шт. 45.07 р.
11
2522-6702066
Втулка
В узле: 2
2522-6702066 Втулка МТЗ Под заказ 680.70 р.
9
3022-1108003
Рычаг
В узле: 1
3022-1108003 Рычаг МТЗ Под заказ 884.28 р.
922.4-1108000
Управление подачей топлива
В узле: ---
822-6700445
Накладка правая
В узле: ---
923-3503720-01
Кронштейн
В узле: ---
1
822-1108040-Б
Управление
В узле: 1
3
922.4-1108001
Кронштейн
В узле: 1
4
922.4-1108002
Тяга
В узле: 1
5
1221.4-1108004
Пластина
В узле: 1
6
922-1108146
Рукоятка
В узле: 1
12
80-3723045-01
Манжета
В узле: 1
17
М8-6gх45.88.35.019
Болт ГОСТ 7796-70
В узле: 1
18
М10-6gх45.88.35.019
Болт ГОСТ 7796-70
В узле: 1
19
М8-6gх14.88.35.019
Болт
В узле: 2
20
М8-6gх25.88.35.019
Болт
В узле: 3
21
М6-6gх25.88.35.019
Болт ГОСТ 7798-70
В узле: 2
22
М6-6Н.6.019
Гайка
В узле: 2
23
М8-6Н.6.019
Гайка
В узле: 3
24
С6.01.019
Шайба
В узле: 2
25
2х12.019
Шплинт
В узле: 1
26
3,2х18.019
Шплинт
В узле: 1
27
Палец6х22
Палец
В узле: 1
28
Палец8х22
Палец
В узле: 1
29
Шайба6Т
Шайба
В узле: 2
30
Шайба8Т
Шайба 8Т
В узле: 6
31
Шайба10.ОТ
Шайба
В узле: 1
32
С8.01.019
Шайба
В узле: 3
33
1108.02
Педаль электронная
В узле: 1
34
1108.03
Сенсор ручного управления
В узле: 1
35
80-1108178
Шайба фрикционная
В узле: 2
36
822-1108028
Шайба
В узле: 1
38
М14х1,5-6Н.04.019
Гайка
В узле: 2
39
822-1108030-Б
Валик
В узле: 1
Содержащиеся в справочниках-каталогах запасные части и детали не предлагаются к продаже, а носят исключительно информационный характер

Ваша заявка была отправлена. В ближайшее время наши специалисты с Вами свяжутся по указанному Вами телефону.

Представьтесь
Поле обязательно для заполнения
Ваш телефон
Введите правильный номер телефона
E-mail
Введите правильный e-mail
Тема
Тема
применяемость финансирование доставка цена, наличие другое сервис и гарантия
Время для звонка
08:00
08:00 09:00 10:00 11:00 12:00 13:00 14:00 15:00 16:00 17:00 18:00 19:00
19:00
08:00 09:00 10:00 11:00 12:00 13:00 14:00 15:00 16:00 17:00 18:00 19:00

Мы постараемся перезвонить в указанное время

Если вы не хотите ждать, то звоните нашим вежливым консультантам:

8 800 100-2-700
Подтвердите, что вы не робот
Подтвердите, что вы не робот
Спасибо!

Ваше сообщение успешно отправлено!

ЗакрытьПовторить попытку