Каталог запасных частей к технике: МТЗ Беларус-08Н (09Н). 05-2403. Дифференциал

zoom-in zoom-out enlarge shrink circle-right circle-left file-text2 info cart arraw right arraw left zoom out zoom in arraw maximize arraw minimize
1
1
2
2
3
4
5
6
7
8
9
9
10
11
12
12
13
13
14
14
15
16
17
18
2
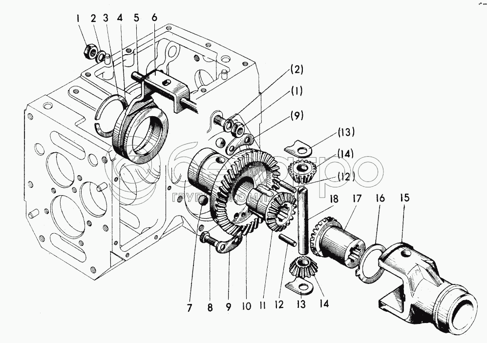
36-1104788
Прокладка
В узле: 2
36-1104788 Шайба 10.0х16.0х1.5 Д-240, Д-245 уплотнительная медная, (А) Под заказ 4.48 р.
6
05-2409015
Вилка
В узле: 1
05-2409015 Вилка Под заказ 2 113.75 р.
05-2403110
Дифференциал
В узле: 1
1
52-2203013
Гайка
В узле: 2
3
Кольцо2В50
Кольцо
В узле: 1
4
05-2409014
Поводок
В узле: 1
5
05-2409012
Шпилька
В узле: 1
7
Шарик11,112-100
Шарик
В узле: 3
8
БолтМ8-6gх20.88.35.019
Болт
В узле: 4
9
05-2403124
Пластина стопорная
В узле: 2
10
05-2403117
Колесо зубчатое
В узле: 1
11
05-2403123-01
Шестерня полуоси
В узле: 1
12
5Пр22ах25
Штифт
В узле: 2
13
05-2403121
Шайба сателлита
В узле: 2
14
05-2403118
Сателлит
В узле: 2
15
05-2403116
Корпус дифференциала
В узле: 1
16
05-2403122
Шайба
В узле: 1
17
05-2403123
Шестерня полуоси
В узле: 1
18
05-2403119
Ось сателлитов
В узле: 1
Содержащиеся в справочниках-каталогах запасные части и детали не предлагаются к продаже, а носят исключительно информационный характер

Ваша заявка была отправлена. В ближайшее время наши специалисты с Вами свяжутся по указанному Вами телефону.

Представьтесь
Поле обязательно для заполнения
Ваш телефон
Введите правильный номер телефона
E-mail
Введите правильный e-mail
Тема
Тема
применяемость финансирование доставка цена, наличие другое сервис и гарантия
Время для звонка
08:00
08:00 09:00 10:00 11:00 12:00 13:00 14:00 15:00 16:00 17:00 18:00 19:00
19:00
08:00 09:00 10:00 11:00 12:00 13:00 14:00 15:00 16:00 17:00 18:00 19:00

Мы постараемся перезвонить в указанное время

Если вы не хотите ждать, то звоните нашим вежливым консультантам:

8 800 100-2-700
Подтвердите, что вы не робот
Подтвердите, что вы не робот
Спасибо!

Ваше сообщение успешно отправлено!

ЗакрытьПовторить попытку