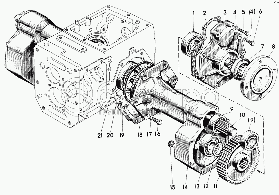
Каталог запасных частей к технике: МТЗ Беларус-08Н (09Н). 05-2407. Передача конечная

zoom-in zoom-out enlarge shrink circle-right circle-left file-text2 info cart arraw right arraw left zoom out zoom in arraw maximize arraw minimize
1
2
3
4
4
5
6
7
8
9
9
10
11
12
13
14
15
16
17
18
19
20
21
2
05-2407056
Прокладка
В узле: 1
05-2407056 Прокладка <10 шт. 111.18 р.
10
05-2407152
Вал
В узле: 1
05-2407152 Вал Под заказ 4 141.33 р.
19
05-2407058-01
Прокладка
В узле: 12
05-2407058-01 Прокладка <10 шт. 40.48 р.
3
05-2407028
Крышка
В узле: 1
05-2407028 Крышка Под заказ 2 921.18 р.
14
05-2407118
Рукав
В узле: 1
05-2407118 Рукав (чулок) полуоси для мотоблоков МТЗ-05, МТЗ-09Н и мини-тракторов Беларус-132Н Под заказ 7 347.73 р.
18
05-2407058
Прокладка
В узле: 12
05-2407058 Прокладка Под заказ 35.32 р.
05-2407010
Конечная передача
В узле: 2
1
206
Подшипник ГОСТ 8338-75
В узле: 1
3
05-2407020
Крышка
В узле: 1
4
Шайба8Т
Шайба 8Т
В узле: 8
5
БолтМ8-6gх35.88.35.019
Болт
В узле: ---
6
БолтМ8-6gх25.88.35.019
Болт
В узле: 6
7
Манжета2-38х58-1
Манжета
В узле: 1
8
05-2407054
Фланец
В узле: 1
9
204
Подшипник
В узле: 2
11
05-2407053
Колесо зубчатое
В узле: 1
12
2Б30
Кольцо ГОСТ 13940-86
В узле: 1
13
304
Подшипник
В узле: 1
15
ПробкаКГ1/8dm
Пробка КГ 1/8dm
В узле: 1
16
БолтМ10-6gх30.88.35.019
Болт
В узле: 6
17
Шайба10Т
Шайба 10Т
В узле: 6
20
50-1601322
Кольцо уплотнительное
В узле: 1
21
110
Подшипник ГОСТ 8338-75
В узле: 1
Содержащиеся в справочниках-каталогах запасные части и детали не предлагаются к продаже, а носят исключительно информационный характер

Ваша заявка была отправлена. В ближайшее время наши специалисты с Вами свяжутся по указанному Вами телефону.

Представьтесь
Поле обязательно для заполнения
Ваш телефон
Введите правильный номер телефона
E-mail
Введите правильный e-mail
Тема
Тема
применяемость финансирование доставка цена, наличие другое сервис и гарантия
Время для звонка
08:00
08:00 09:00 10:00 11:00 12:00 13:00 14:00 15:00 16:00 17:00 18:00 19:00
19:00
08:00 09:00 10:00 11:00 12:00 13:00 14:00 15:00 16:00 17:00 18:00 19:00

Мы постараемся перезвонить в указанное время

Если вы не хотите ждать, то звоните нашим вежливым консультантам:

8 800 100-2-700
Подтвердите, что вы не робот
Подтвердите, что вы не робот
Спасибо!

Ваше сообщение успешно отправлено!

ЗакрытьПовторить попытку