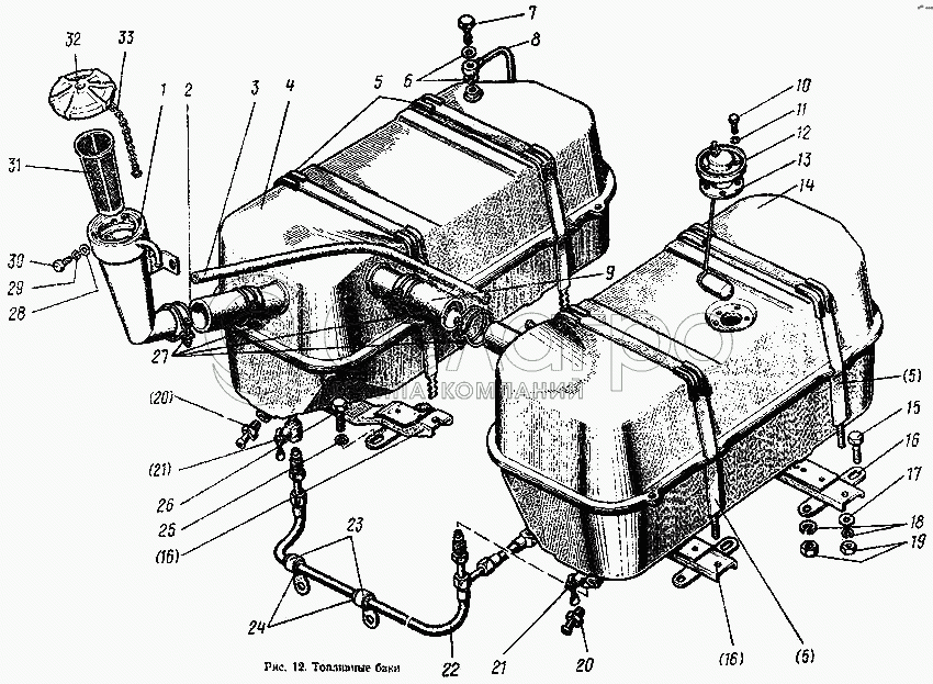
Каталог запасных частей к технике: МТЗ-100. Баки топливные

zoom-in zoom-out enlarge shrink circle-right circle-left file-text2 info cart arraw right arraw left zoom out zoom in arraw maximize arraw minimize
1
2
3
4
5
5
5
6
8
9
10
11
12
13
14
15
16
16
16
17
18
19
20
20
21
21
22
23
24
25
26
27
28
29
30
31
32
33
32
50-1103010-В
Пробка
В узле: 1
50-1103010-В Крышка МТЗ бака топливного, большая (металл) (Пробка) <10 шт. 491.81 р.
50-1103010-В Крышка МТЗ бака топливного, большая (металл) (пробка), (А) >10 шт. 95.16 р.
7
36-1104787
Болт
В узле: 1
36-1104787 Болт МТЗ М10х1.0х22 обратки форсунки, САЗ* >10 шт. 55.36 р.
36-1104787 Болт МТЗ М10х1.0х22 обратки форсунки, (А) Под заказ 5.43 р.
2
70-1101035-Б
Рукав
В узле: 1
70-1101035-Б Рукав соединительный МТЗ >10 шт. 312.02 р.
70-1101035-Б Рукав соединительный МТЗ снят Под заказ 360.07 р.
6
36-1104788
Прокладка
В узле: 2
36-1104788 Шайба 10.0х16.0х1.5 Д-240, Д-245 уплотнительная медная, (А) Под заказ 4.48 р.
4
85-1101020
Бак левый
В узле: 1
85-1101020 Бак топливный МТЗ левый Под заказ 14 617.70 р.
85-1101000
Баки
В узле: 1
1
85-1101250
Горловина
В узле: 1
3
85-1101002
Трубка
В узле: 1
5
85-1101070
Хомут
В узле: 2
8
85-1101240
Трубка
В узле: 1
9
70-1101035-Б-01
Рукав
В узле: 1
10
М5-6gх10
Винт
В узле: 5
11
80-1101067
Шайба
В узле: 5
12
БМ-128-Д
Бензомер
В узле: 1
13
200-3806026
Прокладка
В узле: 1
14
85-1101010
Бак правый
В узле: 1
15
М8х25
Болт
В узле: 8
16
85-1101130
Кронштейн
В узле: 4
17
ШЧ10
Шайба
В узле: 12
18
ШП10
Шайба
В узле: 12
19
М10
Гайка
В узле: 12
20
8/2
Штуцер
В узле: 2
21
КР-25
Кран
В узле: 2
22
70-1101345-Б
Топливопровод
В узле: 1
23
50-1111102
Прокладка
В узле: 2
24
70-1101042
Скоба
В узле: 2
25
ШП12
Шайба
В узле: 8
26
М12х30
Болт
В узле: 8
27
70-1303100
Хомут
В узле: 4
28
ШЧ8
Шайба
В узле: 2
29
ШП8
Шайба
В узле: 2
30
М8х20
Болт
В узле: 2
31
70-1101080-Б
Фильтр
В узле: 1
33
36-1101070
Цепочка
В узле: 1
Содержащиеся в справочниках-каталогах запасные части и детали не предлагаются к продаже, а носят исключительно информационный характер

Ваша заявка была отправлена. В ближайшее время наши специалисты с Вами свяжутся по указанному Вами телефону.

Представьтесь
Поле обязательно для заполнения
Ваш телефон
Введите правильный номер телефона
E-mail
Введите правильный e-mail
Тема
Тема
применяемость финансирование доставка цена, наличие другое сервис и гарантия
Время для звонка
08:00
08:00 09:00 10:00 11:00 12:00 13:00 14:00 15:00 16:00 17:00 18:00 19:00
19:00
08:00 09:00 10:00 11:00 12:00 13:00 14:00 15:00 16:00 17:00 18:00 19:00

Мы постараемся перезвонить в указанное время

Если вы не хотите ждать, то звоните нашим вежливым консультантам:

8 800 100-2-700
Подтвердите, что вы не робот
Подтвердите, что вы не робот
Спасибо!

Ваше сообщение успешно отправлено!

ЗакрытьПовторить попытку