Каталог запасных частей к технике: МТЗ-100. Топливные трубопроводы и установка топливной аппаратуры

zoom-in zoom-out enlarge shrink circle-right circle-left file-text2 info cart arraw right arraw left zoom out zoom in arraw maximize arraw minimize
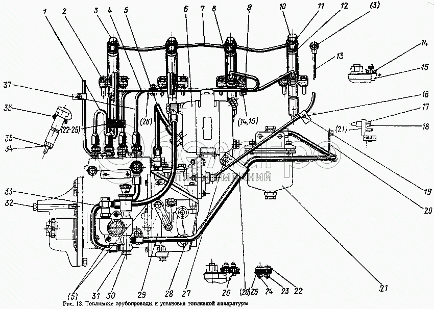
1
2
3
3
4
5
5
6
7
8
9
10
11
13
14
14
15
15
16
17
18
19
20
20
21
22
22
23
23
24
24
25
25
26
26
27
28
29
30
31
32
33
34
35
36
37
31
Д18-055-А
Шайба
В узле: 4
Д18-055-А Кольцо уплотнительное МТЗ, ЗИЛ медное, d=14х19х1, ММЗ >10 шт. 54.66 р.
Д18-055-А кольцо медн.(диам. внутр. 14х19х1 мм) (А) >10 шт. 3.17 р.
5
240-1104160-02
Трубка
В узле: 3
240-1104160-02 Трубка МТЗ, Д-240, ЗИЛ L=350 >10 шт. 322.43 р.
240-1104160-02 Трубка МТЗ, Д-240, ЗИЛ L=350, (А) >10 шт. 42.07 р.
10
240-1111112
Штуцер
В узле: 1
240-1111112 Штуцер МТЗ форсунки, ММЗ <10 шт. 271.17 р.
240-1111112 Штуцер МТЗ форсунки, (А) >10 шт. 28.50 р.
6
240-1117010-А
Фильтр тонкой очистки
В узле: 1
240-1117010-А Фильтр МТЗ топливный тонкой очистки в сборе, ММЗ Под заказ 4 579.50 р.
240-1117010-А Фильтр МТЗ топливный тонкой очистки в сборе, SPILE >10 шт. 946.31 р.
3
36-1104787
Болт
В узле: 4
36-1104787 Болт МТЗ М10х1.0х22 обратки форсунки, САЗ* >10 шт. 55.36 р.
36-1104787 Болт МТЗ М10х1.0х22 обратки форсунки, (А) Под заказ 5.43 р.
1
240-1104300-01
Трубка первая
В узле: 1
240-1104300-01 Топливопровод МТЗ, ЗИЛ, Д-240 первой форсунки, ММЗ Под заказ 776.01 р.
240-1104300-01 Топливопровод МТЗ, ЗИЛ, Д-240 первой форсунки, (А) >10 шт. 106.12 р.
4
240-1104300-02
Трубка вторая
В узле: 1
240-1104300-02 Топливопровод МТЗ, ЗИЛ, Д-240 второй форсунки, ММЗ Под заказ 776.01 р.
240-1104300-02 Топливопровод МТЗ, ЗИЛ, Д-240 второй форсунки, (А) >10 шт. 105.25 р.
9
240-1104300-03
Трубка третья
В узле: 1
240-1104300-03 Топливопровод МТЗ, ЗИЛ, Д-240 третьей форсунки, ММЗ Под заказ 776.01 р.
240-1104300-03 Топливопровод МТЗ, ЗИЛ, Д-240 третьей форсунки, (А) Под заказ 89.27 р.
37
240-1104300-04
Трубка четвертая
В узле: 1
240-1104300-04 Топливопровод МТЗ, ЗИЛ, Д-240 четвертой форсунки, ММЗ Под заказ 776.01 р.
240-1104300-04 Топливопровод МТЗ, ЗИЛ, Д-240 четвертой форсунки, (А) Под заказ 89.79 р.
11
36-1104788
Прокладка
В узле: 5
36-1104788 Шайба 10.0х16.0х1.5 Д-240, Д-245 уплотнительная медная, (А) Под заказ 4.48 р.
13
245-1104330
Трубка пневмокорректора
В узле: 1
245-1104330 Трубка пневмокорректора* Под заказ 573.20 р.
УТН-5-1100150
Насос топливный УТН-5
В узле: 1
240-1111103
Болт
В узле: 3
11-1112010-02
Форсунка
В узле: 4
11-1112208
Прокладка
В узле: 4
240-1104320-А1-02
Топливопровод
В узле: 1
2
М10х35
Болт
В узле: 10
7
245-1104320
Топливопровод
В узле: 1
8
145-1112010
Форсунка ФД-22М
В узле: 4
12
36-1104788-01
Прокладка
В узле: 6
14
240-1111114
Колодка
В узле: 1
15
240-1111125-А
Кронштейн
В узле: 1
16
245-1111104
Хомутик
В узле: 1
17
ШП10
Шайба
В узле: 8
18
М10х25
Болт
В узле: 2
19
М8х20
Болт
В узле: 1
20
50-1111101-Б1
Хомутик
В узле: 2
21
А23.30.000-01
Фильтр-отстойник
В узле: 1
22
240-1111105
Колодка
В узле: 1
23
ШП6
Шайба
В узле: 5
24
М6
Гайка
В узле: 5
25
240-1111106
Колодка
В узле: 2
26
240-1111115-А
Кронштейн
В узле: 1
27
М10х30
Болт
В узле: 2
28
240-1104160
Трубка
В узле: 1
29
4УТНМ-1111010-20
Насос топливный 4УТНМ-Т
В узле: 1
30
245-1111103
Болт
В узле: 1
32
М10х120
Болт
В узле: 2
33
Д18-055-А-01
Кольцо
В узле: 5
34
245-1111022
Прокладка
В узле: 4
35
245-1111021
Обойма
В узле: 4
36
240-1111036-А
Кольцо защитное форсунки
В узле: 4
Содержащиеся в справочниках-каталогах запасные части и детали не предлагаются к продаже, а носят исключительно информационный характер

Ваша заявка была отправлена. В ближайшее время наши специалисты с Вами свяжутся по указанному Вами телефону.

Представьтесь
Поле обязательно для заполнения
Ваш телефон
Введите правильный номер телефона
E-mail
Введите правильный e-mail
Тема
Тема
применяемость финансирование доставка цена, наличие другое сервис и гарантия
Время для звонка
08:00
08:00 09:00 10:00 11:00 12:00 13:00 14:00 15:00 16:00 17:00 18:00 19:00
19:00
08:00 09:00 10:00 11:00 12:00 13:00 14:00 15:00 16:00 17:00 18:00 19:00

Мы постараемся перезвонить в указанное время

Если вы не хотите ждать, то звоните нашим вежливым консультантам:

8 800 100-2-700
Подтвердите, что вы не робот
Подтвердите, что вы не робот
Спасибо!

Ваше сообщение успешно отправлено!

ЗакрытьПовторить попытку