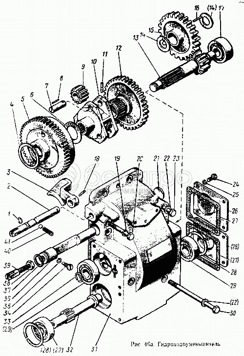
Каталог запасных частей к технике: МТЗ-100. Гидроходоуменьшитель

zoom-in zoom-out enlarge shrink circle-right circle-left file-text2 info cart arraw right arraw left zoom out zoom in arraw maximize arraw minimize
1
2
3
4
5
6
7
8
9
10
11
12
13
14
14
15
16
17
18
19
20
21
22
22
23
24
25
26
26
27
27
28
28
29
29
29
30
31
32
33
34
35
36
37
38
39
40
41
40
50-1702148-А
Пружина фиксатора
В узле: 1
50-1702148-А Пружина МТЗ, Беларусь Под заказ 24.42 р.
28
2В62
Кольцо
В узле: 2
2В62 Кольцо (915211) ГОСТ 13941-86, МТЗ >10 шт. 131.35 р.
80-1742030
Дроссель в сборе
В узле: 1
70-1741020-А
Водило в сборе
В узле: 1
1
011-015-25-1-4
Кольцо
В узле: 1
2
100-1741046
Валик
В узле: 1
3
100-1741041
Вилка
В узле: 1
4
70-1741038
Шайба
В узле: 1
5
70-1741050
Колесо зубчатое
В узле: 1
6
70-1741035
Шайба
В узле: 1
7
50-4202026
Ось
В узле: 3
8
3х23,8
Ролик
В узле: 2
9
50-4204024
Крышка
В узле: 3
10
70-1741021-А
Водило
В узле: 1
11
4х30
Штифт
В узле: 3
12
70-1741030
Шестерня
В узле: 1
13
70-1741024
Вал-шестерня
В узле: 1
14
70-1741037
Шайба
В узле: 2
15
70-1741025
Шестерня
В узле: 1
16
4х34
Ролик
В узле: 23
17
32605К
Подшипник
В узле: 1
18
6х30
Штифт
В узле: 1
19
ШП12
Шайба
В узле: 3
20
М12х70
Болт
В узле: 1
21
35
Заглушка
В узле: 1
22
70-1741036
Шайба
В узле: 4
23
М12х120
Болт
В узле: 1
24
М8х20
Болт
В узле: 20
25
ШП8
Шайба
В узле: 29
26
70-1741032-Б
Крышка
В узле: 2
27
70-1741033-Б
Прокладка
В узле: 5
29
305
Подшипник
В узле: 3
30
М12х160
Болт
В узле: 3
31
70-1741015-А
Корпус
В узле: 1
32
80-1742021
Шестерня
В узле: 1
33
36-1702358
Кольцо пружинное
В узле: 1
34
М10х20
Болт
В узле: 1
35
ШП10
Шайба
В узле: 1
36
70-1741031-А
Ось
В узле: 1
37
027-032-30-1-4
Кольцо
В узле: 1
38
М12
Гайка
В узле: 4
39
70-1741048
Вилка
В узле: 1
41
Н10-5
Шарик
В узле: 1
Содержащиеся в справочниках-каталогах запасные части и детали не предлагаются к продаже, а носят исключительно информационный характер

Ваша заявка была отправлена. В ближайшее время наши специалисты с Вами свяжутся по указанному Вами телефону.

Представьтесь
Поле обязательно для заполнения
Ваш телефон
Введите правильный номер телефона
E-mail
Введите правильный e-mail
Тема
Тема
применяемость финансирование доставка цена, наличие другое сервис и гарантия
Время для звонка
08:00
08:00 09:00 10:00 11:00 12:00 13:00 14:00 15:00 16:00 17:00 18:00 19:00
19:00
08:00 09:00 10:00 11:00 12:00 13:00 14:00 15:00 16:00 17:00 18:00 19:00

Мы постараемся перезвонить в указанное время

Если вы не хотите ждать, то звоните нашим вежливым консультантам:

8 800 100-2-700
Подтвердите, что вы не робот
Подтвердите, что вы не робот
Спасибо!

Ваше сообщение успешно отправлено!

ЗакрытьПовторить попытку