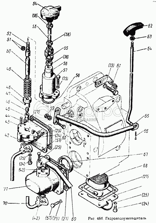
Каталог запасных частей к технике: МТЗ-100. Гидроходоуменьшитель

zoom-in zoom-out enlarge shrink circle-right circle-left file-text2 info cart arraw right arraw left zoom out zoom in arraw maximize arraw minimize
42
42
42
43
44
45
46
47
48
49
50
51
52
53
54
55
56
57
57
57
58
58
59
60
61
62
63
64
65
66
67
68
69
70
71
54
А13.24.000
Рукоятка
В узле: 1
А13.24.000 Рукоятка Под заказ Нет на складе
42
017-022-30-1-4
Кольцо
В узле: 3
43
80-1742031
Корпус
В узле: 1
44
5Пр2,2ах25
Штифт
В узле: 2
45
80-1742032
Седло
В узле: 1
46
Н8-5
Шарик
В узле: 1
47
3х15,8
Ролик
В узле: 2
48
80-1742036
Гайка
В узле: 1
49
80-1742035
Пружина
В узле: 1
50
80-1742034
Винт
В узле: 1
51
011-014-19-1-4
Кольцо
В узле: 2
52
80-1742038
Головка
В узле: 1
53
80-1742013
Стержень
В узле: 1
55
80-1742015
Шарнир
В узле: 1
56
80-1742037
Крышка
В узле: 1
57
М8х35
Болт
В узле: 9
58
040-048-46-1-4
Кольцо
В узле: 1
59
М6
Гайка
В узле: 4
60
М6х30
Болт
В узле: 2
61
М12х35
Болт
В узле: 2
62
А13.28.000
Рукоятка
В узле: 1
63
М8
Гайка
В узле: 1
64
80-4202042
Тяга
В узле: 1
65
70-1741060
Рычаг
В узле: 1
66
3,2х18
Шплинт
В узле: 1
67
80-1742026
Проставка
В узле: 1
68
80-1742040
Фильтр
В узле: 1
69
80-1742050
Трубопровод
В узле: 1
70
80-1742060
Трубопровод
В узле: 1
71
НШ-10Е2
Насос
В узле: 1
Содержащиеся в справочниках-каталогах запасные части и детали не предлагаются к продаже, а носят исключительно информационный характер

Ваша заявка была отправлена. В ближайшее время наши специалисты с Вами свяжутся по указанному Вами телефону.

Представьтесь
Поле обязательно для заполнения
Ваш телефон
Введите правильный номер телефона
E-mail
Введите правильный e-mail
Тема
Тема
применяемость финансирование доставка цена, наличие другое сервис и гарантия
Время для звонка
08:00
08:00 09:00 10:00 11:00 12:00 13:00 14:00 15:00 16:00 17:00 18:00 19:00
19:00
08:00 09:00 10:00 11:00 12:00 13:00 14:00 15:00 16:00 17:00 18:00 19:00

Мы постараемся перезвонить в указанное время

Если вы не хотите ждать, то звоните нашим вежливым консультантам:

8 800 100-2-700
Подтвердите, что вы не робот
Подтвердите, что вы не робот
Спасибо!

Ваше сообщение успешно отправлено!

ЗакрытьПовторить попытку