Каталог запасных частей к технике: МТЗ-100. Головка цилиндров

zoom-in zoom-out enlarge shrink circle-right circle-left file-text2 info cart arraw right arraw left zoom out zoom in arraw maximize arraw minimize
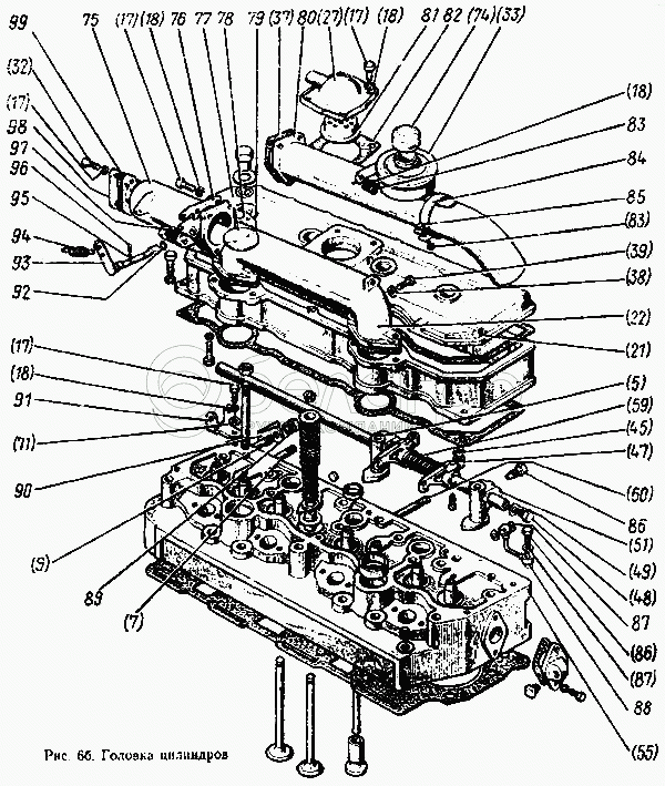
75
76
77
78
79
80
81
82
83
83
84
85
86
86
87
87
88
89
90
91
92
93
94
95
96
97
98
99
81
240-1002440
Фильтр
В узле: 1
240-1002440 Фильтр МТЗ-82 сапуна, ММЗ Под заказ 340.01 р.
80
240-1003260
Труба
В узле: 1
240-1003260 Труба МТЗ воздухоподводящая, ММЗ Под заказ 1 845.19 р.
94
240-1003226
Пружина
В узле: 1
240-1003226 Пружина валика заслонки МТЗ, Беларусь Под заказ 79.99 р.
75
240-1003222-Б-01
Патрубок
В узле: 1
76
70-4803021
Кронштейн
В узле: 1
77
240-1003221
Заслонка
В узле: 1
78
240-1003229-01
Заглушка
В узле: 1
79
240-3509157
Прокладка
В узле: 1
82
240-1002444-А
Прокладка
В узле: 1
83
М8
Гайка
В узле: 2
84
ХС-61.019
Хомут
В узле: 1
85
М8х30
Болт
В узле: 5
86
240-1007202
Штуцер
В узле: 2
87
240-1007209
Прокладка
В узле: 4
88
240-1007200-А
Трубка
В узле: 1
89
ШП12
Шайба
В узле: 6
90
70-3407164
Кронштейн
В узле: 1
91
70-1302042-Б
Кронштейн
В узле: 1
92
009-013-25-2-1
Кольцо
В узле: 2
93
240-1003240-А
Валик заслонки
В узле: 1
95
ШП4
Шайба
В узле: 2
96
М4-6gх10
Винт
В узле: 2
97
240-1003227
Штифт
В узле: 1
98
240-1003034
Крышка
В узле: 1
99
240-3507115-А
Прокладка
В узле: 4
Содержащиеся в справочниках-каталогах запасные части и детали не предлагаются к продаже, а носят исключительно информационный характер

Ваша заявка была отправлена. В ближайшее время наши специалисты с Вами свяжутся по указанному Вами телефону.

Представьтесь
Поле обязательно для заполнения
Ваш телефон
Введите правильный номер телефона
E-mail
Введите правильный e-mail
Тема
Тема
применяемость финансирование доставка цена, наличие другое сервис и гарантия
Время для звонка
08:00
08:00 09:00 10:00 11:00 12:00 13:00 14:00 15:00 16:00 17:00 18:00 19:00
19:00
08:00 09:00 10:00 11:00 12:00 13:00 14:00 15:00 16:00 17:00 18:00 19:00

Мы постараемся перезвонить в указанное время

Если вы не хотите ждать, то звоните нашим вежливым консультантам:

8 800 100-2-700
Подтвердите, что вы не робот
Подтвердите, что вы не робот
Спасибо!

Ваше сообщение успешно отправлено!

ЗакрытьПовторить попытку