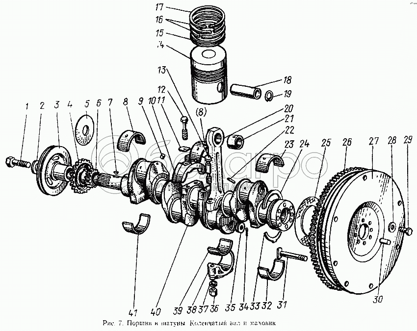
Каталог запасных частей к технике: МТЗ-100. Поршни и шатуны. Коленчатый вал и маховик
1
2
3
4
5
6
7
8
8
9
10
11
12
13
14
15
16
17
18
19
20
21
22
23
24
25
26
27
28
29
30
31
32
33
34
35
36
37
38
39
40
41
|
19
240-1004022
Кольцо стопорное
В узле: 8
|
|||||||||||||||||||||||||||||||||||||||||||||||||||||||||||||||||||||||||||||||||||||||
| 240-1004022 Кольцо стопорное МТЗ, ЗИЛ поршневого пальца d=38мм, ММЗ |
|
>10 шт. | 87.78 р. | ||||||||||||||||||||||||||||||||||||||||||||||||||||||||||||||||||||||||||||||||||||
|
50-1005054
Болт
В узле: 1
|
|||||||||||||||||||||||||||||||||||||||||||||||||||||||||||||||||||||||||||||||||||||||
| 50-1005054 Болт МТЗ, ЗИЛ, Д-240, Д-245 вала коленчатого, (А) |
|
>10 шт. | 68.14 р. | ||||||||||||||||||||||||||||||||||||||||||||||||||||||||||||||||||||||||||||||||||||
|
31
245-1005122
Палец
В узле: 6
|
|||||||||||||||||||||||||||||||||||||||||||||||||||||||||||||||||||||||||||||||||||||||
| 245-1005122 Палец МТЗ маховика, ММЗ |
|
Под заказ | 432.32 р. | ||||||||||||||||||||||||||||||||||||||||||||||||||||||||||||||||||||||||||||||||||||
|
9
50-1005021-А
Заглушка
В узле: 5
|
|||||||||||||||||||||||||||||||||||||||||||||||||||||||||||||||||||||||||||||||||||||||
| 50-1005021-А Заглушка МТЗ, Д-243, Д245, Д-260 коленвала , ММЗ |
|
Под заказ | 54.83 р. | ||||||||||||||||||||||||||||||||||||||||||||||||||||||||||||||||||||||||||||||||||||
|
29
50-1005127-А
Болт
В узле: 7
|
|||||||||||||||||||||||||||||||||||||||||||||||||||||||||||||||||||||||||||||||||||||||
| 50-1005127-А Болт МТЗ, ЗИЛ, Д-240, Д-245 маховика, (А) |
|
Под заказ | 16.06 р. | ||||||||||||||||||||||||||||||||||||||||||||||||||||||||||||||||||||||||||||||||||||
|
18
50-1004042-А1
Палец поршневой
В узле: 4
|
|||||||||||||||||||||||||||||||||||||||||||||||||||||||||||||||||||||||||||||||||||||||
| 50-1004042-А1 Палец поршневой МТЗ (d=38 мм), РФ |
|
>10 шт. | 523.68 р. | ||||||||||||||||||||||||||||||||||||||||||||||||||||||||||||||||||||||||||||||||||||
|
37
245-1004190
Шайба
В узле: 8
|
|||||||||||||||||||||||||||||||||||||||||||||||||||||||||||||||||||||||||||||||||||||||
| 245-1004190 Шайба, ММЗ |
|
Под заказ | 52.08 р. | ||||||||||||||||||||||||||||||||||||||||||||||||||||||||||||||||||||||||||||||||||||
|
30
50-1005019
Штифт
В узле: 1
|
|||||||||||||||||||||||||||||||||||||||||||||||||||||||||||||||||||||||||||||||||||||||
| 50-1005019 Штифт МТЗ, Д-243, Д-245 установочный блока цилиндров, ММЗ |
|
Под заказ | 131.60 р. | ||||||||||||||||||||||||||||||||||||||||||||||||||||||||||||||||||||||||||||||||||||
|
28
48-1002318
Шайба
В узле: 7
|
|||||||||||||||||||||||||||||||||||||||||||||||||||||||||||||||||||||||||||||||||||||||
| 48-1002318 Шайба МТЗ головки блока, ММЗ |
|
Под заказ | 43.90 р. | ||||||||||||||||||||||||||||||||||||||||||||||||||||||||||||||||||||||||||||||||||||
|
240-1004100-А
Шатун в сборе
В узле: 4
|
|||||||||||||||||||||||||||||||||||||||||||||||||||||||||||||||||||||||||||||||||||||||
| 240-1004100-А Шатун МТЗ d=38 мм, ММЗ |
|
Под заказ | 7 106.36 р. | ||||||||||||||||||||||||||||||||||||||||||||||||||||||||||||||||||||||||||||||||||||
|
21
240-1004115
Втулка
В узле: 4
|
|||||||||||||||||||||||||||||||||||||||||||||||||||||||||||||||||||||||||||||||||||||||
| 240-1004115-А Втулка МТЗ шатуна (38мм) РФ |
|
Под заказ | 210.61 р. | ||||||||||||||||||||||||||||||||||||||||||||||||||||||||||||||||||||||||||||||||||||
|
5
50-1005042
Маслоотражатель
В узле: 1
|
|||||||||||||||||||||||||||||||||||||||||||||||||||||||||||||||||||||||||||||||||||||||
| 50-1005042 Маслоотражатель МТЗ малый, ММЗ |
|
Под заказ | 126.13 р. | ||||||||||||||||||||||||||||||||||||||||||||||||||||||||||||||||||||||||||||||||||||
|
7
6х9
Шпонка
В узле: 2
|
|||||||||||||||||||||||||||||||||||||||||||||||||||||||||||||||||||||||||||||||||||||||
| 6х9 Шпонка коленвала ММЗ |
|
Под заказ | 131.60 р. | ||||||||||||||||||||||||||||||||||||||||||||||||||||||||||||||||||||||||||||||||||||
|
240-1005122
Палец
В узле: 6
|
|||||||||||||||||||||||||||||||||||||||||||||||||||||||||||||||||||||||||||||||||||||||
| 240-1005122 Палец МТЗ, Д-243, Д-245 маховика, ММЗ |
|
Под заказ | 347.30 р. | ||||||||||||||||||||||||||||||||||||||||||||||||||||||||||||||||||||||||||||||||||||
|
2
50-1005055-А
Шайба
В узле: 1
|
|||||||||||||||||||||||||||||||||||||||||||||||||||||||||||||||||||||||||||||||||||||||
| 50-1005055-А Шайба МТЗ, ЗИЛ болта коленчатого вала, ММЗ |
|
Под заказ | 117.94 р. | ||||||||||||||||||||||||||||||||||||||||||||||||||||||||||||||||||||||||||||||||||||
|
1
245-1005054
Болт
В узле: 1
|
|||||||||||||||||||||||||||||||||||||||||||||||||||||||||||||||||||||||||||||||||||||||
| 245-1005054 Болт коленчатого вала (М18х1,5х75), ММЗ |
|
Под заказ | 616.87 р. | ||||||||||||||||||||||||||||||||||||||||||||||||||||||||||||||||||||||||||||||||||||
|
25
50-1005043
Маслоотражатель
В узле: 1
|
|||||||||||||||||||||||||||||||||||||||||||||||||||||||||||||||||||||||||||||||||||||||
| 50-1005043 Маслоотражатель МТЗ большой, ММЗ |
|
Под заказ | 233.14 р. | ||||||||||||||||||||||||||||||||||||||||||||||||||||||||||||||||||||||||||||||||||||
|
3
240-1005131-В
Шкив
В узле: 1
|
|||||||||||||||||||||||||||||||||||||||||||||||||||||||||||||||||||||||||||||||||||||||
| 240-1005131-В Шкив МТЗ коленвала 2-ручьевой, Беларусь |
|
Под заказ | 5 017.26 р. | ||||||||||||||||||||||||||||||||||||||||||||||||||||||||||||||||||||||||||||||||||||
|
12
240-1005018
Болт
В узле: 8
|
|||||||||||||||||||||||||||||||||||||||||||||||||||||||||||||||||||||||||||||||||||||||
| 240-1005018 Болт МТЗ крепления противовеса, ММЗ |
|
<10 шт. | 184.57 р. | ||||||||||||||||||||||||||||||||||||||||||||||||||||||||||||||||||||||||||||||||||||
|
240-1004060
Комплект поршневых колец
В узле: 1
|
|||||||||||||||||||||||||||||||||||||||||||||||||||||||||||||||||||||||||||||||||||||||
| 240-1004060 Поршневые кольца МТЗ моторокомплект на 4 цилиндра, Польша |
|
Под заказ | 3 381.59 р. | ||||||||||||||||||||||||||||||||||||||||||||||||||||||||||||||||||||||||||||||||||||
|
4
240-1005033
Шестерня
В узле: 1
|
|||||||||||||||||||||||||||||||||||||||||||||||||||||||||||||||||||||||||||||||||||||||
| 240-1005033 Шестерня привода масляного насоса z=38 (А) |
|
Под заказ | 693.97 р. | ||||||||||||||||||||||||||||||||||||||||||||||||||||||||||||||||||||||||||||||||||||
|
10
240-1005017
Противовес
В узле: 4
|
|||||||||||||||||||||||||||||||||||||||||||||||||||||||||||||||||||||||||||||||||||||||
| 240-1005017 Противовес МТЗ коленчатого вала, ММЗ |
|
Под заказ | 1 591.90 р. | ||||||||||||||||||||||||||||||||||||||||||||||||||||||||||||||||||||||||||||||||||||
|
11
240-1005024
Пластина стопорная
В узле: 8
|
|||||||||||||||||||||||||||||||||||||||||||||||||||||||||||||||||||||||||||||||||||||||
| 240-1005024 Пластина МТЗ стопорная шатуна дв. 242,243,245,260,265, ММЗ |
|
Под заказ | 41.14 р. | ||||||||||||||||||||||||||||||||||||||||||||||||||||||||||||||||||||||||||||||||||||
Содержащиеся в справочниках-каталогах запасные части и детали не предлагаются к продаже, а носят исключительно информационный характер